МИНИСТЕРСТВО
МОНТАЖНЫХ И СПЕЦИАЛЬНЫХ СТРОИТЕЛЬНЫХ РАБОТ СССР
ГЛАВЭЛЕКТРОМОНТАЖ
ОРДЕНА ТРУДОВОГО КРАСНОГО ЗНАМЕНИ
ВСЕСОЮЗНЫЙ НАУЧНО-ИССЛЕДОВАТЕЛЬСКИЙ
ПРОЕКТНЫЙ И ПРОЕКТНО-КОНСТРУКТОРСКИЙ ИНСТИТУТ
ПО КОМПЛЕКСНОЙ ЭЛЕКТРИФИКАЦИИ ПРОМЫШЛЕННЫХ ОБЪЕКТОВ
ТЯЖПРОМЭЛЕКТРОПРОЕКТ
имени Ф.Б.
ЯКУБОВСКОГО
РЕКОМЕНДАЦИИ
ПО ПРОЕКТИРОВАНИЮ СИСТЕМ ВНУТРИЦЕХОВОГО
ЭЛЕКТРОСНАБЖНЕНИЯ С ПАРАЛЛЕЛЬНОЙ РАБОТОЙ
ТРАНСФОРМАТОРОВ КТП.
Главный инженер
ВНИПИ "Тяжпромэлектропроект"
М.Г. Зименков
Зам. директора
по научной работе
А.П. Цаллагов
Начальник технического отдела
Л.Б. Годгельф
Зав. научно-исследовательской
лаборатории № 1, к.т.н.
В.С. Иванов
Руководил темы,
ответственный исполнитель
с.н.с. ВНИПИ "Тяжпромэлектропроект"
В.В. Мейчик
СОДЕРЖАНИЕ
Настоящие "Рекомендации по проектированию систем внутри цехового электроснабжения с параллельной работой трансформаторов КТП" разработаны на основании результатов следующих выполненных ВНИПИ Тяжпромэлектропроект научно-исследовательских работ: "Исследование и разработка принципов и технических решений, обеспечивающих использование трансформаторов в системе электроснабжения с целью повышения надежности электроснабжения, уменьшения потерь и улучшения качества электроэнергии" (Тема № 02.111.0.85.1); "Исследование и разработка рекомендаций по выбору числа и мощности трансформаторных подстанций электрических сетей до 1000 В" (Тема № 02.113.0.85.2) и совместно выполненной, по договору № 203504 с Ленинградским политехническим институтом, научно-исследовательской работы: "Анализ технико-экономических показателей замкнутых систем электроснабжения с параллельной работой трансформаторов на напряжении 0,4 кВ", а также решений Научно-технического Совета ВНИПИ "Тяжпромэлектропроект" от 16 января 1986 г., 5 июня 1986 г., 4 декабря 1987 г. и решений бюро секции "Промышленная электротехника" Московского правления НТО Э и ЭП от 18 декабря 1986 г. и 1 декабря 1987 г.
Целью настоящих "Рекомендаций" является повышение эффективности использования трансформаторов, шинопроводов и другого электрооборудования в системах внутрицехового электроснабжения промпредприятий, снижение объемов строительно-монтажных работ и сокращение сроков ввода в эксплуатацию электроустановок, повышение надежности электроснабжения, снижение потерь электроэнергии и повышение ее качества за счет использования в системах внутрицехового электроснабжения параллельной работы трансформаторов на общую нагрузку.
Применение параллельной работы цеховых трансформаторов позволяет достичь [1, 2, 3]:
- уменьшение на 25 - 30 % суммарной установленной мощности трансформаторов (по сравнению с раздельной их работой) за чет снижения обшей суммарной нагрузки из-за несовпадения максимумов нагрузок, получающих питание от отдельных трансформаторов, использованием более высокого коэффициента загрузки параллельно работающих трансформаторов и меньшей требуемой резервной мощности на случай выхода трансформаторов из строя;
- повышение качества электроэнергии из-за стабильного уровня токов КЗ во всей сети, что дает возможность подключения электроприемников с нелинейными нагрузками большей мощности (электросварка, вентильная нагрузка), а в ряде случаев, позволяет осуществлять совместное питание нелинейных нагрузок с электроприемниками, требующими повышенные параметры качества электроэнергии (электроосвещение, ЭВМ, станки с ЧПУ и др.);
- повышение надежности срабатывания защитных аппаратов при однофазных КЗ в сети;
- возможность поэтапного ввода трансформаторных мощностей по мере роста фактических нагрузок предприятия (цеха);
- снижения потерь электроэнергии трансформаторах за чет возможного отключения части ненагруженных трансформаторов при одно и двухсменных режимах работы предприятия и др.
Рекомендации по проектированию систем внутрицехового электроснабжения с параллельной работой трансформаторов КТП, выполнены коллективами авторов ВНИПИ "Тяжпромэлектропроект" и Ленинградского политехнического института имени М.И. Калинина.
В настоящей работе даются общие рекомендации по проектированию систем внутрицехового электроснабжения с параллельной работой трансформаторов КТП. Решения, принятые при конкретном проектировании, например, реконструкции или расширении действующих предприятий, могут отличаться от рекомендуемых здесь в зависимости от конкретных особенностей проектируемого объекта.
Изложенные в настоящей работе требования и рекомендации по проектированию систем внутрицехового электроснабжения не противоречат требованиям Правил устройства электроустановок и другим нормативно-техническим документам, а носят только уточняющий характер и ужесточают некоторые требования упомянутых документов [4, 5, 6].
При использовании справочных материалов для конкретного проектирования приведенные в приложении к настоящей работе технические данные и характеристики электрооборудования должны быть дополнительно уточнены по действующей информации заводов-изготовителей.
Значительный вклад в разработку настоящих "Рекомендаций" внесли:
от ВНИПИ "Тяжпромэлектропроект"
с.н.с. научно-исследовательской
лаборатории № 1 Менчик В.В.
н.с. научно-исследовательской
лаборатории № 1 Марченко Т.П.
инженеры научно-исследовательской
лаборатории № 1 Мусина Е.Б.
Островская О.В.
Илюшина О.В.
от ЛПИ имени М.И. Калинина:
от кафедры электрических сетей и
систем
доц., к.т.н. Кучумов Л.А.
доц., к.т.н. Веселов А.Е.
от кафедры экономики энергетики
доц., к.т.н. Воронкин А.Ф.
инженер Ерыгин Б.В.
1.1. Настоящие "Рекомендации" могут быть применены при проектировании систем внутрицехового электроснабжения новых или реконструкции действующих предприятий большинства отраслей народного хозяйства страны. Наиболее высокие технико-экономические показатели применения параллельной работы трансформаторов КТП могут быть достигнуты при проектировании крупных цехов и производств металлообрабатывающей и машиностроительной промышленности [2, 3, 7, 8].
1.2. В отношении обеспечения надежности электроснабжения, системы внутрицехового электроснабжения с параллельной работой трансформаторов рекомендуется применять, в основном, для электроснабжения цехов и производств, имеющих в своем составе электроприемники II и III категорий. Системы с параллельной работой трансформаторов могут быть применены и для электроснабжения электроприемников I категории при питании их от распределительных пунктов 0,38 - 0,68 кВ, снабженных устройствами АВР и получающих питание по двум вводам от разных групп параллельно работающих трансформаторов, которые на стороне 10 (6) кВ подключены к независимым источникам питания.
1.3. "Рекомендации" содержат основное указания и требования по выбору числа и мощности трансформаторных подстанций, магистральных шинопроводов, конденсаторных установок и принципиальные решения по построению схем внутрицехового электроснабжения.
1.4. Исходными данными для проектирования систем внутрицехового электроснабжения являются:
1.4.1. Данные по источникам питания цеха на напряжении 10 (6) кВ и их технические характеристики:
- сборные шины РП-10 (6) кВ; РУ-10 (6) кВ ГИП; ГРУ-ТЭС и т.п.;
- мощности короткого замыкания на сборных шинах источников питания в максимальном и минимальном режимах;
- расстояния трасс питающей сети 10 (6) кВ от источников питания до цеховых КТП.
1.4.2. Планировки проектируемых цехов с показанными на них технологическими участками, производствами, строительными осями зданий, колоннами, стенами и т.д.
1.4.3. Данные по электроприемникам, требующих повышенную надежность электроснабжения (электроприемники, относящиеся по степени надежности электроснабжения к I категории, их месторасположение, мощность, количество, напряжение и т.д.)
1.4.4. Режимы работы цеха, число рабочих смен, поэтапность ввода мощностей и развития цеха, пусковые комплексы и т.п.
1.4.5. Данные по электроприемникам, отрицательно влияющим на качество электроэнергии (электросварка, тиристорно-преобразовательная нагрузка, их типы мощности, количество), сведения о специальных электроприемниках, требующих строгого обеспечения нормируемых параметров качества электроэнергии (ЭВМ, станки с ЧПУ, электроосвещение и др.)
1.4.6. Расчетное значение суммарной электрической нагрузки цеха от электроприемников в сети 0,38 (0,66) кВ (среднее значение за более загруженную смену), учитывающее нагрузки как от основного технологического оборудования, так и от вспомогательного: электроосвещения, отопления, вентиляции, кондиционирования и т.д., а также потери в сетях 0,38 (0,66) кВ, с указанием естественного средневзвешенного расчетного значения коэффициента мощности электрической нагрузки цеха.
1.5. Расчет электрической нагрузки цеха от электроприемников все в сетях 0,38 (0,66) кВ, а также расчет и выбор мощности компенсирующих устройств для компенсации реактивной мощности производится согласно требованиям соответствующих действующих нормативных документов [20, 21]. При отсутствии данных по электрическим нагрузкам на момент проектирования системы внутрицехового электроснабжения, допускается определять электрические нагрузки цехов по удельным электрическим нагрузкам на единицу площади соответствующих цехов - аналогов, данные по которым, для предприятий Минавтопрома, приведены в приложении 1.
1.6. Системы внутрицехового электроснабжения с параллельной работой трансформаторов рекомендуется применять:
- при уровнях токов короткого замыкания в этих сетях допустимых для применяемого в них электрооборудования и когда эти токи КЗ достигаются за счет естественного токоограничения путем включения в межтрансформаторные связи шинопроводов или кабелей, например, в цехах с трансформаторами с единичной мощностью не более 1000 кВ·А;
- при возможности доведения уровней токов КЗ в этих сетях до допустимых путем применения мероприятий рекомендуемых настоящей работой;
- при освоении отечественной электропромышленностью серийного изготовления специальных токоограничителей (см. п. 6.11 настоящей работы).
2.1. В качестве внутрицеховых трансформаторных подстанций рекомендуется применять однотрансформаторные комплектные подстанции (КТП) с сухими или с литой изоляцией трансформаторами, обеспечивающими возможность их размещения в центрах электрических нагрузок и непосредственной установки в цеху (на полу, антресолях, перекрытиях и т.д.)
2.2. В зависимости от удельных электрических нагрузок на единицу площади цеха его габаритов и суммарной нагрузки цеха, рекомендуется применять [2, 3]:
при плотности удельных электрических нагрузок:
до 0,05 кВ·А/м2 - трансформатору мощностью
до 630 кВ·А включительно;
от 0,05 до 0,1 кВ·А/м2; - -"- 1000 кВ·А;
от 0,1 до 0,2 кВ·А/м2 - -"- 1600 кВ·А;
от 0,2 кВ·А/м2 и выше - -"- 2500 кВ·А
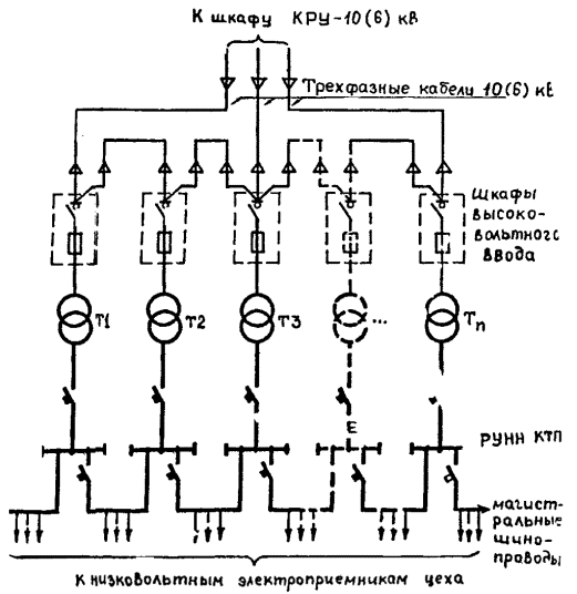
2.3. На стороне 10 (6) кВ КТП рекомендуется предусматривать:
2.3.1. Для КТП с трансформаторами 630 и 1000 кВ·А шкафы высоковольтного ввода с выключателем нагрузки и предохранителями 10 (6) кВ. При этом, для обеспечения селективной работы защитных аппаратов КТП, обеспечения требуемой безопасности обслуживания и сокращения потерь электроэнергии в трансформаторах рекомендуется осуществлять блокировку, отключающую вводной автомат от блокконтактов выключателя нагрузки при его аварийном и оперативном отключениях или применять реле обратной мощности, действующее на отключение вводного автомата (по аналогии городских сетей с параллельной работой трансформаторов на стороне 0,4 кВ) [9].
2.3.2. Для КП с трансформаторами 1600 - 2500 кВ·А шкафы высоковольтного ввода с выключателями нагрузки. При этом, максимально-токовые защиты на стороне 10 (6) кВ должны обеспечивать надежное отключение выключателя питающей линии 10 (6) кВ при коротком замыкании на выводах 0,4 (0,69) кВ параллельно работающих трансформаторов КТП, а вводные автоматы должны быть оборудованы реле обратной мощности.
2.4. РУНН однотрансформаторного КТП, как правило, рекомендуется предусматривать из шкафов, обеспечивающих возможность подключения к нему не менее двух магистральных шинопроводов путем глухого их присоединения к сборным шинам или через линейные автоматические выключатели, что решается в конкретном проекте при проектировании питающей сети 0,38 - 0,66 кВ (см. также требования раздела 4).
Необходимость дополнительных линейных автоматов (шкафов) для питания крупных электроприемников, по радиальным линиям непосредственно от РУНН КТП (помимо магистральных шинопроводов) решается в конкретном проекте при соответствующем технико-экономическом обосновании [2, 5]
2.5. Общее количество однотрансформаторных КТП - Nт [шт] для цеха, с учетом требования 2.2, определяется [2, 3]
![]()
где: Sрасч. и Sт - соответственно расчетное значение потребляемой полной мощности цеха (среднее значение за наиболее загруженную смену) и номинальная мощность трансформатора КТП, кВ·А;
КЗ.ЭК. - экономический коэффициент загрузки трансформатора, который рекомендуется принимать близким к 1,0.
Коэффициент загрузки трансформаторов принимается < 1,0 при NТ
3 и по техническим
причинам - возможному неравномерному размещению нагрузок в цехе [10, 11].
При получении дробного числа NТ, последнее, как правило, принимается равным большему целому числу или большему четному целому числу, что зависит от числа групп параллельно работающих КТП (см. п.п. 3.2 и 3.4).
2.6. Максимальное количество трансформаторов, работающих параллельно в одной группе*, как правило, не должно превышать [2, 3]
-при питающем напряжении 10 кВ:
6 - 7 трансформаторов мощностью по 2500 кВ·А;
10 - 11 трансформаторов мощностью по 1600 кВ·А;
16 - 17 трансформаторов мощностью по 1000 кВ·А;
-при питающем напряжении 6 кВ:
4-х трансформаторов мощностью по 2500 кВ·А;
6 - 7 трансформаторов мощностью по 1600 кВ·А;
10 трансформаторов мощностью по 1000 кВ·А
* Указанные количества параллельно работающих трансформаторов в одной группе приведены из условия, что номинальный ток, питающей линии 10 (6) кВ не превышает 1000 А и КТП оборудованы шкафами высоковольтного ввода с предохранителями 10 (6) кВ, при отсутствии последних, количество параллельно работающих трансформаторов в группе выбирается таким, чтобы была обеспечена надежная работа максимальных токовых защит на стороне 10 (6) кВ при коротком замыкании на вводе 0,4 (0,69) кВ одного из параллельно работающих в группе трансформаторов КП (см. также п.п. 2.3.2 и 3.4)
2.7. При поэтапном вводе мощностей цеха, с целью исключения работы трансформаторов КТП в недогруженных режимах, рекомендуется предусматривать поэтапный ввод параллельно работающих трансформаторов КТП - по мере роста фактических нагрузок.
2.8. Подключаемые на параллельную работу трансформаторы должны иметь одинаковые схемы соединения обмоток, коэффициенты трансформации, значения напряжений короткого замыкания и т.д. и, как правило, быть одинаковой мощности.
3.1. Питающую сеть 10 (6) кВ для группы параллельно работающих однотрансформаторных КТП, рекомендуется выполоть по магистральной схеме из одножильных многоамперных кабелей с пластмассовой изоляцией* или применять трехфазные кабели 10 (6) кВ.
* В настоящее время отечественной электропромышленностью осваивается выпуск одножильных кабелей 10 (6) кВ с пластмассовой изоляцией, марки АПвВГ, сечением до 80 мм2. При применении однофазных кабелей 10 (6) защиту от замыканий на землю рекомендуется выполнять с помощью специально реле, разработанного ВНИИЭ, типа БРЭ 1301.03, которые будут серийно выпускаться ЧЭАЗом с 1989 г. или применять трансформаторы тока нулевой последовательности с подмагничиванием.
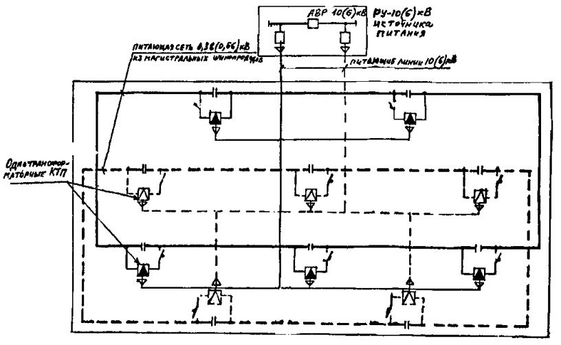
С целью повышения надежности электроснабжения питающую сеть из трехфазных кабелей рекомендуется выполнять по схеме приведенной на рис. 3.1, применяя в питающей линии 10 (6) кВ не менее чем три кабеля 10 (6) кВ [2, 3, 4].
3.2. При наличии электроприемников, требующих повышенную надежность электроснабжения - с автоматическим включением резервного питания, как правило, следует применять не менее 2-х групп параллельно работающих КТП с питанием их на стороне 10 (6) кВ от разных источников (см. рис. 3.2 и требования раздела 4).
3.3.При выборе местоположения КТП, последние, по возможности, должны быть равномерно рассредоточены по цеху и размещаться в центрах зон обслуживания какого трансформатора КТП [6].
Рис. 3.1. Пример построения схемы питающей сети 10 (6) кВ из трехфазных кабелей для группы параллельно работающих трансформаторов КТП.
Рис. 3.2. Схема внутрицехового электроснабжения с параллельной работой КТП через магистральные шинопроводы на общую нагрузку цеха.
3.4. В общем случае, при проектировании, крупных цехов, число групп параллельно работающих трансформаторов или число питающих линий 10 (6) кВ - m определяется:
![]()
где: Sрасч. - расчетное значение потребляемой полной мощности цеха кВ·А;
U - номинальное напряжение питающей сети: 10 или 6 кВ;
Iном.выкл. = 630 или 1000 А - оптимальные значения номинального тока выключателя шкафа КРУ-10 (6) кВ*.
* При соответствующем технико-экономическом обосновании значение Iном.выкл. может быть принято равным и более 1000 А. Однако, для этого потребуется применение дополнительных шкафов КРУ 10 (6) кВ с кабельными сборками.
При наличии электроприемников, требующих повышенную надежность электроснабжения (не менее двух вводов от разных источников питания), как правило, число m принимается ближайшим целым четным числом.
3.5. Питание группы параллельно работающих трансформаторов на стороне 0,4 (0,69) кВ, как правило, рекомендуется выполнять одной линией 10 (6) кВ. Допускается включать на параллельную работу трансформаторы (группы трансформаторов), получающие питание от одного источника питания по двум и более питающим линиям 10 (6) кВ (см. рис. 2.3 и требования п. 2.3). Не допускается одновременное питание группы параллельно работающих трансформаторов по двум линиям от разных источников питания 10 (6) кВ.
3.6. При наличии в цеху локальных, сосредоточенных групп электроприемников, в зависимости от категории надежности их электроснабжения, допускается предусматривать для них отдельные однотрансформаторные или двухтрансформаторные КТП соответствующей мощности или обеспечивать совместное питание таких электроприемников от обособленных КТП и от сети параллельно работающих КТП, что решается при проектировании конкретного объекта.

Рис. 3.3. Схема внутрицехового электроснабжения с питанием групп параллельно работающих трансформаторов КТП по двум питающим линиям 10 (6) кВ
4.1. Питающую сеть 0,38 - 0,66 кВ, как правило, рекомендуется выполнять из комплектных магистральных шинопроводов, применяя в цеху преимущественно равномерную горизонтальную прокладку рядов шинопроводов с креплением их по колоннам, стенам, стойкам и подвесам на высоте около 3,0 м в зонах, исключающих механическое повреждение шинопроводов [1, 2, 3, 16].
4.2. При наличии электроприемников, требующих повышенную надежность электроснабжения, рекомендуется чередовать в цеху, прокладку рядов магистральных шинопроводов с питание их от разных групп параллельно работающих трансформаторов КТП, подключенных на стороне 10 (6) кВ к независимым источникам питания (см. рис. 4.1) [2, 3].
4.3. В зависимости от значений удельных плотностей электрических нагрузок цеха и мощностей трансформаторов применяемых КТП (см. требования п. 2.5), оптимальный шаг (расстояние) между рядам горизонтальных шинопроводов - Н, [м], рекомендуется применять (кратно шагу колонн равному 6 м) [2, 3]:
при
= 0,05 кВ·А/м2 -
Н = 60 - 70 м с питанием от трансформаторов 630 - 1000 кВ·А;
при
= 0,1 кВ·А/м2 -
Н = 54 - 66 м и трансформаторы 1000 - 1600 кВ·А;
при
= 0,2 кВ·А/м2 -
Н = 42 - 60 м и трансформаторы 1600 - 2500 кВ·А;
при
= 0,3 кВ·А/м2 -
Н = 36 - 54 м с трансформаторами 2500 или 1600 кВ·А;
при
= 0,6 - 0,7 кВ·А/м2 - Н
= 30 - 48 м и питанием от трансформаторов 2500 кВ·А;
при
= 0,8 кВ·А/м2 -
Н = 30 - 42 м питанием от трансформаторов 2500 кВ·А;
при
= 0,9 кВ·А/м2 -
Н = 30 - 36 м питанием от трансформаторов 2500 кВ·А;
при
= 1,0 кВ·А/м2 -
Н = 24 - 36 м питанием от трансформаторов 2500 кВ·А;
При проектировании конкретного объекта шаг прокладки шинопроводов может быть изменен в ту или другую сторону на конкретных участках цеха по техническим причинам: в зависимости от локализации электроприемников, местоположения технологического и вспомогательного оборудования, строительных конструкций (колонн, стен, ферм, перекрытий) и др.
4.4. Подключение магистральных шинопроводов к КТП преимущественно рекомендуется выполнять с помощью гибких многоамперных кабелепроводов (по типу АВВ-1), подключая концы каждого шинопровода к смежным параллельно работающим КТП, например, при необходимости прокладки протяженных вертикальных трасс (15 м и более), а также на сложных участках без ответвительных коробок (см. рис. 3.2 и 4.1) [2, 3, 12].
4.5. Питание крупных электроприемников цеха, распределительных щитов, пунктов, сборок, комплектных распределительных и др. шинопроводов, как правило, следует производить от ближайших ответвительных секций магистральных шинопроводов, а не от РУНН КТП [2, 6].
4.6. Магистральные шинопроводы, через которые производится подключение трансформаторов на параллельную работу, рекомендуется выбирать на номинальный ток с учетом их перегрузочной способности при возможном выходе из строя одного из параллельно работающих трансформаторов КТП [12].
Рис. 4.1. План-схема прокладки питающей сети 0,38 (0,66) кВ на магистральных шинопроводов с питанием смежных рядов шинопроводов от разных групп параллельно работающих трансформаторов КТП.
4.7. После определения местоположения в цеху КТП и магистральных шинопроводов (расстояний по электрической цепи между параллельно работающими трансформаторами), и в соответствии с расчетами ТКЗ, выполненных по рекомендациям раздела 5, производят выбор и проверку электрооборудования, при необходимости, осуществляют координацию уровней токов короткого замыкания и уровней напряжения в сети 0,38 (0,66) кВ с применением мероприятий, рекомендуемых в разделе 6 настоящей работы.
При необходимости, для обеспечения требуемых параметров уровней напряжения в сети в послеаварийных режимах - выходе из строя параллельно работающего трансформатора КТП, рекомендуется применять секционирование замкнутой сети с параллельной работой трансформаторов и возможность переключения части этой сети к другой группе параллельно работающих КТП (см. рис. 4.2) [2, 3].
4.8. Для повышения надежности электроснабжения рекомендуется по возможности, применять кольцевые схемы с параллельной работой трансформаторов КТП (см. рис. 4.3 и 4.4) [3].
4.9. При необходимости, к РУНН КТП могут подключаться, кроме магистральных шинопроводов, соединяющих на параллельную работу соединение КТП, также магистральные шинопроводы по типу консоли (см. рис. 4.5). При этом, длину магистрального шинопровода, работающего по типу консоли, рекомендуется выбирать, как правило, не превышающей 150 - 200 м (из-за допустимых уровней напряжения на конце консоли).
Рис. 4.2. План-схема внутрицехового электроснабжения с параллельной рабски двух групп трансформаторов КТП по полуразомкнутым схемам и секционированием питающей сети 0,38 (0,66) кВ из магистральных шинопроводов
к низковольтным электроприемникам цеха
Рис. 4.3. Кольцевая схема параллельной работы трансформаторов КТП на стороне 0,4 (0,69) кВ.
Рис. 4.4. План-схема системы внутрицехового электроснабжения с параллельной работой двух групп трансформаторов КТП по кольцевым схемам.
Магистральные шинопроводы по типу "консоли"
Рис. 4.5. Схема параллельной работы трансформаторов КТП с магистральными шинопроводами на стороне 0,4 (0,69) кВ
5.1. Расчеты токов короткого замыкания (КЗ) выполняется с целью выбора параметров и проверки электродинамической и термической стойкости электрооборудования и коммутационной способности отключающих аппаратов [4, 13, 14, 15].
5.2. За расчетный вид короткого замыкания принимается трехфазное КЗ в точке с ожидаемым наибольшим значением ТКЗ, при котором определяются действующее и ударное значения токов КЗ [4].
5.3. Расчет однофазного тока КЗ в настоящей работе не рассматривается, так как он принципиально не отличается от аналогичных расчетов для других сетей 0,38 (0,66) кВ с глухозаземленной нейтралью, и его следует производить в соответствии с требованиями действующей нормативно-технической документации.
5.4. При расчетах токов КЗ необходимо учитывать [1 - 5, 13 - 15]:
- индуктивные и активнее сопротивления всех элементов короткозамкнутой цепи, включая проводники небольшой длины, трансформаторы тока, токовые катушки автоматических выключателей и др.;
- сопротивление питающей энергосистемы;
- сопротивления различных контактов и контактных соединений;
- активное сопротивление электрической дуги в месте возникновения КЗ;
- подпитку от асинхронных двигателей (АД) при их единичной мощности 100 кВт и более и непосредственном подключении АД к месту КЗ.
5.5. В расчетах токов КЗ допускается не учитывать [13]:
-сопротивления комплексных нагрузок;
-сопротивления конденсаторных батарей;
-изменения сопротивлений элементов короткозамкнутой цепи при нагреве током КЗ;
-не учитывать ток намагничивания трансформаторов.
5.6. Расчеты токов КЗ рекомендуется производить в именованных единицах. При составлении эквивалентных схем замещения параметры их элементов должны быть приведены к ступени напряжения 0,4 или 0,69 кВ, где находится точка расчетного КЗ, а активные и индуктивные сопротивления всех элементов схемы замещения выражать в милиомах [1, 13, 14].
5.7. Определение сопротивлений различных элементов короткозамкнутой цепи.
5.7.1. Сопротивление питающей энергосистемы определяется формуле:
, [мОм],
UH = 400 или 690 В - среднее номинальное напряжение расчетной ступени места КЗ;
SK, кВ·А - мощность КЗ на шинах источника питания.
Значения сопротивлений ХС для характерных мощностей SK приведены в приложении 2 табл. 2.1.
5.7.2. Сопротивления питавшей линии 10 (6) кВ от шин источника питания до трансформаторов КТП определяют по формулам:
, [мОм];
, [мОм],
где XО.Л и RО.Л - удельные, соответственно индуктивные и активные сопротивления кабеля (провода), мОм/м;
- длина кабеля, м;
n - число кабелей (проводов) в линии, шт;
UВН = 10,5 или 6,3 кВ - среднее номинальное напряжение первичной обмотки трансформатора.
Значения параметров ХО.КАБ и RО.КАБ приведены в приложении 2, табл. 2.2.
5.7.3. Активное индуктивное сопротивление трансформатора определяем по формулам:
, [мОм];
, [мОм];
, [мОм],
где
РК, кВт - мощность потерь КЗ в трансформаторе;
UHT, кВ = 0,4 или 0,69 кВ - напряжение вторичной обмотки трансформатора;
ST, мВ·А - номинальная мощность трансформатора;
UK, % - напряжение КЗ трансформатора.
Технические данные и значения активных и индуктивных сопротивлений трансформаторов КТП приведены в приложении 2, табл. 2.3.
5.7.4. Учет влияния активного сопротивления электрической дуги в месте КЗ и подпитки места КЗ от асинхронных двигателей приведены ниже, а данные по определению активных и индуктивных сопротивлений других элементов короткозамкнутой цепи приведены в приложении 2, табл. 2.4 - 2.9.
5.8. Определение значений токов КЗ [13, 14, 15].
5.8.1. Расчет действующего значения тока "металлического" КЗ (без учета влияния электрической дуги в месте КЗ) производится по формуле:
, кА,
где RКЗ и XКЗ - результирующие активное и индуктивное сопротивления короткозамкнутой цепи с учетом сопротивления питающей энергосистемы.
5.8.2. Для сетей с параллельной работой трансформаторов рекомендуется определять действующее значение тока КЗ с учетом переходного сопротивления в месте КЗ, путем введения снижающего ток КЗ коэффициента Кg - по формуле:
, кА,
Кg < 1 -
поправочный коэффициент, учитывающий переходное сопротивление в месте КЗ,
возникающее за счет падения напряжения на электрической дуге в месте КЗ,
значение которого находится в зависимости от соотношения
по номограмме рис. 5.1.
5.8.3. Значение ударного тока КЗ находится по формуле:
, кА,
Ку - ударный коэффициент, значение которого
находится в зависимости от соотношения
по номограмме рис. 5.1.
С учетом влияния на ударный ток подпитки от асинхронных двигателей значение iy.АД рекомендуется определять по формуле:
, кА,
где IН.АД - суммарное значение номинального тока асинхронных двигателей, подключенных к месту КЗ (см. также п. 5.4)
Рис. 5.1. Графики зависимостей коэффициентов КД
и КУ в функции от
КЗ.
6.1. При проектировании внутрицеховых сетей с параллельной работой трансформаторов КТП на стороне 0,4 кВ, без применения специальных токоограничивающих устройств, рекомендуется, чтобы уровни токов КЗ в сетях с параллельной работой трансформаторов КТП не превышали значений [3, 17]:
- при применении КТП с трансформаторами мощностью 630 -
1600 кВ·А - значение ударного тока в любой точке сети (с учетом
подпитки от асинхронных двигателей)
кА;
- при применении КТП с трансформаторами мощностью 2500 кВ·А значение ударного тока на сборных шинах РУНН КТП -
100 кА, а значение
ударного тока на магистральных шинопроводах -
100 кА*.
* Предполагается , что для параллельной работы трансформаторов
используются магистральные шинопроводы типа ШМА 4 (испытания шинопровода типа
ШМА-4-160044-IV3 на динамическую стойкость
к ТКЗ показали, что она составляет не менее 150 кА [18], а значение iуд
100 кА лимитируется
электрической устойчивостью автоматов А3790, применяемых в настоящее время в
ответвительных коробках шинопровода. При использовании шинопроводов другого
типа уровень ТКЗ в такой сети должен превышать допустимых значений для
применяемого типа шинопровода.
6.2. Для сетей с параллельной работой трансформаторов КТП на стороне 0,4 кВ рекомендуется, чтобы значения установившегося тока КЗ на сборных шинах РУНН КТП не превышали [3, 17]:
- на КТП с трансформаторами мощностью 630 - 1600 кВ·А - IУСТ
50 кА, а на КТП с
трансформаторами мощностью 2500 кВ·А - IУСТ
70 кА, при времени
отключения автоматических выключателей не более 0,4 с на вводе и 0,25 с на
линиях к магистральным шинопроводам, подключающим на параллельную работу
трансформаторы смежных КТП [3, 17].
6.3. В сетях с параллельной работой трансформаторов рекомендуется, чтобы автоматические выключатели по своей коммутационной способности, как правило, соответствовали (были не ниже) максимального тока КЗ в месте установки выключателя. Допускается использование автоматических выключателей нестойких к максимальным значениям ТКЗ, а также выбранных по значению одноразовой предельной коммутационной способности, при условии, что за данным выключателем по направлению к источнику питания имеется автоматический выключатель, обеспечивающий мгновенное отключение (отсечку) указанного тока КЗ [4, 5]. Данные по ПКС и ОПКС рекомендуемых автоматических выключателей для питающих сетей с параллельной работой КТП приведены в табл. 2.10 приложения 2.
6.4. С целью обеспечения устойчивости к ТКЗ автоматических выключателей, устанавливаемых на ответвлениях от магистральных шинопроводов, допускается предусматривать их установку в конце ответвлений (например, на кабельном вводе в распределительный пункт) длиной до 30 м, рекомендуется также увеличивать индуктивное сопротивление кабельной линии путем применения одножильных кабелей с увеличенными междуфазными расстояниями (см. данные табл. 2.1 приложения 2) [3, 4].
6.5. Для возможности повышения уровней ТКЗ в сетях с параллельной работой трансформаторов, по согласованию с заводами-изготовителями КТП, допускается шкафы РУНН, предназначенные для работы с трансформаторами мощностью 2500 кВ·А, применять с трансформаторами меньшей мощности: 630 - 1600 кВ·А.
6.6. При проектировании питающей сети 0,38 кВ с параллельной работой трансформаторов КТП рекомендуется учитывать экономически обоснованные суммарные длины [м] (на один трансформатор) магистральных шинопроводов, которые рассчитаны из условия, что вся мощность трансформатора передается от него в цех по двум магистральным шинопроводам со следующей их суммарной длиной [3]:
|
Для трансформатора мощностью, кВ·А |
Суммарная длина шинопроводов на один трансформатор [м] (при плотности электрической нагрузки цеха, кВ·А/м2) |
|||
|
0,05 |
0,2 |
0,5 |
1,0 |
|
|
630 |
95 - 160 |
52 - 66 |
30 - 42 |
21 - 35 |
|
1000 |
150 - 250 |
85 - 105 |
48 - 67 |
33 - 56 |
|
1600 |
242 - 400 |
133 - 167 |
76 - 106 |
53 - 88 |
|
2500 |
379 - 625 |
208 - 260 |
119 - 167 |
83 - 139 |
6.7. При необходимости координации (уменьшения) уровней ТКЗ в сетях 0,38 (0,66) кВ без применения специальных токоограничивающих устройств, рекомендуется подключать магистральные шинопроводы на параллельную работу между собой и к КТП с помощью многоамперных одножильных кабелей, прокладывая эти кабели, с необходимыми (по требуемому индуктивному сопротивлению кабельной вставки) междуфазными расстояниями (см. данные табл. 2.3 и 2.8 приложения 2) [3].
6.8. Для обеспечения необходимого уровня ТКЗ в сетях с параллельной работой КТП допускается применение трансформаторов меньшей мощности (большего их количества) или увеличение количества групп параллельно работающих трансформаторов (дроблением мощности групп параллельно работающих трансформаторов), что однако требует большего количества питающих линий 10 (6) кВ и должно решаться соответствующим технико-экономическим обоснованием при проектировании системы внутрицехового электроснабжения конкретного цеха (объекта) (см. также 3.5 и рис. 3) [3].
6.9. Проектирование питающей сети 0,38 (0,66) кВ с параллельной работой трансформаторов рекомендуется выполнять таким образом, чтобы уровни напряжения в послеаварийных режимах (выходе из строя одного из трансформаторов) находились в регламентируемых, действующими стандартами, пределах - отклонения напряжения, при отключении одного из трансформаторов, на зажимах осветительных приборов не должны превышать минус 7,5 % от номинального и минус 10 % для остальных электроприемников [19].
Эти требуемые уровни напряжения у электроприемников обеспечиваются при выполнении питающей сети 0,38 кВ с экономическими длинами магистральных шинопроводов, значения суммарных длин которых на один трансформатор приведены выше в 6.6.
В других случаях, для обеспечения требуемых уровней напряжения в послеаварийных режимах в сетях с параллельной работой трансформаторов рекомендуется секционировать сеть 0,38 (0,66) кВ с возможностью подключения части этой сети к другой группе параллельно работающих трансформаторов КТП (см. также п. 4.7) или применять кольцевые схемы с параллельной работой трансформаторов (см. рис. 4.3).
6.10. Для обеспечения селективной работы аппаратов защиты, в питающих сетях 0,38 (0,66) кВ с параллельно работающими трансформаторами, рекомендуется применять селективные автоматические выключатели, на расцепителях которых временные уставки должны иметь такие значения выдержек времени, при которых обеспечивается гарантированное селективное отключение этих автоматов [4].
6.11. Проблема обеспечения допустимых уровней ТК3 и напряжений в сетях с параллельной работой трансформаторов может быть решена при любом количестве и мощности трансформаторов, а также при любых расстояниях (по шинопроводу) между параллельно работающими КТП, путем применения в межтрансформаторных связях специальных токоограничителей (самовосстанавливающихся предохранителей с жидкометаллическими контактами)* или установкой на стороне 10 (6) кВ трансформаторов - тиристорных выключателей**.
* В настоящее время ВНИПИ "Тяжпромэлектропроект" разработал технические требования и ТЭО на освоение отечественной электропромышленностью указанных самовосстанавливающихся предохранителей (М. ВНИПИ ТПЭП, 1987 г., шифр: М 60507-2).
** В настоящее время разрабатываются проектные решения по применению в системе внутрицехового электроснабжения комбината "Печенганикель" указанных тиристорных выключателей в соответствии с А.С. СССР № 1334261 "Способ ограничения аварийного тока в замкнутой низковольтной электрической сети".
7.1. При наличии электроприемников, отрицательно влияющих на качество электроэнергии и работу электрооборудования (электрическая сварка, тиристорно-выпрямительные агрегаты и др.) в системе внутрицехового электроснабжения с параллельной работой трансформаторов, необходимо, в соответствии с действующими стандартами и нормативно-технической документацией, производить проверку допустимых условий работы электрооборудования с такими электроприемниками по соответствию качества электроэнергии в этой сети требованиям ГОСТ 13109-67 [19, 20, 21].
7.2. Рекомендуется осуществлять совместное питание сварочной нагрузки с другой силовой нагрузкой цеха при условии, что расчетная эффективная мощность сварочных машин не превышает 15 % от суммарной мощности параллельно работающих трансформаторов, а в зоне нагрузки одного трансформатора эффективная мощность сварочных машин не превышает 30 % от мощности одного трансформатора и в работе находятся не менее трех параллельно включенных трансформаторов КТП [20].
7.3. При питании сварочных машин от сети с параллельно работающими трансформаторами, последние должны проверяться на электродинамическую стойкость к повторяющимся пиковым нагрузкам. При этом допускается наибольшая кратность толчковой нагрузки от сварочных машин, работающих в зоне работы одного трансформатора, не превышающая 1,6 SНОМ трансформатора, при условии параллельной работы не менее трех трансформаторов КТП [10, 20].
7.4. В сетях с параллельной работой трансформаторов допустимый ГОСТ 13109-67 коэффициент несинусоидальности обеспечивается при условии, что суммарная нагрузка сварочных машин регулируемыми игнитронными или тиристорными контакторами составляет не более 50 % от суммарной мощности параллельно работающих трансформаторов, а в зоне работы одного трансформатора нагрузка сварочных машин может достигать 100 % мощности трансформатора при условии, что в работе находятся не менее трех параллельно включенные трансформаторов КТП [20] и отсутствуют другие вентильные нагрузки.
7.5. При наличии в сетях с параллельной работой трансформаторов нелинейных нагрузок использование конденсаторных батарей в качестве компенсаторов реактивной мощности допускается при условии [21]:
- для вентильной нагрузки: при
;
- для прочих нелинейных нагрузок: при
,
где SK - мощность короткого замыкания;
SНЛ - суммарная мощность нелинейной нагрузки.
При невыполнении вышеуказанных условии батареи конденсаторов могут применяться только с защитным реактором или должны использовать фильтры. В случае затруднения выполнения перечисленных условий, рекомендуется выделять для питания электроприемников с нелинейными нагрузками - отдельные группы параллельно работающих трансформаторов, а компенсацию реактивной мощности производить за счет других сетей, не имеющих нелинейные нагрузки, что решается при конкретном проектировании и соответствующем технико-экономическом обосновании.
7.6. В сетях с параллельной работой трансформаторов, рекомендуется необходимую расчетную суммарную мощность конденсаторных батарей, предназначенных для компенсации реактивной мощности в зоне работы одного трансформатора, разбивать на группы (по числу магистральных шинопроводов, подключенных к данной КТП) с распределением этой мощности конденсаторных батарей между шинопроводами пропорционально их реактивным нагрузкам. Рекомендуется также расчетную мощность конденсаторных батарей каждого шинопровода разбивать на две группы - регулируемую конденсаторную установку, устанавливаемую вблизи КТП, а вторую группу - нерегулируемую конденсаторную установку, размещаемую на расстоянии 0,25 - 0,5 длины магистрального шинопровода от КТП [3, 21].
4. Правила устройства электроустановок. - М.: Энергоатомиздат, 1985.
6. Инструкция по проектированию электроснабжения промышленных предприятий. СН 174-75, - М.: Стройиздат, 1976.
10. ГОСТ 11677-75. Трансформаторы силовые. Общие технические требования.
11. ГОСТ 14209-85. Трансформаторы силовые масляные общего назначения. Допустимые нагрузки.
12. Технические условия ТУ 36.18.29.01-11.87. Шинопроводы магистральные ШМА 4 на 1600 А.
17. Технические условия ТУ 16-530.295-83. Подстанции трансформаторные комплектные мощностью от 630 до 2500 кВ·А на напряжение 6 -10 кВ.
Данные настоящего приложения (таблицы 1.1 - 1.5) приведены из руководящих технических материалов Гипроавтопрома: РТМ 37.047.023-82 (Инв. (арх.) № 19104) и РТМ 37.047.041-84 выпуск 2 (Арх. № 19479)
Таблица 1.1
|
Заводы, корпуса, цехи участки производства сдельные виды работ. |
Коэфф. спроса КС |
Удельная потребляемая мощ. на 1 м2 общ. пл., кВт/м2 |
Расход электроэнергии, кВт·ч/год, на: |
||
|
1 м2 общей площади |
единицу готовой продукции, шт, т, м2 и т.п. |
||||
|
1 |
2 |
3 |
4 |
5 |
|
|
1. Заводы легковых автомобилей. |
0,38 |
0,16 |
620 |
2250 / шт |
|
|
1.1. Главный корпус, в том числе: |
0,35 |
0,15 |
550 |
850 / шт |
|
|
1.1.1. Сборочно-кузовое производство |
0,4 |
0,14 |
550 |
- |
|
|
1.1.2. Механико-сборочное производство |
0,3 |
0,16 |
575 |
- |
|
|
1.2. Прессово-штамповочное производство |
0,38 |
0,087 |
350 |
275 / т |
|
|
1.3 Модельный цех |
0,35 |
0,09 |
245 |
- |
|
|
1.4. Пакетировочный участок |
0,4 |
0,15 |
650 |
- |
|
|
1.5 Скрапоблок |
0,5 |
0,08 |
250 |
- |
|
|
1.6. Чугуно-литейный корпус, в том числе: |
0,55 |
0,45 |
2400 |
2750 / т |
|
|
1.6.1. Плавильный участок |
0,55 |
11,5 |
38000 |
- |
|
|
1.6.2. Заливочно-формовочно-выбивной участок |
0,4 |
0,1 |
260 |
|
|
|
1.6.3. Смесеприготовительный участок |
0,4 |
0,28 |
880 |
- |
|
|
1.6.4. Стержневой и термообрубной участки |
0,5 |
0,11 |
415 |
- |
|
|
1.7. Корпус алюминиевого литья |
0,55 |
0,18 |
708 |
1870 / т |
|
|
1.8. Корпус мелкого литья |
0,47 |
0,37 |
1500 |
2740 / т |
|
|
1.9. Кузнечный корпус (пресс. оборуд.) |
0,4 |
0,35 |
1400 |
.1260/т |
|
|
1.10. Корпус вспомогательных цехов, в том числе: |
0,29 |
0,1 |
350 |
- |
|
|
1.10.1. Инструментальный цех |
0,25 |
0,1 |
355 |
- |
|
|
1.10.2. Цех производства запасных частей. Оборуд. |
0,24 |
0,1 |
330 |
- |
|
|
1.10.3. Ремонтно-литейный цех |
0,38 |
0,25 |
1100 |
2400 / т |
|
|
1.10.4. Ремонтно-кузнечный цех |
0,4 |
0,1 |
340 |
380 / т |
|
|
1.10.5. Деревомодельный цех (с электрической сушкой древесины) |
0,45 |
0,06 |
200 |
1400 / м3 |
|
|
1.11. Корпуса (цехи), здания и сооружения вспомогательных производств и подсобных служб |
0,35 |
0,13 |
384 |
- |
|
|
1.12. Административно-бытовые здания и помещения общезаводского назначения |
0,6 |
0,1 |
240 |
- |
|
|
1.13 Электроосвещение всех помещений и площадок производственных корпусов |
0,85 |
0,022 |
48 |
- |
|
|
1.14. Электроосвещение территории завода |
1,0 |
2,3·10-4 |
0,6 |
- |
|
|
2. Заводы грузовых автомобилей грузоподъемностью от 1 до 8 т |
0,35 |
0,16 |
640 |
15750 / шт |
|
|
2.1. Главный корпус, в том числе: |
0,34 |
0,121 |
518 |
1440 / шт |
|
|
2.1.1. Цех сборки автомобилей |
0,32 |
0,065 |
215 |
- |
|
|
2.1.2. Сварочный цех |
0,28 |
0,157 |
522 |
- |
|
|
2.1.3. Цех окраски |
0,50 |
0,15 |
600 |
- |
|
|
2.1.4. Термический цех |
0,55 |
0,47 |
1850 |
- |
|
|
2.1.5. Цех металлопокрытий |
0,43 |
0,11 |
430 |
- |
|
|
2.1.6. Механо-сборочный корпус, в том числе: |
0,34 |
0,115 |
54 |
530 / т |
|
|
2.2.1. Цех механической обработки деталей и узлов и их сборки |
0,14 |
0,043 |
150 |
- |
|
|
2.2.2. Цех металлопокрытий |
0,45 |
0,3 |
490 |
- |
|
|
2.2.3. Участки сварки, окраски, термообработки |
0,4 |
0,135 |
400 |
- |
|
|
2.3. Прессово-кузовной корпус в том числе: |
0,38 |
0,175 |
382 |
650 / шт |
|
|
2.3.1. Сварочно-сборочный цех |
0,29 |
0,152 |
510 |
- |
|
|
2.3.2. Цех холодной штамповки |
0,16 |
0,021 |
100 |
- |
|
|
2.3.3. Цех окраски |
0,45 |
0,33 |
1320 |
- |
|
|
2.4. Сталелитейный корпус |
0,55 |
0,6 |
2300 |
2340 / т |
|
|
2.5. Чугунолитейный корпус |
0,55 |
0,41 |
1900 |
2100 / т |
|
|
2.6. Агрегатный корпус |
0,3 |
0,17 |
650 |
620 / т |
|
|
2.7. Автоматный корпус |
0,3 |
0,13 |
400 |
520 / т |
|
|
2.8. Модельный корпус |
0,32 |
0,06 |
224 |
- |
|
|
2.9. Термогальванический корпус |
0,45 |
0,39 |
1750 |
1300 / т |
|
|
2.10. Экспериментально-сдаточный корпус |
0,28 |
0,04 |
150 |
- |
|
|
2.11. Деревообрабатывающий корпус (с электрич. сушкой древесины) |
0,45 |
0,05 |
190 |
1740 / м3 |
|
|
2.12. Прессовый корпус |
0,35 |
0,06 |
230 |
254 / т |
|
|
2.13. Корпус ведущих мостов |
0,35 |
0,18 |
550 |
680 / шт |
|
|
2.14. Корпус вспомогательных цехов |
0,29 |
0,11 |
450 |
- |
|
|
2.15. Корпуса (цехи), здания и сооружения вспомогательных производств и подсобных служб |
0,33 |
0,11 |
360 |
- |
|
|
2.16. Административно-бытовые здания и помещения общезаводского назначения |
0,55 |
0,1 |
260 |
- |
|
|
2.17. Электроосвещение всех помещений и площадок производственных корпусов |
0,85 |
0,015 |
48 |
- |
|
|
2.18. Электроосвещение территории завода |
1,0 |
4·10-4 |
0,75 |
- |
|
|
3. Заводы грузовых автомобилей грузоподъемностью от 8 до 15 т |
0,38 |
0,18 |
730 |
2200 / шт |
|
|
3.1. Главный корпус, в том числе: |
0,34 |
0,13 |
500 |
2500 / шт |
|
|
3.1.1. Механо-сборочный цех |
0,28 |
0,11 |
430 |
- |
|
|
3.1.2.. Цех сборки и испытания автомобилей |
0,28 |
0,11 |
430 |
- |
|
|
3.2. Сдаточный корпус, в том числе: |
0,45 |
0,04 |
147 |
140 / шт |
|
|
3.2.1. Цех комплектации и сдачи автомобилей |
0,4 |
0,04 |
105 |
65 / шт |
|
|
3.3. Термогальванический корпус, в том числе: |
0,45 |
0,19 |
850 |
570 / комп. |
|
|
3.3.1. Термический цех |
0,52 |
0,16 |
730 |
272 / комп. |
|
|
3.3.2. Гальванический цех |
0,4 |
0,16 |
680 |
154 / комп. |
|
|
3.4. Автоматный корпус |
0,3 |
0,12 |
420 |
540 / т |
|
|
3.5. Кузнечно-штамповое производство |
0,45 |
0,2 |
910 |
1400 / т |
|
|
3.6. Прессово-рамное производство |
0,38 |
0,14 |
560 |
1500 / комп. |
|
|
3.7. Корпус двигателей, в том числе: |
0,37 |
0,13 |
570 |
1600 / шт |
|
|
3.7.1. Цех механической обработки деталей двигателей |
0,17 |
0,1 |
390 |
- |
|
|
3.7.2. Цех термической обработки деталей двигателей |
0,55 |
0,9 |
4000 |
- |
|
|
3.7.3. Цех сборки и испытаний двигателей |
0,18 |
0,12 |
450 |
- |
|
|
3.8. Чугунолитейное производство |
0,55 |
0,32 |
1700 |
2350 / т |
|
|
3.9. Сталелитейное производство |
0,55 |
0,35 |
1710 |
3580 / т |
|
|
3.10. Производство цветного литья |
0,52 |
0,2 |
970 |
3700 / т |
|
|
3.11. Ремонтно-инструментальное производство, в том числе: |
0,8 |
0,06 |
188 |
- |
|
|
3.11.1. Ремонтно-инструментальный цех |
0,28 |
0,1 |
342 |
- |
|
|
3.11.2. Ремонтно-кузнечный цех |
0,3 |
0,14 |
510 |
1040 / т |
|
|
3.11.3. Ремонтно-литейный цех |
0,45 |
0,16 |
780 |
1300 / т |
|
|
3.11.4. Электроремонтный цех |
0,35 |
0,09 |
294 |
- |
|
|
3.11.6. Цех ремонта внутрицехового транспорта |
0,4 |
0,13 |
450 |
- |
|
|
3.12. Производство запасных частей для грузовых автомобилей, в том числе: |
0,44 |
0,23 |
780 |
4600 / т |
|
|
3.12.1. Главный корпус |
0,35 |
0,2 |
690 |
1360 / т |
|
|
3.12.2. Кузнечный корпус (пресс. обор.) |
0,42 |
0,35 |
1320 |
1300 / т |
|
|
3.12.3. Корпус вспомогательных цехов |
0,31 |
0,17 |
560 |
- |
|
|
3.12.4. Термогальванический корпус |
0,45 |
0,25 |
1120 |
1290 / т |
|
|
3.12.5. Деревообрабатывающий корпус (без электрич. сушки древесины) |
0,3 |
0,12 |
460 |
193 / м3 |
|
|
3.13. Корпуса (цехи), здания и сооружения вспомогательных производства и подсобных служб |
0,35 |
0,11 |
350 |
- |
|
|
3.14. Административно-бытовые здания и помещения общезаводского назначения |
0,55 |
0,1 |
230 |
- |
|
|
3.15. Электроосвещение всех помещений и площадок производственных корпусов |
0,85 |
0,014 |
40 |
- |
|
|
3.16. Электроосвещение территории завода |
1,0 |
2,5·10-4 |
0,4 |
- |
|
|
4. Завода грузовых автомобилей грузоподъемностью выше 15 т |
0,35 |
0,1 |
320 |
25000 / шт |
|
|
4.1. Механо-сборочный корпус, в том числе: |
0,3 |
0,15 |
320 |
15200 / шт |
|
|
4.1.1. Механо-сборочный цех |
0,24 |
0,08 |
270 |
- |
|
|
4.1.2. Цех сборки и испытаний автомобилей |
0,11 |
0,02 |
70 |
- |
|
|
4.1.3. Заготовительный цех |
0,2 |
0,04 |
90 |
- |
|
|
4.1.4. Прессовый цех |
0,35 |
0,1 |
200 |
- |
|
|
4.1.5. Термический цех |
0,5 |
0,5 |
1700 |
- |
|
|
4.1.6. Рамно-кузовной цех |
0,35 |
0,1 |
320 |
- |
|
|
4.1.7. Сварочный цех |
0,3 |
0,1 |
380 |
- |
|
|
4.1.8. Цех программных станков |
0,21 |
0,07 |
210 |
- |
|
|
4.2. Производство стального литья |
0,55 |
0,5 |
2150 |
4400 / т |
|
|
4.3. Производство чугунного литья |
0,55 |
0,45 |
2100 |
4800 / т |
|
|
4.4. Кузнечный корпус (прессовое оборудование) |
0,45 |
0,4 |
1900 |
1450 / т |
|
|
4.5. Корпус вспомогательных цехов, в том числе: |
0,31 |
0,16 |
500 |
21 / м2 |
|
|
4.5.1. Инструментальный цех |
0,35 |
0,5 |
500 |
- |
|
|
4.5.2. Автоматный цех |
0,25 |
0,08 |
380 |
- |
|
|
4.6. Корпуса (цехи), здания и сооружений вспомогательных производств |
0,32 |
0,11 |
370 |
- |
|
|
4.7. Административно-бытовые здания и помещения общезаводского назначения |
0,55 |
0,1 |
230 |
- |
|
|
4.8. Электроосвещение всех помещений и площадок производственных корпусов |
0,85 |
0,137 |
40 |
- |
|
|
4.9. Электроосвещение территории завода |
1,0 |
2,3·10-4 |
0,4 |
- |
|
|
5. Автобусные заводы |
0,3 |
0,12 |
450 |
6700 / |
|
|
5.1. Главный корпус, в том числе: |
0,36 |
0,1 |
360 |
1020 / |
|
|
5.1.1. Сборочно-сварочный цех |
0,35 |
0,08 |
216 |
- |
|
|
5.1.2. Цех механической обработки деталей |
0,18 |
0,06 |
198 |
- |
|
|
5.1.3. Цех термической обработки деталей |
0,5 |
0,7 |
4500 |
- |
|
|
5.1.4. Цех металлопокрытий |
0,4 |
0,07 |
236 |
- |
|
|
5.1.5. Цех окраски |
0,45 |
0,18 |
695 |
- |
|
|
5.1.6. Цех сборки и испытаний автобусов |
0,3 |
0,03 |
90 |
- |
|
|
5.2. Механо-сборочный корпус |
0,32 |
0,13 |
550 |
3500 / шт |
|
|
5.3. Прессово-кузовной корпус |
0,37 |
0,12 |
500 |
1270 / шт |
|
|
5.4. Автоматно-механический цех |
0,3 |
0,17 |
440 |
560 / т |
|
|
5.5. Сдаточный корпус |
0,31 |
0,1 |
350 |
320 / шт |
|
|
5.6. Деревообрабатывающий корпус (без электрич. сушки древесины) |
0,35 |
0,11 |
290 |
395 / м3 |
|
|
5.7. Литейный цех |
0,55 |
0,27 |
880 |
1150 / т |
|
|
5.8. Корпус вспомогательных цехов |
0,31 |
0,11 |
330 |
- |
|
|
5.9. Корпуса (цехи), здания и сооружения вспомогательных производств и подсобных служб |
0,34 |
0,1 |
300 |
- |
|
|
5.10. Административно-бытовые здания и помещения общезаводского назначения |
0,6 |
0.1 |
240 |
- |
|
|
5.11. Электроосвещение всех помещений и площадок производственных корпусов |
0,85 |
0,014 |
45 |
- |
|
|
5.12. Электроосвещение территории завода |
1,0 |
2,6·10-4 |
0,7 |
- |
|
|
6. Заводы автомобильных двигателей |
0,35 |
0,17 |
700 |
3875 / шт |
|
|
6.1. Главный корпус, в том числе: |
0,31 |
0,14 |
54. |
2360 / шт |
|
|
6.1.1. Механо-сборочный |
0,25 |
0,09 |
350 |
- |
|
|
6.1.2. Автоматный цех |
0,28 |
0,08 |
380 |
- |
|
|
6.1.3. Термический цех |
0,55 |
1,0 |
4200 |
- |
|
|
6.1.4. Цех металлопокрытий |
0,4 |
0,2 |
750 |
- |
|
|
6.1.5. Цех окраски |
0,5 |
0,15 |
600 |
- |
|
|
6.1.6. Цех сборки, испытаний и сдачи двигателей |
0,16 |
0,11 |
520 |
- |
|
|
6.2. Механо-сборочный корпус |
0,22 |
0,1 |
580 |
975 / шт |
|
|
6.3. Кузнечный корпус (молотов. обор.) |
0,38 |
0,22 |
1250 |
480 / т |
|
|
6.4. Сталелитейное производство |
0,55 |
0,6 |
2450 |
3000 / т |
|
|
6.5. Чугунолитейное производство |
0,55 |
0,42 |
2000 |
2200 / т |
|
|
6.6. Производство цветного литья |
0,55 |
0,4 |
1600 |
2350 / т |
|
|
6.7. Прессово-сварочвое производство |
0,35 |
0,1 |
390 |
278 / т |
|
|
6.8. Термогальванический корпус, в том числе: |
0,45 |
0,25 |
960 |
680 / т |
|
|
6.8.1. Термический цех |
0,55 |
0,4 |
1030 |
1200 / т |
|
|
6.8.2. Цех металлопокрытий |
0,4 |
0,15 |
580 |
25 / м2 |
|
|
6.9. Деревообрабатывающий корпус (без электрич. сушки древесины) |
0,35 |
0,1 |
420 |
198 / м3 |
|
|
6.10. Производство капитального ремонта автомобильных двигателей, в том числе: |
0,3 |
0,12 |
680 |
2500 / шт |
|
|
6.10.1. Главный корпус |
0,28 |
0,11 |
450 |
2250 / шт |
|
|
6.10.2. Станция испытаний двигателей |
0,32 |
0,22 |
890 |
- |
|
|
6.11.Корпус вспомогательных цехов |
0,29 |
0,1 |
350 |
- |
|
|
6.12.Корпуса (цехи), здания и сооружения производств и подсобных служб |
0,34 |
0,12 |
390 |
- |
|
|
6.13. Административно-бытовые здания и помещения общезаводского назначения |
0,55 |
0,1 |
254 |
- |
|
|
6.14. Электроосвещение всех помещении и площадок производственных корпусов |
0,85 |
0,018 |
40 |
- |
|
|
6.15. Электроосвещение территории завода |
1,0 |
3,5·10-4 |
0,6 |
- |
|
|
7. Заводы мотоциклов с колясками |
0,35 |
0,13 |
570 |
1588 / шт |
|
|
7.1. Механо-сборочный корпус, в том числе: |
0,35 |
0,21 |
880 |
260 / шт |
|
|
7.1.1. Цех механической обработки деталей |
0,27 |
0,1 |
370 |
- |
|
|
7.1.2. Автоматный цех |
0,19 |
0,07 |
270 |
- |
|
|
7.1.3. Цех сборки и сварки |
0,28 |
0,16 |
620 |
- |
|
|
7.1.4. Термический цех |
0,5 |
0,3 |
1180 |
- |
|
|
7.2. Моторный корпус, в том числе: |
0,32 |
0,21 |
850 |
200 / шт |
|
|
7.2.1. Механический цех |
0,25 |
0,1 |
500 |
- |
|
|
7.2.2. Термический цех |
0,5 |
0,6 |
2430 |
- |
|
|
7.2.3. Цех сборки и испытаний |
0,15 |
0,06 |
30 |
- |
|
|
7.3. Сборочно-сварочный корпус, в том числе: |
0,35 |
0,2 |
830 |
1000 / т |
|
|
7.3.1. Прессовый цех |
0,35 |
0,1 |
380 |
- |
|
|
7.3.2. Сварочный цех |
0,3 |
0,2 |
800 |
- |
|
|
7.3.3. Сборочный цех |
0,2 |
0,03 |
120 |
- |
|
|
7.3.4. Окрасочный цех |
0,45 |
0,35 |
1370 |
- |
|
|
7.4. Гальванический корпус |
0,4 |
0,13 |
500 |
572 / т |
|
|
7.5. Корпус цветного литья |
0,55 |
0,27 |
1030 |
2600 / т |
|
|
7.6. Корпус чугунного литья |
0,5 |
0,41 |
1640 |
2100 / т |
|
|
7.7. Кузнечный корпус (молотов. обор.) |
0,38 |
0,25 |
900 |
1100 / т |
|
|
7.8. Корпус запасных частей |
0,25 |
0,1 |
350 |
1000 / т |
|
|
7.9. Корпус вспомогательных мхов |
0,3 |
0,1 |
470 |
- |
|
|
7.10 .Корпуса (цехи), здания и сооружения вспомогательных производств и подсобных служб |
0,35 |
0,07 |
230 |
- |
|
|
7.11. Административно-бытовые здания и помещения общезаводского назначения |
0,55 |
0,1 |
240 |
. |
|
|
7.12. Электроосвещение всех помещений и площадок производственных корпусов |
0,85 |
0,014 |
40 |
- |
|
|
7.13. Электроосвещение территории завода |
1,0 |
2,4·10-4 |
0,5 |
- |
|
|
8. Мотоциклетные заводы без колясок и велосипедные заводы |
0,32 |
0,1 |
370 |
650 / шт |
|
|
8.1. Механо-сборочный корпус, в том числе: |
0,2 |
0,1 |
300 |
130 / шт |
|
|
8.1.1. Механический цех |
0,18 |
0,1 |
380 |
- |
|
|
8.1.2. Автоматный цех |
0,2 |
0,1 |
460 |
- |
|
|
8.1.3. Термический участок |
0,55 |
0,4 |
3100 |
- |
|
|
8.1.4. Гальванический цех |
0,35 |
0,2 |
520 |
- |
|
|
8.2. Сварочно-сборочный корпус, в том числе: |
0,3 |
0,18 |
400 |
460 / т |
|
|
8.2.1. Сварочный цех |
0,2 |
0,05 |
185 |
- |
|
|
8.2.2. Сборочный цех |
0,25 |
0,2 |
300 |
- |
|
|
8.2.3. Окрасочный участок |
0,5 |
0,5 |
980 |
- |
|
|
8.3.4. Сдаточный участок |
0,42 |
0,05 |
140 |
- |
|
|
8.3. Литейное производство |
0,55 |
0,33 |
1700 |
1470 / т |
|
|
8.4. Кузнечный корпус |
0,38 |
0,12 |
770 |
550 / т |
|
|
8.5. Цех металлопокрытий |
0,4 |
0,12 |
440 |
550 / т |
|
|
8.6. Моторный корпус, в том числе: |
0,25 |
0,22 |
855 |
150 / т |
|
|
8.6.1. Механически цех |
0,25 |
0,13 |
380 |
- |
|
|
8.6.2. Термический цех |
0,5 |
0,6 |
2430 |
- |
|
|
8.6.3. Автоматный цех |
0,2 |
0,08 |
275 |
- |
|
|
8.6.4. Цех сборки и испытаний |
0,15 |
0,06 |
30 |
- |
|
|
8.7. Прессово-сварочный корпус, в том числе: |
0,35 |
0,1 |
250 |
220 / т |
|
|
8.7.1. Прессовый цех |
0,35 |
0,07 |
230 |
- |
|
|
8.7.2. Сварочный цех |
0,28 |
0,16 |
522 |
- |
|
|
8.7.3. Окрасочный цех |
0,5 |
0,15 |
600 |
- |
|
|
8.8. Корпус запасных частей |
0,25 |
0,1 |
390 |
700 / т |
|
|
8.9. Корпуса (цехи), здания и сооружения вспомогательных производств и подсобных служб |
0,32 |
0,08 |
250 |
- |
|
|
8.10. Административно-бытовые здания и помещения общезаводского назначения |
0,55 |
0,1 |
200 |
- |
|
|
8.11. Электроосвещение всех помещений и площадок производственных корпусов |
0,85 |
0,017 |
38 |
- |
|
|
8.12. Электроосвещение территории завода |
1,0 |
2,0·10-4 |
0,5 |
- |
|
|
9. Автоагрегатные заводы |
0,3 |
0,13 |
380 |
365 / комп |
|
|
9.1. Механо-сборочный корпус, в том числе: |
0,3 |
0,12 |
470 |
- |
|
|
9.1.1. Цех механической обработки деталей |
0,25 |
0,14 |
|
- |
|
|
9.1.2. Заготовительный участок |
0,15 |
0,25 |
755 |
- |
|
|
9.1.3. Термический цех |
0,55 |
0,6 |
3200 |
- |
|
|
9.1.4. Цех металлопокрытий |
0,4 |
0,1 |
400 |
- |
|
|
9.1.5. Участок окраски |
0,5 |
0,3 |
700 |
- |
|
|
9.2. Лабораторно-экспериментальный корпус |
0,3 |
0,1 |
214 |
- |
|
|
9.3 Кузнечный корпус (молот. оборуд.) |
0,38 |
0,16 |
640 |
1100 / т |
|
|
9.4. Деревообрабатывающий корпус (с электр. суш. древесины) |
0,45 |
0,07 |
260 |
1300 / м3 |
|
|
9.5. Корпуса (цехи), здания и сооружения вспомогательных производств и подсобных служб |
0,35 |
0,08 |
250 |
- |
|
|
9.6. Административно-бытовые здания и помещения общезаводского назначения |
0,53 |
0,1 |
230 |
- |
|
|
9.7. Электроосвещение всех помещений и площадок производственных корпусов |
0,85 |
0,016 |
40 |
- |
|
|
9.8. Электроосвещение территории завода |
1,0 |
2,0·10-4 |
0,45 |
- |
|
|
10. Заводы автотракторного электрооборудования и приборов |
0,35 |
0,1 |
400 |
- |
|
|
10.1. Прессовый цех |
0,35 |
0,12 |
390 |
- |
|
|
10.2. Автоматный цех |
0,28 |
0,17 |
480 |
- |
|
|
10.3. Механический цех |
0,23 |
0,1 |
300 |
- |
|
|
10.4. Цех металлопокрытий |
0,4 |
0,27 |
940 |
- |
|
|
10.5. Цех окраски |
0,45 |
0,3 |
1000 |
- |
|
|
10.6. Цех намотки |
0,2 |
0,09 |
240 |
- |
|
|
10.7. Термический цех |
0,5 |
0,4 |
1250 |
- |
|
|
10.8. Цех сборки |
0,25 |
0,07 |
280 |
- |
|
|
10.9. Цех вспомогательных и подсобных служб |
0,32 |
0,07 |
200 |
- |
|
|
10.10. Административно-бытовые здания и помещения общезаводского назначения |
0,55 |
0,1 |
230 |
- |
|
|
10.11. Электроосвещение всех помещений и площадок производственных корпусов |
0,85 |
0,09 |
- |
- |
|
|
10.12. Электроосвещение территории завода |
1,0 |
2,6·10-4 |
0,5 |
- |
|
|
11. Заводы автонормалей |
0,28 |
0,1 |
265 |
1450 / т |
|
|
11.1. Главный корпус |
0,26 |
0,18 |
560 |
1200 / т |
|
|
11.2. Корпус вспомогательных цехов |
0,3 |
0,15 |
237 |
- |
|
|
11.3. Корпуса (цехи), здания и сооружения вспомогательных производств и подсобных служб |
0,33 |
0,07 |
230 |
- |
|
|
11.4. Административно-бытовые здания и помещения общезаводского назначения |
0,55 |
0,1 |
237 |
- |
|
|
11.5. Электроосвещение всех помещений и площадок производственных корпусов |
0,85 |
0,02 |
40 |
- |
|
|
11.6. Электроосвещение территории завода |
1,0 |
2,3·10-4 |
0,4 |
- |
|
|
12. Подшипниковые заводы |
0,32 |
0,21 |
850 |
5,6 / шт |
|
|
12.1. Главный корпус, в том числе: |
0,38 |
0,2 |
790 |
2,4 / шт |
|
|
12.1.1. Цех механической обработки деталей подшипников |
0,28 |
0,14 |
510 |
- |
|
|
12.1.2. Автоматно-токарный чех |
0,3 |
0,13 |
600 |
- |
|
|
12.1.3. Термический цех |
0,55 |
0,9 |
3600 |
- |
|
|
12.1.4. Шлифовально-сборочный цех |
0,26 |
0,03 |
90 |
- |
|
|
12.2. Кузнечно-литейный корпус, в том числе: |
0,45 |
0,4 |
1240 |
1910 |
|
|
12.2.1. .Кузнечный цех |
0,38 |
0,37 |
665 |
970 / т |
|
|
12.2.2. Литейный цех |
0,55 |
0,5 |
1750 |
450/ |
|
|
12.3. Кузнечно-прессовый корпус, в том числе: |
0,38 |
0,6 |
3700 |
320 / т |
|
|
12.3.1. Молотовый кузнечный цех |
0,38 |
0,3 |
580 |
- |
|
|
12.4. Блок производственных цехов, в том числе: |
0,34 |
0,24 |
870 |
- |
|
|
12.4.1. Цех мелких серий подшипников |
0,28 |
0,23 |
820 |
- |
|
|
12.4.2. Дох точных подшипников |
0,27 |
0,25 |
930 |
- |
|
|
12.4.3. Цех автоматических линий |
0,35 |
0,32 |
1450 |
- |
|
|
12.4.4. Цех нестандартизированного оборудования |
0,3 |
0,07 |
147 |
- |
|
|
12.4.5. Сепараторный цех |
0,26 |
0,11 |
415 |
- |
|
|
12.5. Абразивно-алмазный цех |
0,35 |
0,144 |
685 |
- |
|
|
12.6. Корпуса (цехи), здания, сооружения вспомогательных производств и подсобных служб |
0,32 |
0,08 |
280 |
- |
|
|
12.7. Административно-бытовые здания и помещения общезаводского назначения |
0,6 |
0,1 |
250 |
- |
|
|
12.8. Электроосвещение всех помещений и площадей производственных корпусов |
0,85 |
0,018 |
37 |
- |
|
|
12.9. Электроосвещение территории завода |
1,0 |
2,6·10-4 |
0,6 |
- |
|
|
13. Кузнечные заводы |
0,38 |
0,22 |
880 |
1240 / т |
|
|
13.1. Кузнечный корпус с прессовым оборудованием, в том числе: |
0,4 |
0,23 |
940 |
1060 / т |
|
|
13.1.1. Штамповочный цех |
0,4 |
0,2 |
840 |
- |
|
|
13.1.2. Термический цех |
0,55 |
0,15 |
810 |
- |
|
|
13.1.3. Заготовительный цех |
0,4 |
0,12 |
380 |
- |
|
|
13.1.4. Цех автоматических линий |
0,35 |
0,4 |
1330 |
- |
|
|
13.2. Кузнечный корпус с молотовым оборудованием, в том числе: |
0,35 |
0,23 |
1200 |
1150 / т |
|
|
13.2.1. Молотовый цех |
0,35 |
0,45 |
1150 |
- |
|
|
13.2.2. Термический цех |
0,55 |
0,6 |
2700 |
- |
|
|
13.2.3. Заготовительный участок |
0,3 |
0,2 |
540 |
- |
|
|
13.3. Корпуса (цехи), здания и сооружения вспомогательных производств и подсобных служб |
0,32 |
0,2 |
320 |
- |
|
|
13.4. Административно-бытовые здания и помещения общезаводского назначения |
0,55 |
0,1 |
235 |
- |
|
|
13.5. Электроосвещение всех помещений и площадок производственных корпусов |
0,85 |
0,015 |
40 |
- |
|
|
13.6. Электроосвещение территории завода |
1,0 |
2,6·10-4 |
0,45 |
- |
|
|
14. Литейные заводы |
0,46 |
0,25 |
1450 |
3250 / т |
|
|
14.1. Чугуно-литейный корпус, в том числе: |
0,55 |
0,3 |
1580 |
2840 / т |
|
|
14.1.1. Плавильный цех |
0,55 |
1,75 |
9200 |
- |
|
|
14.1.2. Заливочно-формовочный цех |
0,4 |
0,15 |
520 |
- |
|
|
14.1.3. Стержневой цех |
0,4 |
0,016 |
60 |
- |
|
|
14.1.4. Термообрубной цех |
0,5 |
0,07 |
260 |
- |
|
|
14.1.5. Смесеприготовительный участок |
0,45 |
0,25 |
1120 |
- |
|
|
14.2. Корпус стального литья, в том числе: |
0,55 |
0,32 |
1800 |
3036 / т |
|
|
14.2.1. Плавильный участок |
0,55 |
1,05 |
35000 |
- |
|
|
14.2.2. Заливочно-формовочный выбивной участок |
0,4: |
1,03 |
360 |
- |
|
|
14.2.3. Смесеприготовительный участок |
0,45 |
0,4 |
1100 |
- |
|
|
14.2.4. Стержневой участок |
0,4 |
0,2 |
50 |
- |
|
|
14.2.5. Термообрубной участок |
0,5 |
0,07 |
260 |
- |
|
|
14.3. Корпус цветного литья, в том числе: |
0,55 |
0,3 |
850 |
4500 / т |
|
|
14.3.1. Цех алюминиевого литья |
0,55 |
0,4 |
1500 |
4600 / т |
|
|
14.3.2. Цех бронзового, цинкового и латунного литья |
0,5 |
0,4 |
1600 |
3400 / т |
|
|
14.4. Корпус точного стального литья |
0,55 |
0,3 |
1420 |
8500 / т |
|
|
14.5. Корпуса (цехи), здания и сооружения вспомогательных производств и подсобных служб |
0,3 |
0,1 |
325 |
- |
|
|
14.6. Административно-бытовые здания и помещения общезаводского назначения |
0,55 |
0,1 |
240 |
- |
|
|
14.7. Электрическое освещение всех помещений и площадок производственных корпусов |
0,85 |
0,021 |
60 |
- |
|
|
14.8. Электрическое освещение территории завода |
1,0 |
2,8·10-4 |
0,4 |
- |
|
|
15. Заводы автомобильных прицепов |
0,37 |
0,2 |
782 |
7100 / шт |
|
|
15.1. Главный корпус, в том числе: |
0,39 |
0,2 |
618 |
1340 / шт |
|
|
15.1.1. Механо-сборочный цех |
0,3 |
0,095 |
283 |
- |
|
|
15.1.2. Автоматный цех |
0,35 |
0,116 |
300 |
- |
|
|
15.1.3. Термический цех |
0,5 |
0,33 |
1600 |
- |
|
|
15.1.4. Цех металлопокрытий |
0,4 |
0,132 |
370 |
- |
|
|
15.1.5. Цех окраски |
0,45 |
0,415 |
1280 |
- |
|
|
15.1.6. Цех сборки и сдачи |
0,35 |
0,056 |
180 |
- |
|
|
15.2. Прессово-сварочный корпус, в том числе: |
0,35 |
0,161 |
430 |
200 / |
|
|
15.2.1. Сборочно-сварочный цех |
0,23 |
0,28 |
460 |
- |
|
|
15.2.2. Цех холодной штамповки |
0,27 |
0,054 |
185 |
- |
|
|
15.2.3. Сталелитейный корпус, в том числе: |
0,55 |
0,75 |
3600 |
3500 |
|
|
15.3.1. Плавильный участок |
0,55 |
2,4 |
11000 |
- |
|
|
15.3.2. Термообрубной участок |
0,5 |
0,18 |
580 |
- |
|
|
15.3.3. Формовочно-заливочный участок |
0,4 |
0,056 |
165 |
- |
|
|
15.3.4. Стержневой участок |
0,4 |
0,35 |
1025 |
- |
|
|
15.3.5. Окрасочный участок |
0,45 |
0,12 |
340 |
- |
|
|
15.4. Чугуно-литейный корпус, в том числе: |
0,5 |
0,54 |
2000 |
2500 / т |
|
|
15.4.1. Плавильный участок |
0,55 |
1,1 |
3400 |
- |
|
|
15.4.2. Формовочно-заливочный участок |
0,4 |
0,056 |
1380 |
- |
|
|
15.4.3. Стержневой участок |
0,4 |
0,087 |
285 |
- |
|
|
15.4.4. Термообрубной участок |
0,5 |
0,17 |
570 |
- |
|
|
15.4.5. Окрасочный участок |
0,45 |
0,098 |
300 |
- |
|
|
15.5. Блок литейных цехов, в том числе: |
0,4 |
0,34 |
1180 |
- |
|
|
15.5.1. Ремонтно-литейный цех |
0,4 |
0,5 |
1100 |
- |
|
|
15.5.2. Цех точного литья |
0,5 |
0,9 |
1200 |
- |
|
|
15.5.3. Цех цветного литья |
0,5 |
1,1 |
3600 |
- |
|
|
15.6. Кузнечный корпус, в том числе: |
0,4 |
0,54 |
1750 |
1250 / т |
|
|
15.6.1. Заготовительный участок |
0,4 |
0,24 |
700 |
- |
|
|
15.6.2. Кузнечно-штамповочный участок |
0,45 |
1,35 |
4500 |
- |
|
|
15.6.3. Термический участок |
0,55 |
0,29 |
1250 |
- |
|
|
15.6.4. Окрасочный участок |
0,45 |
0,6 |
1470 |
- |
|
|
15.6.5. Ремонтно-кузнечный участок |
0,4 |
0,142 |
376 |
- |
|
|
15.7. Деревообрабатывающий корпус (с част. электр. суш. древесины) |
0,4 |
0,09 |
220 |
870 / м3 |
|
|
15.8. Корпус вспомогательных цехов |
0,31 |
0,12 |
460 |
- |
|
|
15.9. Корпуса (цехи), здания и сооружения вспомогательных производств и подсобных служб |
0,33 |
0,11 |
380 |
- |
|
|
15.10 Административно-бытовые здания и помещения общезаводского назначения |
0,56 |
0,1 |
250 |
- |
|
|
15.11. Электроосвещение помещений производственных корпусов |
0,85 |
0,016 |
44 |
- |
|
|
15.12. Электроосвещение территории завода |
1,0 |
2,8·10-4 |
0,5 |
- |
|
|
16. Рессорные заводы |
0,38 |
0,17 |
630 |
360 / т |
|
|
16.1. Корпус рессор, в том числе: |
0,38 |
0,14 |
660 |
300 / т |
|
|
16.1.1. Заготовительный цех |
0,35 |
0,13 |
472 |
- |
|
|
16.1.2. Прессовый цех |
0,36 |
0,1 |
310 |
- |
|
|
16.1.3. Термический цех |
0,55 |
0,5 |
2000 |
- |
|
|
16.1.4. Цех окраски |
0,5 |
0,3 |
1250 |
- |
|
|
16.1.5. Цех сборки и испытаний рессор |
0,21 |
0,004 |
140 |
- |
|
|
16.1.6. Цех комплектации |
0,4 |
0,003 |
60 |
- |
|
|
16.2. Корпус вспомогательных цехов |
0,3 |
0,13 |
460 |
- |
|
|
16.3. Корпуса (цехи), здания и сооружения вспомогательных производств и подсобных служб |
0,33 |
0,08 |
260 |
- |
|
|
16.4. Административно-бытовые здания и помещения общезаводского назначения |
0,53 |
0,1 |
230 |
- |
|
|
16.5. Электроосвещение помещений производственных корпусов |
0,85 |
0,025 |
40 |
- |
|
|
16.6. Электроосвещение территории завода |
1,0 |
2,3·10-4 |
0,45 |
- |
|
|
17. Колесные заводы |
0,37 |
0,29 |
1080 |
450 / т |
|
|
17.1. Колесный корпус, в том числе: |
0,35 |
0,125 |
940 |
325 / т |
|
|
17.1.1. Заготовительный цех |
0,37 |
0,155 |
370 |
- |
|
|
17.1.2. Производство колес |
0,32 |
0,38 |
1500 |
- |
|
|
17.1.3. Цех окраски колес |
0,5 |
0,42 |
1250 |
- |
|
|
17.1.4. Цех комплектации |
0,4 |
0,002 |
62 |
- |
|
|
17.2. Корпус вспомогательных цехов |
0,3 |
0,13 |
400 |
- |
|
|
17.3. Корпуса (цехи), здания и сооружения вспомогательных производств и подсобных служб |
0,35 |
0,1 |
300 |
- |
|
|
17.4. Административно-бытовые здания и помещения общезаводского назначения |
0,55 |
0,1 |
260 |
- |
|
|
17.5. Электроосвещение помещений производственных корпусов |
0,85 |
0,02 |
45 |
- |
|
|
17.6. Электроосвещение территории завода |
1,0 |
2,3·10-4 |
0,42 |
- |
|
Таблица 1.2
Нормативы удельных показателей потребляемой мощности и расхода электроэнергии для проектирования предприятий минавтопрома
|
Заводы |
Коэфф. спроса Кс |
Удельная потребляемая мощн. на 1 м2 общ. пл. кВт/м2 |
Расход эл. энергии, кВт/ч/год на: |
|
|
1 м2 общей площади |
единицу готовой продукции шт., т., м2 и т.п. |
|||
|
1 |
2 |
3 |
4 |
5 |
|
1. Легковых автомобилей |
0,38 |
0,16 |
620 |
150 / шт |
|
2. Грузовых автомобилей грузоподъемн. от 1 до 8 т |
0,36 |
0,17 |
640 |
15750 / шт |
|
3. Грузовых автомобилей грузоподъемн. от 8 до 16 т |
0,38 |
0,18 |
730 |
22000 / шт |
|
4. Грузовых автомобилей грузоподъемностью выше 16 т |
0,35 |
0,1 |
320 |
25000 / шт |
|
5. Автобусные |
0,3 |
0,12 |
450 |
6700 / шт |
|
6. Автомобильных двигателей |
0,35 |
0,17 |
700 |
3875 / шт |
|
7. Мотоциклов с колясками |
0,35 |
0,18 |
570 |
1580 / шт |
|
8. Мотоциклов без колясок, велосипедные |
0,32 |
0,12 |
370 |
650 / шт |
|
9. Автоагрегатные |
0,28 |
0,13 |
380 |
365 / комп. |
|
10. Автотракторного электрооборудования и приборов |
0,35 |
0,13 |
400 |
- |
|
11. Автонормалей |
0,28 |
0,1 |
265 |
1450 / т |
|
12. Подшипниковые |
0,32 |
0,21 |
850 |
5,6 / шт |
|
13. Кузнечные |
0,30 |
0,22 |
880 |
1240 / т |
|
14. Литейные |
0,5 |
0,25 |
1450 |
3250 / т |
|
15. Автомобильных прицепов |
0,37 |
0,2 |
782 |
7100 / шт |
|
16. Рессорные |
0,3 |
0,17 |
630 |
350 / т |
|
17. Колесные |
0,37 |
0,29 |
1080 |
450 / т |
Таблица 1.3
Расчетные коэффициенты электрических нагрузок характерных групп электроприемников для проектирования предприятий Минавтопрома
|
Электроприемники |
Коэффициент |
||
|
использования |
мощности |
спроса |
|
|
1 |
2 |
3 |
4 |
|
1. Металлорежущие станки с легким режимом работы: мелкие токарные, сверлильные, фрезерные, строгальные, долбежные, точильные, карусельные и т.п. |
0,10 |
0,50 |
- |
|
2. То же, с тяжелым режимом работы: зубофрезерные, обдирочные, револьверные, станки-автоматы и полуавтоматы, агрегатные станки, прессы механические, а также крупные токарные, строгальные, фрезерные, расточные, карусельные, резьбонарезные, отрезные станки |
0,13 |
0,65 |
- |
|
3. То же с особо тяжелым режимом работы: приводы молотов, ковочных машин, машин гибочных и правильных, прессы гидравлические и гибочно-штамповочные, станки для навивки пружин, а также особо крупные токарные, строгальные, фрезерные, расточные; карусельные и т.п. ставки |
0,15 |
0,65 |
- |
|
4. Многошпиндельные автоматы для изготовления деталей из прутков (болтов, шпилек, стержней, гаек, шайб, колец для подшипников и т.п.) |
0,15 |
0,65 |
- |
|
5. Автоматы и полуавтоматы для холодной штамповки, изготовления винтов, шурупов и шплинтов, штамповки шариков и роликов, автоматы резьбонакатные и горячештамповочные |
0,17 |
0,65 |
- |
|
6. Поточные линии механообработки |
0,20 |
0,65 |
- |
|
7. Поточно-механизированные линии холодной штамповки |
0,35 |
0,70 |
- |
|
8. Поточные линии кузнечно-прессового производства |
0,38 |
0,70 |
- |
|
9. Автоматические линии механообработки |
0,30 |
0,65 |
- |
|
10. Автоматические линии холодной штамповки |
0,40 |
0,70 |
- |
|
11. Автоматические линии кузнечно-прессового производства |
0,43 |
0,70 |
- |
|
12. Автоматические линии протяжки и калибровки металла |
0,25 |
0,65 |
- |
|
13. Ножницы листовые, сортовые, фасонные, скрепные, арматурные |
0,12 |
0,50 |
- |
|
14. Автоматические линии для резки рулонного металлического листа |
0,23 |
0,65 |
- |
|
15. Различные мелкомоторные станки, механизмы и приборы лабораторий |
0,08 |
0,5 |
- |
|
16. Станки шлифовальные и шлифовально-копировальные |
0,6 |
0,50 |
- |
|
17. Автоматы шлифовально-полировочные, специальные подшипниковые шлифовальные станки |
0,25 |
0,65 |
- |
|
18. Бегуны, смесители, решетки выбивные, грохоты, сито вибрационное, сито барабанное, камеры дробометные, барабаны очистные галтовочные, барабаны дробометные, шаровые мельницы, дробилки щековые, дробилки молотковые, дробилки валиковые и т.п. механизмы литейных цехов |
0,15 |
0,65 |
- |
|
19. Машины для литья под давлением, машины формовки, обжига, заливки, охлаждения и выбивки отливок для литья в моделях; машины для изготовления оболочковых форм, машины для удаления литников и прибылей |
0,16 |
0,50 |
- |
|
20. Автоматические комплексные линии формовки, заливки, выбивки отливок, автоматические линии изготовления отливок из цветных металлов |
0,27 |
0,65 |
- |
|
21. Вентиляторы и насосы технологические, компрессоры, центрифуги, двигатель-генераторы, воздуходувки |
0,55 |
0,80 |
- |
|
22. Вентиляторы сантехнические (вытяжная вентиляция) |
0,50 |
0,80 |
- |
|
23. Вентиляторы с калориферами, кондиционеры с насосами, отопительные агрегаты (приточная вентиляция) |
0,60 |
0,80 |
- |
|
24. Тепловые завесы |
0,55 |
0,80 |
|
|
25. Насосы водоснабжения (I-й и II-й подъемы) |
0,60 |
0,80 |
- |
|
26. Насосы оборотной системы водоснабжения |
0,65 |
0,80 |
- |
|
27. Насосы промстоков и бытовой канализации |
0,50 |
0,80 |
- |
|
28. Дымососы, вентиляторы и насосы производственных котельных |
0,60 |
0,80 |
- |
|
29. Краны мостовые, козловые, грейферные, кран-балки, тельферы, лифты при ПВ = 25 % |
0,05 |
0,45 |
- |
|
30. То же, при ПВ = 40 % |
0,10 |
0,50 |
- |
|
31. Транспортеры, конвейеры, элеваторы, шнеки несблокированные |
0,30 |
0,65 |
- |
|
32. То же, сблокированные |
0,40 |
0,70 |
- |
|
33. Рольганги, подъемные столы толкатели, сварочные столы, манипуляторы механические, вращатели, планшайбы, колонки, тележки и т.д. |
0,06 |
0,50 |
- |
|
34. Электроинструмент переносной |
0,05 |
0,45 |
- |
|
35. Электрические печи сопротивления (камерные, шахтные и др.), нагревательные аппараты, сушильные шкафы, ванны и т.п., периодического действия |
0,50 |
0,95 |
- |
|
36. Электрические печи сопротивления (конвейерные, рольганговые, карусельные и др.), камеры сушки, сушильные шкафы, ванны и т.п., непрерывного действия |
0,60 |
0,95 |
- |
|
37. Автоматические и полуавтоматические линии термообработки изделий, деталей, инструмента |
0,65 |
0,90 |
- |
|
38. Лабораторные нагревательные приборы, автоклавы, сушильные ящики и т.п. |
0,30 |
0,95 |
- |
|
39. Мелкие нагревательные приборы в производственных цехах (плитки, рефлекторы, клееварки и т.п.) |
0,25 |
0,95 |
- |
|
40. Нагревательные приборы аппараты (печи сопротивление) в административно-бытовых помещениях и медико-санитарных службах |
0,40 |
0,95 |
|
|
41. Электрические печи индукционные низкой частоты (50 - 60 Гц) |
0,60 |
0,80 |
- |
|
42. Печи индукционные повышенной частоты (0,1 - 10 кГц) с собственными двигатель-генераторами или тиристорными преобразователями |
0,60 |
0,70 |
- |
|
43. Установки высокой частоты (10 кГц и выше) с ламповыми генераторами |
0,55 |
0,75 |
- |
|
44. То же, с двигатель-генераторами или тиристорными преобразователями |
0,50 |
0,70 |
- |
|
45. Генераторы повышенной частоты машинные и полупроводниковые |
0,60 |
0,80 |
- |
|
46. Автоматы и полуавтоматы для закалки ТВЧ |
0,60 |
0,85 |
- |
|
47. Дуговые сталеплавильные электропечи емкостью от 3 до 10 т, с автоматическим регулированием электродов, с механизированной загрузкой |
0,70 |
0,85 |
- |
|
48. То же, без механизированной загрузки |
0,55 |
0,80 |
- |
|
49. Дуговые сталеплавильные печи емкостью 0,5 - 1,5 т с автоматическим регулированием электродов, с ручной загрузкой |
0,50 |
0,75 |
- |
|
50. Дуговые электрические печи цветного металла емкостью 0,25 - 0,5 т с ручным регулированием электродов, с ручной загрузкой |
0,50 |
0,80 |
- |
|
51. То же, с механизированной загрузкой непрерывного действия |
0,60 |
0,85 |
- |
|
52. Рудно-термические печи с трехфазными трансформаторами 6,0; 7,5; 9,0 МВ·А |
0,70 |
0,00 |
- |
|
53. Нагреватели заклепок |
0,30 |
0,75 |
- |
|
54. Контактный нагреватель под штамповку |
0,40 |
0,75 |
- |
|
55. Электрооборудование механических и автоматических линий подготовки поверхности, металлических и неметаллических покрытий различных изделии (цинкование хромирование, анодирование, никелирование и т.п.) |
0,50 |
0,80 |
- |
|
56. Электродвигатели вспомогательного оборудования установок гальванопокрытий |
0,40 |
0,75 |
- |
|
57. Унифицированные камеры окраски (методом распыления, облива) |
0,55 |
0,70 |
- |
|
58. Автоматические комплексные линии лакокрасочных покрытий |
0,60 |
0,80 |
- |
|
59. Оборудование краскоприготовления (краскотерки, краскодробилки, краскомешалки, смесители) |
0,25 |
0,65 |
- |
|
60. Камеры охлаждения изделий после окраски и сушки |
0,55 |
0,70 |
- |
|
61. Выпрямительные устройства гальванических цехов |
0,50 |
0,80 |
- |
|
62. Сварочные трансформаторы дуговой ручной сварки: |
|
|
|
|
однопостовые |
0,17 |
0,35 |
- |
|
многопостовые |
0,20 |
0,35 |
- |
|
63. Сварочные двигатель-генераторы: |
|
|
|
|
однопостовые |
0,25 |
0,65 |
- |
|
многопостовые |
0,35 |
0,70 |
- |
|
64. Сварочные полупроводниковые преобразователи для ручной дуговой сварки: |
|
|
|
|
однопостовые |
0,25 |
0,35 |
- |
|
многопостовые |
0,35 |
0,40 |
- |
|
65. Сварочные трансформаторы и преобразователи автоматической и полуавтоматической дуговой сварки |
0,40 |
0,50 |
- |
|
66. Сварочные машины шовные |
0,25 |
0,65 |
- |
|
67. То же, стыковые и точечные |
0,35 |
0,60 |
- |
|
68. Сварочные машины многоэлектродные точечной сварки, машины сварки трением |
0,40 |
0,65 |
- |
|
69. Установки ручной плазменной сварки и резки |
0,30 |
0,60 |
- |
|
70. остановки автоматической и полуавтоматической плазменной сварки и резки |
0,40 |
0,60 |
- |
|
71. Установки электронно-лучевой сварки и сварки лазерным лучем |
0,35 |
0,50 |
- |
|
72. Поточно-механизированные и механизированные линии сварки |
0,40 |
0,60 |
- |
|
73. Автоматические линии дуговой сварки |
0,45 |
0,60 |
- |
|
74. Автоматические линии точечной сварки |
0,45 |
0,50 |
- |
|
75. Испытательные стенды мелкомоторные |
0,20 |
0,65 |
- |
|
76. Испытательные стенды крупномоторные |
0,25 |
0,65 |
- |
|
77. Испытательные лабораторные установки и приборы |
0,08 |
0,50 |
- |
|
78. Преобразовательные агрегаты зарядных станций |
0,40 |
0,70 |
- |
|
79. Приборы средств автоматизации технологических процессов и сантехнических установок |
0,14 |
0,65 |
- |
|
80. Магнитные сепараторы и улавливатели |
0,30 |
0,50 |
- |
|
81. Электрофильтры и механизмы пылеуборки |
0,35 |
0,70 |
- |
|
82. Устройства электропитания средств автоматизации |
0,50 |
0,80 |
- |
|
83. Электровычислительные машины и счетно-решающие устройства |
0,15 |
0,60 |
- |
|
84. Устройства электропитания узлов связи (заводские телефонные станции, АТС, радио и телевизионные узлы) |
0,60 |
0,80 |
- |
|
85. Станки механической разделки древесины (пилорамы, пилы циркульные, обрезные, балансирные, ленточные, станки делительные) |
0,20 |
0,65 |
- |
|
86. Станки для обработки пиломатериалов (долбежные, строгальные, фрезерные, токарные, сверлильные, фуговочные, рейсмусовые, шинорезные и т.п.) |
0,15 |
0,60 |
- |
|
87. Станки шлифовальные, полировальные, наждачные |
0,20 |
0,65 |
- |
|
88. Оборудование заточное и по уходу за деревообрабатывающим инструментом |
0,12 |
0,65 |
- |
|
89. Электроосвещение общее: |
|
|
|
|
а) мелкие производственные здания; |
- |
0,95 |
0,95 |
|
б) производственные здания, состоящие из отдельных помещений; |
- |
0,95 |
0,85 |
|
в) производственные здания, состоящие из отдельных крупных пролетов; |
- |
0,90 |
0,95 |
|
г) административно-бытовые здания библиотеки, предприятия общественного питания; |
- |
0,95 |
0,85 |
|
д) лечебные, детские, учебные учреждения, конструкторско-конторские и лабораторные корпуса; |
- |
0,95 |
0,80 |
|
е) складские здания, состоящие из многих отдельных помещений |
- |
0,95 |
0,60 |
|
ж) складские здания из отдельных крупных пролетов |
- |
0,90 |
0,70 |
|
90. Аварийное освещение |
- |
0,95 |
1,00 |
|
91. Освещение территории завода и открытых складов |
- |
0,90 |
1,00 |
Таблица 1.4
Годовое количество часов использования максимума активной нагрузки силовых электроприемников для предприятий Минавтопрома
|
Завод |
Годовое количество часов при числе смен (Тм), ч |
||
|
1 |
2 |
3 |
|
|
1. Легковых и грузовых грузоподъемностью до 1 т автомобилей |
1650 |
3225 |
4750 |
|
2. Грузовых автомобилей грузоподъемностью от 1 до 8 т |
1700 |
3300 |
4850 |
|
3. Грузовых автомобилей грузоподъемностью выше 8 т |
1750 |
3500 |
5000 |
|
4. Автобусный |
1620 |
3250 |
4700 |
|
5. Автомобильных прицепов, авторефрижераторов |
1600 |
3200 |
4700 |
|
6. Автомобильных двигателей |
1650 |
3300 |
4780 |
|
7. Мотоциклов, мопедов велосипедов |
1400 |
2950 |
3860 |
|
8. Подшипниковый |
1600 |
3200 |
4750 |
|
9. Кузнечный |
1700 |
3400 |
5000 |
|
10. Рессорный |
1400 |
2800 |
3550 |
|
11. Колесный |
1650 |
3300 |
4500 |
|
12. Авторемонтный |
1630 |
3250 |
- |
|
13. Производства запасных частей |
1600 |
3200 |
4700 |
|
14. Автоагрегатный, автотракторного электрооборудования |
1550 |
3100 |
4550 |
|
15. Автоаппаратуры |
1600 |
3200 |
4700 |
|
16. Автонормалей |
1500 |
3000 |
- |
Примечание: Для определения годового количества часов использования максимума реактивных нагрузок значения Тм, приведенные в таблице, следует увеличить на 10 %.
Таблица 1.5
Годовое количество часов использования максимума электрических нагрузок освещения для предприятий Минавтопрома
|
Рабочее освещение и аварийное для продолжения работы |
Аварийное освещение для эвакуации (Тмо), ч |
|||
|
при наличии естественного света |
при отсутствии естественного света |
при наличии естественного света |
при отсутствии естественного света |
|
|
1 |
1000 |
2200 |
4800 |
8760 |
|
2 |
2250 |
4300 |
4800 |
8760 |
|
3 |
4200 |
6500 |
4800 |
8760 |
Примечание: Годовое количество часов использования максимума электрических нагрузок освещения дано при пятидневной рабочей неделе с двумя выходными днями для географических широт от 45° до 65°
Таблица 2.1
Значения индуктивных сопротивлений читающей энергосистемы 10 (6) кВ в зависимости от ее мощности КЗ
|
Индуктивное сопротивление питающей энергосистемы в зависимости от ее мощности КЗ, мОм |
|||||||||
|
100 |
150 |
200 |
250 |
300 |
350 |
400 |
450 |
500 |
|
|
на стороне 0,4 кВ |
1,6 |
1,066 |
0,8 |
0,64 |
0,533 |
0,457 |
0,4 |
0,356 |
0,32 |
|
на стороне 0,69 кВ |
4,761 |
3,174 |
2,38 |
1,904 |
1,587 |
1,36 |
1,19 |
1,058 |
0,952 |
Таблица 2.2
Сопротивление проводов и трехжильных кабелей
|
Активное сопротивление при 20 °С жилы Ом/км |
Индуктивное сопротивление Ом/км |
|
|||||||
|
Кабель с поясной бумажной изоляцией напряжением, кВ |
Три провода в трубе и кабель с резиновой или поливинилхлоридной изоляцией |
||||||||
|
алюминиевой |
медной |
||||||||
|
1 |
6 |
10 |
20 |
35 |
|
||||
|
1 |
2 |
3 |
4 |
5 |
6 |
7 |
8 |
9 |
|
|
1 |
- |
18,5 |
- |
- |
- |
- |
- |
0,133 |
|
|
1,5 |
- |
12,3 |
- |
- |
- |
- |
- |
0,126 |
|
|
2,5 |
12,5 |
7,4 |
0,104 |
- |
- |
- |
- |
0,116 |
|
|
4 |
7,81 |
4,63 |
0,095 |
- |
- |
- |
- |
0,107 |
|
|
6 |
5,21 |
3,09 |
0,090 |
- |
- |
- |
- |
0,100 |
|
|
10 |
3,12 |
1,84 |
0,073 |
0,11 |
0,122 |
- |
- |
0,099 |
|
|
16 |
1,95 |
1,16 |
0,0675 |
0,102 |
0,113 |
- |
- |
0,095 |
|
|
25 |
1,25 |
0,74 |
0,0662 |
0,091 |
0,099 |
0,135 |
- |
0,091 |
|
|
35 |
0,894 |
0,53 |
0,0637 |
0,087 |
0,095 |
0,129 |
- |
0,088 |
|
|
50 |
0,625 |
0,37 |
0,0625 |
0,083 |
0,090 |
0,119 |
- |
0,085 |
|
|
70 |
0,447 |
0,265 |
0,0612 |
0,08 |
0,086 |
0,116 |
0,137 |
0,082 |
|
|
95 |
0,329 |
0,195 |
0,0602 |
0,078 |
0,083 |
0,11 |
0,126 |
0,081 |
|
|
120 |
0,261 |
0,154 |
0,0602 |
0,076 |
0,081 |
0,107 |
0,120 |
0,080 |
|
|
150 |
0,208 |
0,124 |
0,0596 |
0,074 |
0,079 |
0,104 |
0,116 |
0,079 |
|
|
185 |
0,169 |
0,100 |
0,0596 |
0,073 |
0,077 |
0,101 |
0,113 |
0,078 |
|
|
240 |
0,130 |
0,077 |
0,0587 |
0,071 |
0,075 |
- |
- |
0,077 |
|
Примечание:
Данные взяты из "Справочника по проектированию электрических сетей и электрооборудования", В.И. Крупович, Ю.Г. Барыбин, М.Л. Самовер, табл. 2-65, с. 163, Москва, Энергоиэдат, 1981 г.
Таблица 2.3
Технические данные и сопротивления (zт, xт, Rт) трансформаторов КТН 10 (6) кВ
|
Номинальная мощность КВ·А |
Номинальное напряжение НН, кВ |
Потери холостого хода, Вт |
Потери короткого замыкания, Вт |
Ток холостого хода, % |
Напряжение короткого замыкания, % |
zт мОм |
Rт мОм |
xт мОм |
|
|
1 |
2 |
3 |
4 |
6 |
6 |
7 |
8 |
9 |
10 |
|
ТСЗ-630/10 |
630 |
0,4 |
2000 |
7300 |
1,5 |
5,5 |
14 |
2,9 |
13,69 |
|
ТСЗУ-1000/10 |
1000 |
0,4 |
2450 |
10400 |
1,0 |
5,5 |
8,8 |
1,66 |
8,64 |
|
ТСЗУ-1600/10 |
1600 |
0,4 |
3400 |
17000 |
0,7 |
5,5 |
5,5 |
1,06 |
5,4 |
|
ТМЗ-630/10-73Т1(ТЗ) |
630 |
0,4 |
1680 |
5600 |
1,8 |
5,5 |
14 |
2,26 |
13,816 |
|
ТНЗ-630/10-73Т1(13) |
|||||||||
|
ТМЗ-1000/10-85У1.3 |
1000 |
0,4 |
1900 |
10800 |
1,2 |
5,5 |
8,8 |
1,728 |
8,628 |
|
ТНЗ-1000/10-85У1.3 |
|||||||||
|
ТМЗ-1600/10-85У1.3 |
1600 |
0,4 |
3300 |
16500 |
1,2 |
6,0 |
5,5 |
1,03 |
5,4 |
|
ТНЗ-1600/10-85У1.3 |
|||||||||
|
ТМЗ-2500/10-75У3 |
2500 |
0,4 |
4600 |
24000 |
1,0 |
6,0 |
3,5 |
0,614 |
3,44 |
|
ТНЗ-2500/10-75У3 |
|||||||||
|
ТСЗЛ-630/10 |
630 |
0,4 |
1650 |
7100 |
1,4 |
5,5 |
13,96 |
2,86 |
13,64 |
|
ТСЛ-630/10 |
6800 |
2,74 |
13,69 |
||||||
|
ТСЗЛ-1000/10 |
1000 |
0,4 |
2000 |
10200 |
1,0 |
5,5 |
8,8 |
1,63 |
8,65 |
|
ТСЛ -1000/10 |
9800 |
1,57 |
8,66 |
||||||
|
ТСЗЛ-1600/10 |
1600 |
0,4 |
2800 |
15000 |
0,7 |
5,5 |
5,5 |
1,5 |
5,29 |
|
ТСЛ-1600/10 |
13800 |
1,38 |
5,32 |
||||||
|
ТСЗЛ-2500/10 |
2500 |
0,4 |
4600 |
20500 |
0,65 |
6,0 |
3,84 |
0,524 |
3,8 |
Примечание:
Данные взяты из каталогов заводов-изготовителей - 03.20.01-80
03.20.07-82
03.20.11-86
03.03.02-77
03.35.15-85
Таблица 2.4
Значения активных и индуктивных сопротивлений автоматических выключателей (в которые входят сопротивления токовых катушек расцепителей и переходных подвижных контактов)
|
Iн, А |
Rа, мОм |
Ха, мОм |
|
50 |
7 |
4,5 |
|
70 |
3,5 |
2 |
|
100 |
2,15 |
1,2 |
|
140 |
1,3 |
0,7 |
|
200 |
1,1 |
0,5 |
|
400 |
0,65 |
0,17 |
|
600 |
0,41 |
0,13 |
|
1000 |
0,25 |
0,1 |
|
1600 |
0,14 |
0,06 |
|
2500 |
0,13 |
0,07 |
|
4000 |
0,1 |
0,05 |
Исследования показал, что величины сопротивлений выключателей определяются их номинальным током и не зависят от их типов.
Примечание:
Данные взяты из "Пособия по расчету токов короткого замыкания в сетях до 1000 В промышленных предприятий", выпущенных ВНИПИ ТПЭП, М., 1986 г, М 60407.
Таблица 2.5
Значения активных и индуктивных сопротивлений комплектных шинопроводов заводского изготовления до 1000 В
|
Тип шинопровода |
ШРА 73 ШРА 4 |
ШРА 73 ШРА 4 |
ШРА 73 ШРА 4 |
ШМА 16 |
ШМА 4 |
ШМА 68-Н |
ШМА 68-Н |
|
Номинальной ток, А |
250 |
400 |
630 |
1600 |
1600 |
2500 |
4000 |
|
Сопротивление на фазу Rш, мОм/м |
0,20 |
0,13 |
0,085 |
0,026 |
0,0297 |
0,020 |
0,013 |
|
Сопротивление на фазу Xш, мОм/м |
0,10 |
0,10 |
0,075 |
0,015 |
0,0143 |
0,020 |
0,020 |
|
Полное сопротивление на фазу Zш, мОм/м |
0,24 |
0,16 |
0,11 |
0,030 |
0,033 |
0,0283 |
0,0238 |
|
Полное сопротивление цепи фаза - нуль, мОм/м |
- |
- |
- |
0,075 |
0,0875 |
- |
- |
Примечание: Данные взяты из данных заводов-изготовителей
Таблица 2.6
Значения активных переходных сопротивлений (в мОм) неподвижного контактного соединения шинопроводов и кабелей
|
ШИНОПРОВОДЫ |
|||||||
|
Тип шинопровода |
ШРА 73 ШРА 4 |
ШРА 73 ШРА 4 |
ШРА 73 ШРА 4 |
ШМА 16 |
ШМА 4 |
ШМА-68Н |
ШМА-68Н |
|
Номинальный ток, А |
250 |
400 |
630 |
1600 |
1600 |
2500 |
4000 |
|
Переходное сопротивление неподвижного контактного соединения, мОм |
0,009 |
0,006 |
0,0037 |
0,0068 |
0,0068 |
0,0024 |
0,0012 |
АЛЮМИНИЕВЫЕ КАБЕЛИ СЕЧЕНИЕМ, м2
|
16 |
25 |
35 |
50 |
70 |
95 |
120 |
150 |
240 |
|
0,085 |
0,064 |
0,056 |
0,043 |
0,029 |
0,027 |
0,024 |
0,021 |
0,012 |
Примечание:
Данные взяты из "Пособия по расчету токов короткого замыкания в сетях до 1000 В промышленных предприятий выпущенных ВНИПИ ТПЭП, М., 1986 г. М 60407.
Таблица 2.7
Параметры многоамперных кабелей АВВ-I при расположении фаз по треугольнику
|
1000 |
1500 |
|
|
Наружный диаметр жилы D, мм |
55,7 |
64,4 |
|
Внутренний диаметр токопроводящей жилы Dвн, мм |
45,5 |
54,2 |
|
Активное сопротивление фазы Rф, мОм/м |
0,036 |
0,027 |
|
Индуктивное сопротивление фазы Xф, мОм/м, при расстоянии между осями фаз D1, м |
|
|
|
|
0,106 |
0,104 |
|
|
0,15 |
0,148 |
|
Полное сопротивление фазы Zф, мОм/м |
0,112 |
0,1074 |
|
Активное сопротивление петли “фаза-нуль” Rф-о, мОм/м |
0,072 |
0,054 |
|
Индуктивное сопротивление петли “фаза-нуль” Xф-о, мОм/м, при расстоянии между осями фаз D1, мм |
|
|
|
|
0,144 |
0,139 |
|
|
0,231 |
0,226 |
|
Полное сопротивление петли “фаза-нуль” Zф-о, мОм/м |
0,161 |
0,149 |

Таблица 2.8
Индуктивные сопротивления АВВ-I при горизонтальной прокладке фаз
|
Xф, мОм/м |
Хф-о, мОм/м |
|
|
D |
0,074 |
0,148 |
|
2D |
0,108 |
0,216 |
|
3D |
0,137 |
0,274 |
|
4D |
0,153 |
0,306 |

Примечание:
Данные, приведенные в табл. 2.7. и 2.8. взяты из отчета о научно-исследовательской работе “Анализ технико-экономических показателей замкнутых систем электроснабжения с параллельной работой трансформаторов на напряжении 0,4 кВ” совместно выпущенного ВНИПИ ТПЭП и Ленинградским Политехническим институтом имени М.И. Калинина в 1987 г., шифр темы 203504
Таблица 2.9
Средние значения сопротивлений первичных обмоток трансформаторов тока типа ТКФ
|
Сопротивления, мОм, трансформаторов тока |
||||
|
ТКФ-1 |
ТКФ-2 |
|||
|
R |
X |
R |
X |
|
|
50/5 |
7 |
11 |
3 |
2,8 |
|
75/5 |
3 |
4,8 |
1,3 |
1,2 |
|
100/5 |
1,7 |
2,7 |
0,75 |
0,7 |
|
150/5 |
0,75 |
1,2 |
0,33 |
0,3 |
|
200/5 |
0,42 |
0,67 |
0,19 |
0,17 |
|
300/5 |
0,2 |
0,3 |
0,08 |
0,08 |
|
400/5 |
0,11 |
0,17 |
0,05 |
0,04 |
|
600/5 |
0,05 |
0,07 |
0,02 |
0,02 |
В связи с тем, что трансформаторы тока на токи более 600 А выполняются одновитковыми, их сопротивления составляют тысячные доли мОм и в расчетах тока КЗ или можно пренебречь.
Примечание:
Данные, приведенные в табл. 2.9, взяты из "Справочника по электроснабжению и электрооборудованию" под ред. А.А. Федорова, М., Энергоатомиздат, 1986г., с. 152, табл. 8.14
Таблица 2.10
Основные технические данные по автоматическим выключателям, применяемым в питающей сети 0,38 - 0,66 кВ
|
пп |
Тип (серия) |
Селективные (С) или токоограничивающие (Т) |
Номинальный ток, А |
Предельная коммутационная способность. Числитель - для 380 В, знаменатель - для 660 В |
Одноразовая предельная коммутационная способность. Числитель - для 380 В, знаменатель - для 660 В |
Верхняя граница зоны селективности, кА |
Временные уставки, с |
||
|
I, кА |
cos |
I, кА |
cos |
||||||
|
1 |
2 |
3 |
4 |
5 |
6 |
7 |
8 |
9 |
10 |
|
1 |
ВА 53-37 |
Т |
150, 200, 400 |
|
|
|
|
- |
- |
|
2 |
ВА 53-39 |
Т |
160, 250, 400, 630 |
|
|
|
|
- |
- |
|
3 |
ВА 53-41 |
Т |
1000 |
|
|
|
|
- |
- |
|
4 |
ВА 53-43 |
Т |
1600 |
|
|
|
|
- |
- |
|
5 |
ВА 55-37 |
С |
160, 250, 400 |
|
0,25 |
|
0,25 |
20 |
0,1; 0,2; 0,3 |
|
6 |
ВА 55-39 |
С |
160, 250, 400, 630 |
|
|
|
|
25 |
0,1; 0,2; 0,3 |
|
7 |
ВА 55-41 |
С |
1000 |
|
|
|
|
20 |
0,1; 0,2; 0,3 |
|
8 |
ВА 55-43 |
С |
1600 |
|
|
|
|
31 |
0,1; 0,2; 0,3 |
|
9 |
ВА 75-45 ВА 75-47 |
С |
2500 |
|
|
|
|
36 |
0,1; 0,2; 0,3 |
|
10 |
ВА 75-47** |
С |
4000 |
|
|
|
|
45 |
0,1; 0,2; 0,3 |
|
11 |
А3793-С А3794-С |
С |
250, 400, 630 |
|
|
|
|
20 |
0,1; 0,25; 0,40 |
|
12 |
А3793-Б А3794-Б |
Т |
630 |
|
|
|
|
- |
- |
|
13 |
Э06В-У3 |
С |
1000 |
|
0,25 |
|
0,25 |
21 |
0,25; 0,45; 0,7 |
|
14 |
Э16 |
С |
1600 |
|
0,25 |
|
0,25 |
33 |
0,25; 0,45; 0,7 |
|
15 |
Э25 |
С |
2500 |
|
0,25 |
|
0,25 |
50 |
0,25; 0,45; 0,7 |
|
16 |
Э40 |
С |
4000 |
|
0,25 |
|
0,25 |
60 |
0,25; 0,45; 0,7 |
* - Значение ударного тока; ** - стационарное исполнение. В настоящее время выдвижное исполнение находится в разработке.