|
ФЕДЕРАЛЬНОЕ АГЕНТСТВО ПО ТЕХНИЧЕСКОМУ РЕГУЛИРОВАНИЮ И МЕТРОЛОГИИ |
||
|
|
НАЦИОНАЛЬНЫЙ СТАНДАРТ российской ФЕДЕРАЦИИ |
ГОСТ Р ЕН ИСО 12205- 2007 |
Нефтепродукты
ОПРЕДЕЛЕНИЕ ОКИСЛИТЕЛЬНОЙ СТАБИЛЬНОСТИ ДИСТИЛЛЯТНЫХ ТОПЛИВ
EN ISO 12205:1996
Petroleum products - Determination of the oxidation stability
of middle-distillate fuels
(IDT)
|
|
Москва Стандартинформ 2008 |
Предисловие
Цели и принципы стандартизации в Российской Федерации установлены Федеральным законом от 27 декабря
Сведения о стандарте
1 ПОДГОТОВЛЕН Открытым акционерным обществом «Всероссийский научно-исследовательский институт по переработке нефти» (ОАО «ВНИИНП») на основе аутентичного перевода стандарта, указанного в пункте 4, выполненного ФГУП «Стандартинформ»
2 ВНЕСЕН Техническим комитетом по стандартизации ТК 31 «Нефтяные топлива и смазочные материалы»
3
УТВЕРЖДЕН И ВВЕДЕН В ДЕЙСТВИЕ Приказом Федерального агентства по техническому
регулированию и метрологии от 27 декабря
4 Настоящий стандарт идентичен региональному стандарту ЕН ИСО 12205:1996 «Нефтепродукты. Определение стойкости к окислению среднедистиллятных топлив» (EN ISO 12205:1996 «Petroleum products - Determination of the oxidation stability of middle-distillate fuels»).
Наименование настоящего стандарта изменено относительно наименования указанного международного стандарта для приведения в соответствие с ГОСТ Р 1.5-2004 (подраздел 3.5).
При применении настоящего стандарта рекомендуется использовать вместо ссылочных международных стандартов соответствующие им национальные стандарты Российской Федерации, сведения о которых приведены в дополнительном приложении В
5 ВВЕДЕН ВПЕРВЫЕ
Информация об изменениях к настоящему стандарту публикуется в ежегодно издаваемом информационном указателе «Национальные стандарты», а текст изменений и поправок - в ежемесячно издаваемых информационных указателях «Национальные стандарты». В случае пересмотра (замены) или отмены настоящего стандарта соответствующее уведомление будет опубликовано в ежемесячно издаваемом информационном указателе «Национальные стандарты». Соответствующая информация, уведомление и тексты размещаются также в информационной системе общего пользования - на официальном сайте Федерального агентства по техническому регулированию и метрологии в сети Интернет
Содержание
НАЦИОНАЛЬНЫЙ СТАНДАРТ РОССИЙСКОЙ ФЕДЕРАЦИИ
|
Нефтепродукты ОПРЕДЕЛЕНИЕ ОКИСЛИТЕЛЬНОЙ СТАБИЛЬНОСТИ ДИСТИЛЛЯТНЫХ ТОПЛИВ Petroleum products. Determination of the oxidation stability of distillate fuels |
Дата введения - 2009-01-01
Настоящий стандарт устанавливает метод определения стабильности дистиллятных нефтяных топлив в условиях ускоренного окисления. Этот стандарт не применим к топливам, содержащим мазутные компоненты или компоненты не нефтяного происхождения.
Настоящий метод используется для оценки окислительной стабильности при хранении в условиях испытаний дистиллятных топлив, имеющих температуру начала кипения выше 175°С и температуру отгона 90 % (об.) ниже 370°С.
Настоящий метод не применим для прогнозирования количества нерастворимых веществ, образующихся при хранении в резервуаре за какой-либо заданный период времени. Количество нерастворимых веществ зависит от конкретных условий хранения.
Примечание - Окисление - это химический процесс, вызывающий образование смолистых веществ, а также нерастворимых веществ, остающихся на фильтре. Присутствие таких веществ, как медь и хром, которые являются катализаторами в реакциях окисления, приводит к образованию большего количества нерастворимых веществ.
Предупреждение - Применение настоящего стандарта может быть связано с использованием опасных материалов, операций и оборудования. В настоящем стандарте не ставится цель рассмотреть все проблемы безопасности, связанные с его использованием. Пользователь настоящего стандарта несет ответственность за обеспечение безопасности и охраны здоровья, а также за определение (до использования стандарта) применимости действующих нормативных ограничений.
В настоящем стандарте использованы нормативные ссылки на следующие международные стандарты:
ИСО 3170:1988 Нефтяные жидкости. Ручной отбор проб
ИСО 3171:1988 Нефтяные жидкости. Автоматический отбор проб из трубопроводов
ИСО 3696:1987 Вода для лабораторного анализа. Технические требования и методы испытаний
ИСО 6246:1981(1995) Нефтепродукты. Содержание смол в легких и среднедистиллятных топливах. Метод выпаривания струей
ИСО 6353-2:1983 с Дополнением 2:1986 Реактивы для химического анализа. Часть 2. Технические условия. Первая группа
В настоящем стандарте применены следующие термины с соответствующими определениями:
3.1 смолистые (клейкие) нерастворимые вещества: Вещества, которые образуются в результате определенных условий испытания дистиллятных топлив и оседают на стеклянных поверхностях аппаратуры после удаления топлива из системы.
3.2 отфильтрованные нерастворимые вещества: Вещества, которые образуются в результате определенных условий испытания дистиллятных топлив и могут быть удалены из топлива фильтрацией. Это вещества, находящиеся в топливе во взвешенном состоянии, и вещества, которые легко удаляются с помощью углеводородного растворителя из аппарата для окисления.
3.3 природная (собственная) стабильность: Устойчивость к изменениям при воздействии воздуха, но при отсутствии воздействия других факторов окружающей среды (таких как вода, реагирующие металлические поверхности или грязь).
3.4 общее количество нерастворимых веществ: Сумма смолистых и отфильтрованных нерастворимых веществ.
3.5 нулевое время: Время, когда первый аппарат для окисления помещают в нагревательную баню.
4.1 Испытуемый образец отфильтрованного дистиллятного топлива окисляют при температуре 95°С в течение 16 ч, барботируя через него кислород. После окисления испытуемый образец охлаждают до комнатной температуры и фильтруют для определения количества отфильтрованных нерастворимых веществ. Затем из аппарата с помощью тройного растворителя удаляют смолистые нерастворимые вещества. Для определения количества смолистых нерастворимых веществ тройной растворитель удаляют испарением. Сумму смолистых и отфильтрованных нерастворимых веществ записывают как общее количество нерастворимых веществ.
Для получения тройного растворителя используют растворители тех марок, которые применяют для лабораторных исследований и которые соответствуют требованиям ИСО 6353-2 или более высокого класса.
Вода должна соответствовать классу 3 ИСО 3696.
Примечание - Было установлено, что растворители определенных товарных марок, используемые в данном методе испытания, могут иметь уровни загрязнения, которые влияют на результаты испытаний.
5.1 Ацетон, СН3СОСН3.
5.2 Толуол, С6Н5СН3.
5.3 Метанол, СН3ОН.
5.4 Тройной растворитель, представляющий собой смесь, которая состоит из равных объемов ацетона (5.1), толуола (5.2) и метанола (5.3).
5.5 Изооктан, 2,2,4-триметилпентан, СН3С(СН3)2СН2СН(СН3)СН3, чистота не менее 99,5 %.
5.6 Кислород, чистота не менее 99,5 %.
Если кислород подается по заводской системе труб (централизованно), рядом с нагревательной баней (6.2) должен быть предусмотрен фильтр. Подачу кислорода регулируют с помощью соответствующей регулирующей системы.
Чтобы гарантировать точность получаемых результатов, вся измерительная аппаратура должна быть откалибрована и поверена, ее рабочие характеристики должны периодически проверяться (в соответствии с инструкциями изготовителя аппаратуры).
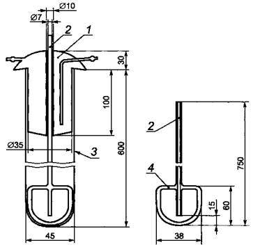
6.1 Аппарат для окисления из боросиликатного стекла, приведенный на рисунке 1, состоит из пробирки, конденсатора и трубки для подачи кислорода.
Если для настоящего испытания используют аппаратуру, применяемую в испытаниях по [1] (Приложение А), в соответствии с которой используют змеевики из меди и стали, необходимо удалить из аппаратуры все части, которые могут содержать эти металлы, и провести тщательную чистку аппаратуры перед ее использованием.
Чтобы исключить присутствие ионов хрома, а также защитить персонал лаборатории от потенциально опасного для здоровья воздействия, при применении настоящего метода не следует использовать для очистки стеклянных элементов аппаратуры хромовую смесь.

1 - стеклянный
конденсатор; 2 - трубка
из боросиликатного стекла
для подачи кислорода;
3 - пробирка
из боросиликатного
стекла; 4 -
стержень из боросиликатного стекла
диаметром
Рисунок 1 - Аппарат для окисления
6.2 Нагревательная жидкостная баня, оборудованная регулирующим устройством, поддерживающим температуру топлива в аппарате для окисления (95,0 ± 0,2)°С (примечание 2).
Баня должна быть оснащена подходящим перемешивающим устройством, обеспечивающим одинаковую температуру по всему объему, и должна быть достаточно большой, чтобы в ней помещалось
нужное количество аппаратов, погруженных на глубину приблизительно
Примечания
1 Установлено, что для поддержания температуры испытуемого образца в заданном диапазоне, температура бани должна быть от 95,5 °С до 95,8 °С.
2 Подходит также баня в виде металлического блока, соответствующая тем же самым требованиям по вместимости и регулированию.
6.3 Расходомеры, предназначенные для измерения скорости потока кислорода (3,0 ± 0,3) дм3/ч. Для каждого аппарата должен быть предусмотрен отдельный расходомер.
6.4 Термостат, используемый для сушки отфильтрованных материалов и безопасного испарения растворителя при температуре (80 ± 2)°С.
6.5 Термостат для сушки стеклянной посуды при температуре (105 ± 5)°С.
6.6 Комплект для фильтрования в сборе, как показано на рисунке 2, способный поддерживать фильтр (6.7).
6.7 Фильтр из нейлоновой мембраны диаметром
1 - фильтровальная воронка; 2 - опора для фильтра
Рисунок 2 - Комплект для фильтрования
Для предварительного фильтрования используют одиночные фильтры, а для количественного определения отфильтрованных нерастворимых веществ - подходящие по массе пары фильтров.
Примечание - Допускается использовать мембранные фильтры на основе сложных эфиров целлюлозы, хотя рекомендуемые нейлоновые мембранные фильтры более удобны в обращении.
6.8 Испарительные сосуды - высокие химические стаканы из боросиликатного стекла вместимостью 100 см3 или 200 см3 (в зависимости от используемой методики), применяемые для определения количества смолистых нерастворимых веществ (10.5).
6.9 Аппаратура общего назначения:
- весы с точностью взвешивания до 0,1 мг;
- нагревательная плита, позволяющая нагревать жидкость в испарительных сосудах (6.8) до температуры 135°С;
- эксикатор (без поглотителя влаги);
- пинцет с лопаткообразными кончиками для захвата фильтра;
- таймер.
7.1 Подготовка стеклянной посуды, кроме аппаратов для окисления
Тщательно промывают стеклянную посуду тройным растворителем (5.4), водой, а затем средне-щелочным или нейтральным лабораторным моющим средством. Прополаскивают три раза водой (раздел 5), затем ацетоном (5.1) для удаления воды и дают посуде высохнуть.
7.2 Подготовка аппаратов для окисления
После завершения операций, описанных в 7.1, заполняют пробирку аппарата (6.1) лабораторным моющим средством, разведенным в воде (раздел 5). Устанавливают трубку для подачи кислорода, на трубку устанавливают конденсатор и оставляют аппарат с моющим средством не менее чем на 2 ч. Затем сливают моющее средство, промывают и прополаскивают все части аппарата пять раз водопроводной водой, а затем три раза водой класса 3 (раздел 5). Ополаскивают ацетоном (5.1), сливают его и дают аппарату высохнуть.
7.3 Подготовка испарительных сосудов
Высушивают очищенные испарительные сосуды (6.8) в течение 60 мин в термостате (6.5). Помещают эти химические стаканы в эксикатор (6.9) и дают им охладиться в течение 60 мин. Взвешивают стаканы с точностью до 0,1 мг.
8.1 Отбор проб проводят в соответствии с процедурой, описанной в ИСО 3170, ИСО 3171.
8.2 Образцы для испытания из этих проб должны отбираться и разделяться после тщательного перемешивания вдали от прямого солнечного света и в месте, в котором будут проводить испытание образца. Хранение образца до испытания, проведение испытания и охлаждение после испытания должны осуществляться в темноте.
8.3 Контейнеры для проб должны быть изготовлены из металла и покрыты внутри эпоксидной смолой или аналогичным материалом; перед отбором пробы они должны быть дважды промыты отбираемым топливом. Они могут быть также изготовлены из боросиликатного стекла, если их затем закрывают материалом, не пропускающим свет, или помещают в непрозрачные ящики. Не используют контейнеры из легкоплавкого (натриевого) стекла или пластиковые контейнеры, так как возможно выщелачивание из них пластификаторов.
8.4 Анализ образцов топлива проводят как можно быстрее после их получения.
Примечание - Если образец топлива не может быть испытан в течение суток после отбора, его следует хранить под инертным газом (таким, как азот, не содержащий кислород, аргон или гелий) и при температуре не выше 10°С, но не ниже, чем его температура помутнения.
9.1 Если проба топлива содержится в канистре, бочке или контейнере, вместимость которого превышает 19 дм3, используют процедуры деления на части по 8.2.
9.2 Перед отбором образца для испытаний отливом, с помощью пипетки или с помощью других средств, тщательно перемешивают пробу уменьшенного объема встряхиванием, вращением или другими способами.
9.3 Трубку, пробоотборник, химический стакан или другую аппаратуру или оборудование, которые входят в контакт с полученным материалом пробы, перед использованием промывают тройным растворителем (5.4) и затем частью испытуемого топлива. Пробы, которые перед перемешиванием и отбором аликвотной доли хранились при температуре значительно ниже 10°С, оставляют для нагревания до комнатной температуры и проверяют их на отсутствие каких-либо нерастворенных парафинов.
Примечание - Нагревание позволяет отделившимся парафинам раствориться, при этом вязкость снижается до уровня, при котором можно эффективно выполнять перемешивание. Перемешивание во время нагревания помогает более быстрому растворению парафинов.
Помещают один фильтр (6.7) на опору для фильтра и прикрепляют фильтровальную воронку к опорной колбе, как это показано на рисунке 2. Создают разряжение в опорной колбе, отсасывая воздух при давлении 80 кПа, при этом абсолютное давление в колбе составляет приблизительно 20 кПа. Пропускают 400 см3 топлива через фильтр (6.7) в чистую (7.1) стеклянную колбу вместимостью 500 см3, через которую проводят отсос. После завершения фильтрования выбрасывают фильтр. Повторяют эту процедуру фильтрации для каждой испытуемой пробы.
Нельзя использовать одни и те же фильтры для разных проб топлива, поскольку любые вещества, отложившиеся на фильтрах от предыдущей пробы топлива, могут привести к более высокой степени удаления твердых веществ из последующей порции.
Устанавливают очищенную трубку для подачи кислорода в очищенную пробирку (7.2) и наливают (350 ± 5) см3 профильтрованного топлива. Как можно быстрее, но не позднее, чем через 60 мин после измерения количества топлива, погружают аппарат с испытуемым топливом в нагревательную баню (6.2) так, чтобы уровень топлива в аппарате был ниже уровня жидкой среды в нагревательной бане. В промежуточный период времени пробирку хранят в темноте.
Устанавливают конденсатор над трубкой для подачи кислорода и пробиркой; соединяют конденсатор с водой для охлаждения. Соединяют через расходомер трубку для подачи кислорода с источником подачи и устанавливают подачу кислорода со скоростью (3,0 ± 0,3) дм3/ч. Убеждаются, что пробы защищены от света.
Записывают время первого погружения аппарата в баню как нулевое время и выдерживают аппарат в бане в течение (16,00 ± 0,25) ч. Отмечают последовательность размещения аппаратов в бане.
Если число испытательных аппаратов меньше, чем вместимость нагревательной бани, баню следует наполнить пробирками («ложными» аппаратами), содержащими 350 см3 стабильной жидкости, для которых не требуется трубка для подачи кислорода и конденсатор.
Удаляют образцы из нагревательной бани в той же последовательности, в какой они были установлены в ней, закрывают отверстие каждого аппарата куском алюминиевой фольги или пластика для предотвращения попадания туда грязи или пыли. Регистрируют время удаления аппаратов из бани как промежуток времени по отношению к нулевому времени. Помещают аппараты в темное вентилируемое место с комнатной температурой, которая должна быть выше температуры помутнения данного топлива. Оставляют испытуемые образцы до тех пор, пока они не охладятся до комнатной температуры, но не дольше чем на 4 ч.
Собирают комплект для фильтрования в соответствии с рисунком 2, используя одну из пар подобранных по массе фильтров (6.7). Отсасывают воздух (под уменьшенным давлением приблизительно 80 кПа) и пропускают охлажденный испытуемый образец через фильтр. Пропускают порциями все топливо через фильтр, затем промывают пробирку и трубку для подачи кислорода тремя отдельными объемами (50 ± 5) см3 изооктана (5.5). Пропускают весь растворитель для промывания через фильтр, не разбирая его. После окончания фильтрования отсоединяют верхний фильтр и промывают края воронки вокруг второго фильтра дополнительной порцией (50 + 5) см3 изооктана. Фильтрат утилизируют. Сушат два фильтра в течение 30 мин при температуре 80°С, охлаждают их в течение 30 мин и по отдельности взвешивают верхний (с отфильтрованными нерастворимыми веществами) и нижний (пустой) фильтры с точностью до 0,1 мг.
Примечание - При использовании двух подобранных по массе фильтров предполагается, что на нижнем фильтре не собирается осадок, который прошел через верхний фильтр, и что пустой фильтр используют для учета абсорбции материалов испытуемого образца и растворителя. Однако в некоторых случаях на нижнем фильтре задерживаются вещества, которые прошли через верхний фильтр. Если на нем есть видимые глазом отложения или если увеличение массы нижнего фильтра превышает 10 мг, в вычислениях должна использоваться сумма приращений масс.
Если фильтр сильно забит и процесс фильтрования не может быть закончен за 120 мин, фильтруют оставшееся топливо через другой комплект взвешенных фильтров, воспользовавшись дополнительными (50 ± 5) см3 изооктана для сквозного промывания фильтра и комплекта для фильтрования.
После завершения промывания пробирки и трубки для подачи кислорода, как указано в 10.4, растворяют смолистые нерастворимые вещества, оставшиеся в этих элементах, с помощью трех равных по объему промывочных порций тройного растворителя (5.4) общим объемом (75 ± 5) см3. Затем проверяют пробирку и трубку для подачи кислорода на наличие пятен или окрашивания, указывающих на неполное удаление смолистых веществ. Если такие пятна или окрашивание присутствуют, выполняют промывание четвертой порцией (25 см3) тройного растворителя.
Собирают промывочный материал в один или несколько тарированных химических стаканов (6.8) вместимостью 100 см3, как это указано в стандарте ИСО 6246, и выпаривают смесь тройного растворителя при температуре 160°С, используя метод испарения воздушной струей, как описано в стандарте ИСО 6246, либо, в качестве альтернативы, собирают промывочный материал в тарированный химический стакан (6.8) вместимостью 200 см3 и, соблюдая чрезвычайную осторожность (особенно, если эта процедура выполняется одновременно с несколькими химическими стаканами), испаряют смесь тройного растворителя, поместив стакан на нагретую до температуры 135°С нагревательную плиту (6.9), установленную в вытяжном шкафу.
После испарения всего растворителя помещают тарированный стакан, содержащий смолистые нерастворимые вещества, в эксикатор (6.9) для охлаждения на 60 мин. Чтобы скорректировать возможное присутствие в растворителях загрязняющих веществ, необходимо выполнить холостое определение содержания смолистых нерастворимых веществ с использованием такого же количества тройного растворителя (5.4), как и при испытаниях топлива. После сушки и охлаждения взвешивают химические стаканы с точностью до 0,1 мг.
Рассчитывают количество отфильтрованных нерастворимых веществ А, г/м3, по формуле
(1)
где m2 - масса фильтра с отфильтрованными веществами (верхнего), мг;
m1 - масса пустого (нижнего) фильтра, мг.
Рассчитывают количество смолистых нерастворимых веществ В, г/м3, по формуле
(2)
где m6 - масса химического стакана для испытуемого образца после испытания, мг;
m4 - масса химического стакана для испытуемого образца до испытания, мг;
m5 - масса химического стакана в холостом опыте после испытания, мг;
m3 - масса химического стакана в холостом опыте до испытания, мг.
Рассчитывают общее количество нерастворимых веществ С, г/м3, по формуле
С = А + В. (3)
Примечание - В некоторых спецификациях могут использоваться применявшиеся ранее единицы измерения «миллиграммы на 100 см3». В этом случае полученные выше результаты следует поделить на 10 или в формулах, приведенных в 11.1 и 11.2, в качестве делителя следует использовать число 3,5.
12.1 Фиксируют в протоколе с точностью до 1 г/м3 общее количество нерастворимых веществ С и количество использованных фильтров (10.4).
Дополнительно с той же точностью вносят в протокол количество отфильтрованных нерастворимых веществ А и количество смолистых (клейких) нерастворимых веществ В.
12.2 Записывают в протокол время, в течение которого аппарат находился в нагревательной бане, если оно отличается от (16 ± 0,25) ч.
В таблице 1 представлены примеры рассчитанных значений прецизионности, соответствующие нескольким уровням общего количества нерастворимых веществ.
Примечание - Такие же значения повторяемости применимы для определения количества смолистых нерастворимых веществ любым из двух дополнительных методов высушивания.
Таблица 1 - Рассчитанные значения прецизионности
|
Общее количество нерастворимых веществ, г/м3 |
Повторяемость r, г/м3 |
Воспроизводимость R, г/м3 |
|
15 20 25 30 |
6,0 6,4 6,8 7,1 |
11,7 12,6 13,3 14,0 |
Расхождение между двумя результатами испытания, полученными одним оператором на одной и той же аппаратуре при постоянно действующих условиях на идентичном испытуемом материале при обычном и правильном выполнении метода испытания, может превышать указанное далее значение только в одном случае из двадцати
(4)
где С - среднее значение двух результатов определения общего количества нерастворимых веществ, г/см3.
Расхождение между двумя единичными и независимыми результатами, полученными разными лаборантами, работающими в разных лабораториях на идентичном испытуемом материале при обычном и правильном выполнении метода испытания, может превышать указанное далее значение только в одном случае из двадцати
(5)
где С1 - среднее значение двух независимых результатов определения общего количества нерастворимых веществ, г/м3.
Протокол испытания должен включать (как минимум) следующую информацию:
a) достаточное количество данных для полной идентификации испытуемого продукта;
b) ссылку на настоящий стандарт;
c) результаты испытания (раздел 12);
d) любые отклонения в соответствии с соглашением или без него от процедуры по настоящему стандарту;
e) дату проведения испытания.
[1] ИСО 4263:1986 Нефтепродукты. Ингибированные минеральные масла. Определение характеристик окисления
Таблица В.1
|
Обозначение ссылочного международного стандарта |
Обозначение и наименование соответствующего национального стандарта |
|
ИСО 3170:1988 |
ГОСТ 2517-85 Нефть и нефтепродукты. Методы отбора проб ГОСТ Р 52659-2006 Нефть и нефтепродукты. Методы ручного отбора проб |
|
ИСО 3171:1988 |
ГОСТ 2517-85Нефть и нефтепродукты. Методы отбора проб |
|
ИСО 3696:1987 |
* |
|
ИСО 4263:1986 |
* |
|
ИСО 6246:1981(1995) |
* |
|
ИСО 6353-2:1983 |
* |
|
* Соответствующий национальный стандарт отсутствует. До его утверждения рекомендуется использовать перевод на русский язык данного международного стандарта. Перевод данного международного стандарта находится в Федеральном информационном фонде технических регламентов и стандартов. |
|
Ключевые слова: дистиллятные топлива, стойкость к окислению, нерастворимые вещества