Государственное санитарно-эпидемиологическое
нормирование Российской Федерации
УТВЕРЖДЕНО
Председатель Госкомсанэпиднадзора России
Главный государственный санитарный врач
Российской Федерации
Е.Н. Беляев
8 июня 1996 г.
МУК 4.1.0.426-96
Дата введения: с момента утверждения
4.1. МЕТОДЫ КОНТРОЛЯ. ХИМИЧЕСКИЕ ФАКТОРЫ
М. м. 278,378
Фенозан-кислота - белый кристаллический порошок без запаха. Растворима в спирте, хлороформе, ацетоне, эфире. Не растворима в воде.
В воздухе находится в виде аэрозолей.
Обладает общетоксическим действием.
ПДК в воздухе - 5 мг/м3.
Характеристика метода
Метод основан на измерении оптической плотности спиртового раствора фенозан-кислоты на спектрофотометре при длине волны 278 нм.
Отбор проб проводят с концентрированием на фильтре.
Нижний предел измерения концентрации фенозан-кислоты - 2 мкг/мл.
Нижний предел измерения в воздухе - 1,5 мг/м3 (при отборе 8 л воздуха).
Диапазон измеряемых концентраций - от 1,5 до 19 мг/м3.
Измерению не мешают исходные и сопутствующие продукты, применяемые при производстве фенозан-кислоты.
Границы суммарной погрешности измерения ± 19 %.
Продолжительность измерения, включая отбор проб, - 40 - 50 мин.
Приборы, аппаратура, посуда
Спектрофотометр ГОСТ 15150-69
Кюветы с толщиной поглощающего
свет слоя 10 мм
Секундомер ГОСТ 5072-79
Аспирационное устройство «АЭРА» ТУ 124313-76
Фильтродержатели ТУ 95-743-80
Барометр-анероид ГОСТ 6359-79
Весы лабораторные, тип ВЛР-20Г
2 класса точности ГОСТ 24104-88
Термометр КШ 14/23-30 ¸ 40/0,2-60 ГОСТ 16590-71
Набор гирь, комплект Г-2-21-105 ГОСТ 7328-73
Фильтры АФА-ВП-10 ТУ 95-743-80
Колбы мерные 2-100-2 ГОСТ 1770-74
Пипетки, 4-3-2, 6-2-5 ГОСТ 20292-74
Пробирки П4-15-14/23ХС ГОСТ 25336-82
Бюксы стеклянные СВ-34/12 ГОСТ 25336-82
Допускается замена приборов на аналогичные или не уступающие по метрологическим параметрам.
Реактивы, растворы, материалы
Фенозан-кислота
(3,5-дитретбутил-4-окси-фенил)-пропионовая кислота ТУ 6- 14-22-236-85
Стандартный раствор № 1 с концентрацией фенозан-кислоты 30 мкг/мл готовят растворением 3 мг вещества в этиловом спирте в мерной колбе, вместимостью 100 мл. Устойчив около 3 недель.
Стандартный раствор № 2 с концентрацией фенозан-кислоты 15 мкг/мл готовят путем соответствующего разбавления стандартного раствора № 1.
Отбор пробы воздуха
Воздух с объемным расходом 2 л/мин аспирируют через фильтр типа АФА-ВП-10. Для измерения 1/2 ПДК следует отобрать 5 л воздуха. Фильтр с отобранной пробой помещают в бюкс. Срок хранения - не более месяца.
Подготовка к измерению
Для построения градуировочного графика готовят градуировочные растворы согласно таблице.
Таблица
Шкала градуировочных растворов
|
№ стандарта |
Стандартные р-ры, мл |
Этиловый спирт, мл |
Концентрация фенозан-кислоты, мкг/мл |
|
|
№ 1 |
№ 2 |
|||
|
1 |
0 |
0 |
0 |
0 |
|
2 |
- |
0,8 |
5,2 |
2 |
|
3 |
1 |
- |
5,0 |
5 |
|
4 |
2 |
- |
4,0 |
10 |
|
5 |
3 |
- |
3,0 |
15 |
|
6 |
5 |
- |
1,0 |
25 |
Градуировочные растворы используют свежеприготовленными. Градуировочный график строят по средним значениям 6 независимых измерений оптической плотности. Построение градуировочной характеристики и анализ проб проводят в идентичных условиях.
Проведение измерения
Фильтр с отобранной пробой помещают в бюкс, обрабатывают 6 мл этилового спирта и выдерживают в течение 5 - 10 мин. Полученный раствор переносят в мерную пробирку. Фильтр отжимают стеклянной палочной и удаляют. Объем доводят до 6 мл этиловым спиртом.
Измеряют оптическую плотность полученного анализируемого раствора на спектрофотометре при длине волны 278 нм по отношению к контрольному раствору, приготовленному одновременно и аналогично пробам, используя «чистый» фильтр.
Количественное определение концентрации фенозал-кислоты в анализируемой пробе проводят по градуировочному графику.
Расчет концентрации
Концентрацию фенозал-кислоты (С) в воздухе (мг/м3) вычисляют по формуле:
![]()
а - концентрация вещества в анализируемом растворе пробы, найденной по градуировочному графику, мкг;
в - общий объем поглотительного раствора, мл;
V - объем воздуха, отобранного для анализа и приведенного к стандартным условиям, л (см. приложение 1).
Методические указания разработаны Рубежанским институтом химической технологии и промышленной экологии.
проводят по формуле
![]()
Vt - объем воздуха, отобранный для анализа, л;
Р - барометрическое давление, кПа (101,33 кПа = 760 мм рт. ст.);
t - температура воздуха в месте отбора пробы, °С.
Для удобства расчета V20 следует пользоваться таблицей коэффициентов (приложение 2). Для приведения воздуха к стандартным условиям надо умножить Vt на соответствующий коэффициент.
|
Давление Р, кПа/мм рт. ст. |
||||||||||
|
°С |
97,33/730 |
97,86/734 |
98,4/738 |
98,93/742 |
99,46/746 |
100/750 |
100,53/754 |
101,06/758 |
101,33/760 |
101,86/764 |
|
-30 |
1,1582 |
1,1646 |
1,1709 |
1,1772 |
1,1836 |
1,1899 |
1,1963 |
1,2026 |
1,2058 |
1,2122 |
|
-26 |
1,1393 |
1,1456 |
1,1519 |
1,1581 |
1,1644 |
1,1705 |
1,1768 |
1,1831 |
1,1862 |
1,1925 |
|
-22 |
1,1212 |
1,1274 |
1,1336 |
1,1396 |
1,1458 |
1,1519 |
1,1581 |
1,1643 |
1,1673 |
1,1735 |
|
-18 |
1,1036 |
1,1097 |
1,1158 |
1,1218 |
1,1278 |
1,1338 |
1,1399 |
1,1460 |
1,1490 |
1,1551 |
|
-14 |
1,0866 |
1,0926 |
1,0986 |
1,1045 |
1,1105 |
1,1164 |
1,1224 |
1,1284 |
1,1313 |
1,1373 |
|
-10 |
1,0701 |
1,0760 |
1,0819 |
1,0877 |
1,0986 |
1,0994 |
1,1053 |
1,1112 |
1,1141 |
1,1200 |
|
-6 |
1,0540 |
1,0599 |
1,0657 |
1,0714 |
1,0772 |
1,0829 |
1,0887 |
1,0945 |
1,0974 |
1,1032 |
|
-2 |
1,0385 |
1,0442 |
1,0499 |
1,0556 |
1,0613 |
1,0669 |
1,0726 |
1,0784 |
1,0812 |
1,0869 |
|
0 |
1,0309 |
1,0366 |
1,0423 |
1,0477 |
1,0535 |
1,0591 |
1,0648 |
1,0705 |
1,0733 |
1,0789 |
|
+2 |
1,0234 |
1,0291 |
1,0347 |
1,0402 |
1,0459 |
1,0514 |
1,0571 |
1,0627 |
1,0655 |
1,0712 |
|
+6 |
1,0087 |
1,0143 |
0,0198 |
1,0253 |
1,0309 |
1,0363 |
1,0419 |
1,0475 |
1,0502 |
1,0557 |
|
+10 |
0,9944 |
0,9999 |
0,0054 |
1,0108 |
1,0162 |
1,0216 |
1,0272 |
1,0326 |
1,0353 |
1,0407 |
|
+14 |
0,9806 |
0,9860 |
0,9914 |
0,9967 |
1,0027 |
1,0074 |
1,0128 |
1,0183 |
1,0209 |
1,0263 |
|
+18 |
0,9671 |
0,9725 |
0,9778 |
0,9830 |
0,9884 |
0,9936 |
1,9989 |
1,0043 |
1,0069 |
1,0122 |
|
+20 |
0,9605 |
0,9658 |
0,9711 |
0,9783 |
0,9816 |
0,9868 |
0,9921 |
0,9974 |
1,0000 |
1,0053 |
|
+22 |
0,9539 |
0,9592 |
0,9645 |
0,9696 |
0,9749 |
0,9800 |
0,9853 |
0,9906 |
0,9932 |
1,9985 |
|
+24 |
0,9475 |
0,9527 |
0,9579 |
0,9631 |
0,9683 |
0,9735 |
0,9787 |
0,9839 |
0,9865 |
1,9917 |
|
+26 |
0,9412 |
0,9464 |
0,9516 |
0,9566 |
0,9618 |
0,9669 |
0,9721 |
0,9773 |
0,9799 |
1,9851 |
|
+28 |
0,9349 |
0,9401 |
0,9453 |
0,9503 |
0,9555 |
0,9605 |
0,9657 |
0,9708 |
0,9734 |
1,9785 |
|
+30 |
0,9288 |
0,9339 |
0,9391 |
0,9440 |
0,9432 |
0,9542 |
0,9594 |
0,9645 |
0,9670 |
0,9723 |
|
+34 |
0,9167 |
0,9218 |
0,9268 |
0,9318 |
0,9368 |
0,9418 |
0,9468 |
0,9519 |
0,9544 |
0,9595 |
|
+38 |
0,9049 |
0,9099 |
0,9149 |
0,9199 |
0,9248 |
0,9297 |
0,9347 |
0,9397 |
0,9421 |
0,9471 |

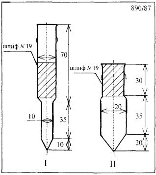
Рис. 1
Ловушка-концентратор.
Общий вид.

Рис. 2
Ловушка-концентратор.
|
Название вещества |
Методические указания |
|
1. Аммоний винно-кислый кислый |
Методические указания на фотометрическое определение аммиака: Сб. МУ в. 1 - 5. - М., 1981. - 58 с. К = 9,82 |
|
Аммоний винно-кислый |
Методические указания на фотометрическое определение аммиака: Сб. МУ в. 1 - 5. - М., 1981 - 58 с. К = 5,41 |
|
2. Калий винно-кислый Калий виннокислый кислый |
Методические указания по измерению концентраций сульфата калия, калийной магнезии и хлорида калия в воздухе рабочей зоны: Сб. МУ, в. 22. - М., 1988 - 182 с. К = 2,9 и 4,82 |
|
3. Калий сурьмоксид винно-кислый |
Методические указания по полярографическому измерению концентраций сурьмы в воздухе рабочей зоны: Сб. МУ, в. 8. - М., 1983. - 90 с. К = 2,66 |
|
4. Натрий винно-кислый кислый |
Методические указания по измерению концентраций натрия сульфата в воздухе рабочей зоны методом атомно-абсорбционной спектрофотометрии: Сб. МУ, в. 21. - М., 1986 - 135с. К = 7,48 |
|
Натрий винно-кислый |
Методические указания по измерению концентраций натрия сульфата в воздухе рабочей зоны методом атомно-абсорбционной спектрофотометрии: Сб. МУ, в. 21. - М., 1986 - 135 с. К = 4,22 |
|
Калий-натрий винно-кислый |
Методические указания по измерению концентраций натрия сульфата в воздухе рабочей зоны методом атомно-абсорбционной спектрофотометрии: Сб. МУ, в. 21. - М., 1986. - 135 с. К = 3,39 |
|
5. Полиметилмочевина |
Методические указания по гравиметрическому определению пыли в воздухе рабочей зоны и в системах вентиляционных установок: Сб. МУ, в. 1 - 5. - М., 1981. - 235 с. |
|
6. Трифторметансульфофторид (фторангидрид трифторметан сульфокислоты) |
Методические указания на фотометрическое определение фторорганических соединений: Сб. МУ, в. 1 - 5. - М. 1981. - 187 с. К = 2 |
|
7. Хлоргидрат изонипекотиновой кислоты |
Методические указания на фотометрическое определение диэтиламина в воздухе: Сб. МУ, в. 1 - 5. - М., 1981. - 123 с. Отбор проб на фильтр со скоростью 2 л/мин. |