Государственное санитарно-эпидемиологическое
нормирование Российской Федерации
УТВЕРЖДЕНО
Председатель Госкомсанэпиднадзора России
Главный государственный санитарный врач
Российской Федерации
Е.Н. Беляев
8 июня 1996 г.
МУК 4.1.0.414-96
Дата введения: с момента утверждения
4.1. МЕТОДЫ КОНТРОЛЯ. ХИМИЧЕСКИЕ ФАКТОРЫ
М.
м. 636,12
Основные физико-химические свойства вещества: мелкокристаллический порошок светло-желтого цвета. Тпл. - 87 - 89 °С. Растворим в диметилформамиде, диметилсульфоксиде, хлороформе; ограниченно растворим в воде, этаноле. Давление паров при 20 °С - 528 Па (4 мм рт. ст.), при 70 °С - 954 Па (7 мм рт. ст.).
В воздухе находится в виде аэрозоля.
Версамид стеариновой кислоты является малотоксичным препаратом (IV класс опасности).
На коже, в местах нанесения эмульсии версамида стеариновой кислоты, не наблюдалось покраснений, либо шелушений.
ОБУВ в воздухе - 10 мг/м3.
Характеристика метода
Метод основан на хроматографическом выделении версамида стеариновой кислоты в тонком слое сорбента с последующим проявлением хроматограмм водно-ацетоновым раствором нитрата серебра и бром-фенолового синего, либо хлорированием препарата с последующей реакцией с о-толидином.
Отбор проб проводится с концентрированием (бумажный фильтр «синяя лента», хлороформ).
Предел измерения вещества в анализируемом объеме пробы - 5 мкг.
Предел измерения в воздухе - 1 мг/м3.
Диапазон измеряемых концентраций в воздухе - от 1 до 10 мг/м3.
Определению не мешают исходные продукты синтеза.
Граница суммарной погрешности измерения - ± 18,5 %.
Время выполнения анализа, включая отбор проб, - 2,5 ч.
Реактивы, растворы и материалы
Ацетон ос. ч. ГОСТ 2603-79
н-Гексан, ос. ч. ТУ 6-09-3375-75
Хлороформ, х. ч. ГОСТ 20015-74
Сульфат натрия безводный, ч. ГОСТ 4166-76
Бромфеноловый синий, ч. д. а. ТУ 6-09-1058-76
Уксусная кислота ледяная, ос. ч. ГОСТ 18270-72
Азотнокислое серебро, ч. д. а. ГОСТ 1277-75
Соляная кислота х. ч. ГОСТ 3118-77
Калия перманганат, ч. д. а. ГОСТ 20490-75
о-Толидин МРТУ 6-09-6337-69
Фильтры бумажные безводные «синяя лента» ТУ 6-09-1678-77
Пластинки для ТСХ «Силуфол» размером
150 ´ 150 мм, (ЧСФР)
Калий йодистый ГОСТ 4232-63
Углерод четыреххлористый ГОСТ 5827-68
Подвижная фаза: гексан-ацетон (2:1)
Проявляющий реактив № 1: готовят 0,5 %-ный водно-ацетоновый (1:3) раствор AgNO3 и 0,5 %-ный раствор бромфенолового синего в ацетоне. Затем раствор бромфенолового синего разбавляют раствором азотнокислого серебра до объема 100 мл.
Проявляющий реактив № 2: 160 г толидина растворяют в 30 мл ледяной уксусной кислоты и 500 мл дистиллированной воды и прибавляют 1 г К1.
Раствор для хлорирования: смешивают равные объемы 3 %-ного раствора перманганата калия и 12 %-ного раствора соляной кислоты в четыреххлористом углероде, фильтруют через бумажный фильтр, хранят в холодильнике.
Стандартный раствор версамида стеариновой кислоты с концентрацией 100 мкг/мл готовят растворением 10 мг препарата в мерной колбе с притертой пробкой в 100 мл хлороформа. Хранят в холодильнике не более 1 месяца.
Приборы, аппаратура, посуда
Электроаспиратор для отбора проб воздуха ТУ 64-1-862-77
Весы аналитические ВЛА-200М
Фильтродержатели
Склянка для промывания и очистки газов
(склянка Дрекселя) ТУ 25-11-1062-75
Ротационный вакуумный испаритель
для отгонки растворителей ИР-IМ ТУ 25-11-917-74
Водяная баня ТУ 64-1-425-72
Колбы конические, вместимостью 100 мл ГОСТ 10394-72
Колбы грушевидные ГОСТ 10394-72
Воронки химические, диаметром 6 см ГОСТ 8613-75
Колбы мерные, вместимостью 25 мл ГОСТ 1770-74
Пипетки, вместимостью 0,1 и 1 мл ГОСТ 1770-74
Цилиндры мерные, вместимостью 50 мл ГОСТ 1770-74
Камера хроматографическая ГОСТ 10565-75
Пульверизатор ГОСТ 10591-74
Проведение измерения
Условия отбора проб воздуха. Воздух с объемным расходом 0,5 л/мин последовательно аспирируют через помещенный в фильтродержатель бумажный фильтр «синяя лента» и склянку Дрекселя, содержащую 100 мл хлороформа. Для определения 1/2 ОБУВ отбирают не более 5 л воздуха. Длительность хранения пробы в холодильнике - не более 5 суток.
Условия анализа. Бумажный фильтр, содержащий аэрозоль, из фильтродержателя помещают в коническую колбу и заливают 25 мл хлороформа. Экстрагируют пестицид из фильтра в течение 1 ч. Экстракцию повторяют дважды. Объединенный экстракт сушат безводным сульфатом натрия (5 - 10 г) и сливают в колбу для отгонки растворителя. Хлороформ из поглотителя переносят в коническую колбу, сушат безводным сульфатом натрия и сливают в колбу для отгонки растворителей. Отгоняют растворитель на ротационном испарителе до объема ~ 0,2 мл. Подготовленную пробу количественно наносят на хроматографическую пластинку «Силуфол». На эту же пластинку наносят 5, 10 и 20 мкг версамида стеариновой кислоты и проводят хроматографирование в системе растворителей гексан-ацетон (2:1) в камере, насыщенной парами подвижных растворителей. После поднятия фронта растворителя на 10 см пластинку вынимают и сушат на воздухе. Для обнаружения версамида стеариновой кислоты (ВСК) пластинку обрабатывают проявляющим реактивом № 1 на основе бромфенолового синего. Препарат проявляется в виде желтого пятна, Rf = 0,61. В случае использования проявляющего реактива № 2 (о-толидин) необходимо предварительно провести хлорирование. Хроматограмму помещают в эксикатор, содержащий раствор для хлорирования, на 3 - 6 мин, после чего сушат при комнатной температуре 10 мин и опрыскивают раствором о-толидина. Версамид стеариновой кислоты обнаруживается в виде темно-синих пятен, Rf = 0,61.
Количество препарата в пробе определяют сравнением интенсивности окраски и площади пятен пробы и стандартного раствора. Зависимость величины площади пятна от концентрации соблюдается в интервале концентраций от 1 до 20 мкг. Если содержание препарата в пробе превышает верхнюю границу диапазона, то для нанесения на пластинку необходимо брать аликвотную часть экстракта параллельной пробы.
Расчет концентрации
Концентрацию версамида (С) в воздухе (мг/м3) вычисляют по формуле:
![]()
а - количество препарата, найденного в хроматографическом объеме пробы, мкг;
б - общий объем пробы, мл;
в - объем пробы, взятой для хроматографирования, мл;
V - объем воздуха, отобранного для анализа и приведенного к стандартным условиям, л (см. приложение 1).
Методические указания разработаны УкрНИИГинтокс, г. Киев.
проводят по формуле
![]()
Vt - объем воздуха, отобранный для анализа, л;
Р - барометрическое давление, кПа (101,33 кПа = 760 мм рт. ст.);
t - температура воздуха в месте отбора пробы, °С.
Для удобства расчета V20 следует пользоваться таблицей коэффициентов (приложение 2). Для приведения воздуха к стандартным условиям надо умножить Vt на соответствующий коэффициент.
|
Давление Р, кПа/мм рт. ст. |
||||||||||
|
°С |
97,33/730 |
97,86/734 |
98,4/738 |
98,93/742 |
99,46/746 |
100/750 |
100,53/754 |
101,06/758 |
101,33/760 |
101,86/764 |
|
-30 |
1,1582 |
1,1646 |
1,1709 |
1,1772 |
1,1836 |
1,1899 |
1,1963 |
1,2026 |
1,2058 |
1,2122 |
|
-26 |
1,1393 |
1,1456 |
1,1519 |
1,1581 |
1,1644 |
1,1705 |
1,1768 |
1,1831 |
1,1862 |
1,1925 |
|
-22 |
1,1212 |
1,1274 |
1,1336 |
1,1396 |
1,1458 |
1,1519 |
1,1581 |
1,1643 |
1,1673 |
1,1735 |
|
-18 |
1,1036 |
1,1097 |
1,1158 |
1,1218 |
1,1278 |
1,1338 |
1,1399 |
1,1460 |
1,1490 |
1,1551 |
|
-14 |
1,0866 |
1,0926 |
1,0986 |
1,1045 |
1,1105 |
1,1164 |
1,1224 |
1,1284 |
1,1313 |
1,1373 |
|
-10 |
1,0701 |
1,0760 |
1,0819 |
1,0877 |
1,0986 |
1,0994 |
1,1053 |
1,1112 |
1,1141 |
1,1200 |
|
-6 |
1,0540 |
1,0599 |
1,0657 |
1,0714 |
1,0772 |
1,0829 |
1,0887 |
1,0945 |
1,0974 |
1,1032 |
|
-2 |
1,0385 |
1,0442 |
1,0499 |
1,0556 |
1,0613 |
1,0669 |
1,0726 |
1,0784 |
1,0812 |
1,0869 |
|
0 |
1,0309 |
1,0366 |
1,0423 |
1,0477 |
1,0535 |
1,0591 |
1,0648 |
1,0705 |
1,0733 |
1,0789 |
|
+2 |
1,0234 |
1,0291 |
1,0347 |
1,0402 |
1,0459 |
1,0514 |
1,0571 |
1,0627 |
1,0655 |
1,0712 |
|
+6 |
1,0087 |
1,0143 |
0,0198 |
1,0253 |
1,0309 |
1,0363 |
1,0419 |
1,0475 |
1,0502 |
1,0557 |
|
+10 |
0,9944 |
0,9999 |
0,0054 |
1,0108 |
1,0162 |
1,0216 |
1,0272 |
1,0326 |
1,0353 |
1,0407 |
|
+14 |
0,9806 |
0,9860 |
0,9914 |
0,9967 |
1,0027 |
1,0074 |
1,0128 |
1,0183 |
1,0209 |
1,0263 |
|
+18 |
0,9671 |
0,9725 |
0,9778 |
0,9830 |
0,9884 |
0,9936 |
1,9989 |
1,0043 |
1,0069 |
1,0122 |
|
+20 |
0,9605 |
0,9658 |
0,9711 |
0,9783 |
0,9816 |
0,9868 |
0,9921 |
0,9974 |
1,0000 |
1,0053 |
|
+22 |
0,9539 |
0,9592 |
0,9645 |
0,9696 |
0,9749 |
0,9800 |
0,9853 |
0,9906 |
0,9932 |
1,9985 |
|
+24 |
0,9475 |
0,9527 |
0,9579 |
0,9631 |
0,9683 |
0,9735 |
0,9787 |
0,9839 |
0,9865 |
1,9917 |
|
+26 |
0,9412 |
0,9464 |
0,9516 |
0,9566 |
0,9618 |
0,9669 |
0,9721 |
0,9773 |
0,9799 |
1,9851 |
|
+28 |
0,9349 |
0,9401 |
0,9453 |
0,9503 |
0,9555 |
0,9605 |
0,9657 |
0,9708 |
0,9734 |
1,9785 |
|
+30 |
0,9288 |
0,9339 |
0,9391 |
0,9440 |
0,9432 |
0,9542 |
0,9594 |
0,9645 |
0,9670 |
0,9723 |
|
+34 |
0,9167 |
0,9218 |
0,9268 |
0,9318 |
0,9368 |
0,9418 |
0,9468 |
0,9519 |
0,9544 |
0,9595 |
|
+38 |
0,9049 |
0,9099 |
0,9149 |
0,9199 |
0,9248 |
0,9297 |
0,9347 |
0,9397 |
0,9421 |
0,9471 |

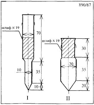
Рис. 1
Ловушка-концентратор.
Общий вид.

Рис. 2
Ловушка-концентратор.
|
Название вещества |
Методические указания |
|
1. Аммоний винно-кислый кислый |
Методические указания на фотометрическое определение аммиака: Сб. МУ в. 1 - 5. - М., 1981. - 58 с. К = 9,82 |
|
Аммоний винно-кислый |
Методические указания на фотометрическое определение аммиака: Сб. МУ в. 1 - 5. - М., 1981 - 58 с. К = 5,41 |
|
2. Калий винно-кислый Калий виннокислый кислый |
Методические указания по измерению концентраций сульфата калия, калийной магнезии и хлорида калия в воздухе рабочей зоны: Сб. МУ, в. 22. - М., 1988 - 182 с. К = 2,9 и 4,82 |
|
3. Калий сурьмоксид винно-кислый |
Методические указания по полярографическому измерению концентраций сурьмы в воздухе рабочей зоны: Сб. МУ, в. 8. - М., 1983. - 90 с. К = 2,66 |
|
4. Натрий винно-кислый кислый |
Методические указания по измерению концентраций натрия сульфата в воздухе рабочей зоны методом атомно-абсорбционной спектрофотометрии: Сб. МУ, в. 21. - М., 1986 - 135с. К = 7,48 |
|
Натрий винно-кислый |
Методические указания по измерению концентраций натрия сульфата в воздухе рабочей зоны методом атомно-абсорбционной спектрофотометрии: Сб. МУ, в. 21. - М., 1986 - 135 с. К = 4,22 |
|
Калий-натрий винно-кислый |
Методические указания по измерению концентраций натрия сульфата в воздухе рабочей зоны методом атомно-абсорбционной спектрофотометрии: Сб. МУ, в. 21. - М., 1986. - 135 с. К = 3,39 |
|
5. Полиметилмочевина |
Методические указания по гравиметрическому определению пыли в воздухе рабочей зоны и в системах вентиляционных установок: Сб. МУ, в. 1 - 5. - М., 1981. - 235 с. |
|
6. Трифторметансульфофторид (фторангидрид трифторметан сульфокислоты) |
Методические указания на фотометрическое определение фторорганических соединений: Сб. МУ, в. 1 - 5. - М. 1981. - 187 с. К = 2 |
|
7. Хлоргидрат изонипекотиновой кислоты |
Методические указания на фотометрическое определение диэтиламина в воздухе: Сб. МУ, в. 1 - 5. - М., 1981. - 123 с. Отбор проб на фильтр со скоростью 2 л/мин. |