РОССИЙСКОЕ АКЦИОНЕРНОЕ ОБЩЕСТВО
ЭНЕРГЕТИКИ И ЭЛЕКТРИФИКАЦИИ «ЕЭС РОССИИ»
ТИПОВАЯ ИНСТРУКЦИЯ
ПО ЭКСПЛУАТАЦИИ ЭЛЕКТРОЛИЗНЫХ УСТАНОВОК
ДЛЯ ПОЛУЧЕНИЯ ВОДОРОДА И КИСЛОРОДА
РД 34.50.501-96
![]()
ОРГРЭС
РОССИЙСКОЕ
АКЦИОНЕРНОЕ ОБЩЕСТВО
ЭНЕРГЕТИКИ И ЭЛЕКТРИФИКАЦИИ «ЕЭС РОССИИ»
ТИПОВАЯ
ИНСТРУКЦИЯ
ПО ЭКСПЛУАТАЦИИ ЭЛЕКТРОЛИЗНЫХ УСТАНОВОК
ДЛЯ ПОЛУЧЕНИЯ ВОДОРОДА И КИСЛОРОДА
РД 34.50.501-96
|
СЛУЖБА ПЕРЕДОВОГО ОПЫТА ОРГРЭС |
|
Москва |
1999 |
Составлено Открытым акционерным обществом "Фирма по наладке, совершенствованию технологии и эксплуатации электростанций и сетей ОРГРЭС"
Исполнители Б.А. ТИЩЕНКО, Г.Ф. КЛЮЕВ
Утверждено Департаментом науки и техники РАО "ЕЭС России" 01.02.96 г.
Начальник А.П. БЕРСЕНЕВ
|
ТИПОВАЯ ИНСТРУКЦИЯ |
34.50.501-96 |
Срок действия установлен
с 01.01.99 г.
Настоящая Типовая инструкция устанавливает порядок пуска, эксплуатации и технического обслуживания электролизной установки (ЭУ) для производства водорода и кислорода на ТЭС, АЭС и на предприятиях электрических сетей. Приводятся основные требования по обеспечению надежной и безопасной работы ЭУ в процессе пуска после монтажа или капитального ремонта, пуска из холодного состояния, под нагрузкой, при отключении, при выводе в ремонт.
Типовая инструкция предназначена для персонала энергопредприятия, осуществляющего техническое обслуживание ЭУ.
С выходом настоящей Типовой инструкции утрачивает силу "Типовая инструкция по эксплуатации электролизных установок для получения водорода и кислорода: ТИ 34-70-056-86" (М: СПО Союзтехэнерго, 1986).
1.1. При эксплуатации ЭУ следует руководствоваться следующими нормативно-техническими документами:
"Правилами безопасности при производстве водорода методом электролиза воды" (М.: Металлургия, 1974);
"Правилами устройства электроустановок" (М.: Энергоатомиздат, 1989);
"Правилами устройства и безопасной эксплуатации сосудов, работающих под давлением" (М.: Металлургия, 1989).
1.2. На основании настоящей Типовой инструкции на энергопредприятии должна быть составлена рабочая инструкция по эксплуатации ЭУ с учетом особенностей аппаратуры и технологической схемы данной ЭУ.
1.3. При составлении рабочей инструкции отличия от настоящей Типовой инструкции допускаются только в том случае, если они вызваны особенностями конструкции данной ЭУ или направлены на повышение надежности и безопасности ее эксплуатации.
1.4. В рабочей инструкции должны быть указаны должность и фамилия инженерно-технического работника, ответственного за вывод оборудования в ремонт и ввод в эксплуатацию после ремонта.
1.5. На основании приведенной в Типовой инструкции периодичности проверок, опробований и ремонтов должны быть составлены рабочие графики.
1.6. Кроме требований настоящей Типовой инструкции при эксплуатации ЭУ необходимо соблюдать требования научно-технических документов заводов - изготовителей технологического и электротехнического оборудования, арматуры и средств измерения.
1.7. Описание оборудования, назначение и устройство аппаратов, технологические схемы ЭУ различных типов приведены в приложении 1.
1.8. Необходимая техническая документация и формы журналов при эксплуатации ЭУ приведены в приложении 5.
2.1. Общие требования к подготовительным работам.
2.1.1. Пусконаладочные работы на ЭУ могут быть начаты только при полном окончании строительно-монтажных работ и наличии следующих актов, подтверждающих готовность ЭУ к пуску:
приемки из монтажа технологического оборудования, трубопроводов, электротехнического оборудования, приборов и схем контроля, защиты и сигнализации;
пропаривания электролизеров;
гидравлических испытаний электролизеров, технологического оборудования и трубопроводов;
пневматического испытания аппаратов и трубопроводов;
обезжиривания аппаратов, арматуры и труб, работающих в атмосфере кислорода;
проверки изоляции ячеек, стяжных болтов и монополярных плит электролизеров;
промывки аппаратов и трубопроводов.
2.1.2. Пуск ЭУ после монтажа, капитального ремонта или продолжительного (3 мес. и более) простоя должен производиться под наблюдением ответственного инженерно-технического работника.
2.1.3. Трубопроводы ЭУ должны быть окрашены в соответствии с ГОСТ 14202-69; аппараты - по цвету соответствующего газа; ресиверы - светлой краской с кольцами по цвету соответствующего газа (приложение 3).
2.1.4. Средства измерения, защиты, материалы и запасные детали, необходимые для пуска, эксплуатации и ремонта ЭУ, приведены в приложении 2; основные физико-химические свойства сырья и готовой продукции - в приложении 4.
2.2. Промывка оборудования.
2.2.1. Аппараты и трубопроводы ЭУ должны быть продуты паром или промыты водой для удаления окалины и грязи. Промывку трубопроводов необходимо проводить достаточно интенсивно до устойчивого появления чистой воды из выходных патрубков. После промывки трубопроводы и аппараты необходимо опорожнить и продуть воздухом или азотом до полного удаления капельной влаги.
2.3. Подготовка к работе сосудов, работающих под давлением.
2.3.1 Электролизеры и все вспомогательное оборудование, работающее под давлением, после монтажа или капитального ремонта должны подвергаться гидравлическому испытанию на прочность в соответствии с технической документацией завода-изготовителя.
После гидравлического испытания должно быть проведено пневматическое испытание на плотность при рабочем давлении.
Пневматическое испытание должно проводиться с помощью азота или воздуха, не содержащего масла.
В процессе испытания аппаратов следует производить осмотр и проверку всех соединений на плотность.
Результаты гидравлических и пневматических испытаний должны оформляться актами.
2.3.2. Все вентили ЭУ должны быть проверены на плотность в открытом и закрытом положениях; маховики вентилей должны быть исправными. Каждый вентиль должен иметь бирку с номером.
2.3.3. Манометры должны иметь красную черту или контрольную стрелку.
2.3.4. Предохранительные клапаны должны быть отрегулированы на специальном стенде. Клапаны должны открываться при повышении давления на 15% рабочего и быть проверены на плотность затвора и разъемных соединений.
2.4. Проверка изоляции электролизера.
2.4.1. После сборки электролизера необходимо проверить изоляцию ячеек испытательным напряжением 12 В и сопротивление изоляции стяжных болтов и изолирующих подставок мегаомметром на напряжение 1000 В. Сопротивление изоляции должно быть не менее 1 МОм.
2.4.2. Изолирующие подставки следует проверить отдельно или совместно с электролизером. В последнем случае электролизер внутри должен быть сухим.
При испытании изолирующих подставок отдельно подставка должна быть зажата между двумя электродами по поверхности не менее 85% площади подставки.
2.5. Пуск установки осушки водорода метолом охлаждения.
Монтаж испарителя холодильной машины выполняется с учетом того, чтобы штуцер выхода хладона из испарителя был выше штуцера входа хладона в компрессор. Холодильный агрегат соединяется с испарителем крепежными трубками в соответствии с требованиями ГОСТ 617-90. Испытания и пуск холодильной машины выполняются специализированной организацией. После пуска холодильного агрегата в работу водород из ЭУ направляется в испаритель путем открытия соответствующих вентилей.
2.6. Подготовка к включению адсорбционной осушки водорода.
2.6.1. При подготовке к пуску смонтированной адсорбционной осушки водорода с регенерацией сорбента в замкнутом контуре (см. п. 1.5 приложения 1), необходимо провести гидравлические испытания аппаратов и трубопроводов осушки (подогревателя водорода, холодильников, сепараторов, сборников конденсата и осушителей водорода).
После слива воды следует разобрать осушители, просушить их и очистить, затем загрузить в корзины осушителей силикагель КСМ по ГОСТ 3956-76 и провести пневматическое испытание узла осушки азотом или чистым воздухом.
2.6.2. При подготовке к пуску установки осушки водорода с вакуумно-термической регенерацией сорбента необходимо провести гидравлические испытания осушителей, слить воду, разобрать осушители, очистить их, просушить, затем загрузить (без корзин) силикагель и провести пневматическое испытание осушителя.
Необходимо проверить работу вакуумного насоса ВВН-1,5.
2.6.3. Перед засыпкой силикагеля на днище корзины и на нижнюю решетку необходимо положить стальную сетку № 1, затем слой стекловаты толщиной 30 мм. После засыпки силикагеля на него сверху надо уложить слой стекловаты и сетку.
2.7. Подготовка к пуску преобразовательных агрегатов.
2.7.1. Перед пуском преобразовательных агрегатов необходимо:
проверить их работу без подключения к электролизеру;
проверить полярность подключения кабелей к электролизерам и к преобразовательным агрегатам (при использовании тиристорных агрегатов кабели не должны прокладываться в стальных трубах и не должны иметь бронь);
подсоединить кабели к концевым плитам электролизеров.
3.1. Последовательность операций.
Операции необходимо проводить в следующем порядке:
приготовить электролит;
заполнить электролитом электролизер и разделительные колонки;
заполнить обессоленной водой уравнительные баки, регуляторы давления;
заполнить водой гидрозатворы;
продуть азотом аппараты и трубопроводы;
подготовить средства измерения;
вытеснить воздух из ресиверов для водорода инертным газом;
включить электролизер;
включить в работу установку осушки водорода;
заполнить ресиверы. Вытеснить водородом инертный газ и кислородом воздух из ресиверов (при использовании кислорода).
3.2. Приготовление электролита.
3.2.1. Перед приготовлением электролита необходимо тщательно промыть бак для щелочи.
В процессе растворения щелочи раствор следует перемешивать с помощью насоса.
3.2.2. Для приготовления электролита следует применять технический гидрат окиси калия (КОН) высшего сорта в виде чешуек в полиэтиленовых вкладышах или мешках (ГОСТ 9285-78) или калиеволитиевый электролит (ТУ 618-84-84).
Концентрация КОН в растворе должна составлять 390-400 г/л, что соответствует плотности электролита при температуре 20°С 1280-1300 кг/м3.
3.2.3. После достижения заданной концентрации (плотности) электролига необходимо ввести в него двухромовокислый калий (К2Сr2О7) марки ЧДА по ГОСТ 4330-75 из расчета 2 г на 1 л электролита. Двухромовокислый калий добавляют в электролит для снижения поляризации электродов и уменьшения утечек тока по каналам.
3.3. Заполнение аппаратов электролитом и обессоленной водой.
3.3.1. Необходимо собрать схему перекачки электролита из бака для щелочи в электролизеры и разделительные колонки, перекачать насосом через фильтр электролит до появления раствора в указателях уровня разделительных колонок или в вентилях, установленных на газоотводных трубах перед разделительными колонками.
3.3.2. Перед заполнением обессоленной водой уравнительных баков и регуляторов давления следует промыть трубопровод, подводящий воду к системе, затем собрать схему заполнения, открыть вентиль выпуска воздуха из уравнительных баков. Далее следует заполнить баки, закрыть вентиль выпуска воздуха из баков, открыть вентили выпуска воздуха из регуляторов давления и заполнить регуляторы давления до нижних меток на указателях уровня, затем закрыть все вентили.
3.3.3. Для заполнения водой гидрозатворов следует собрать схему и заполнить гидрозатворы до появления воды из переливной трубки или до средних меток на указателях уровня и закрыть вентили.
3.4. Продувка азотом аппаратов и трубопроводов.
3.4.1. Предпусковую продувку установки азотом производят для предотвращения образования взрывоопасной смеси водорода с воздухом в аппаратах и трубопроводах. Для продувки необходимо применять азот с содержанием кислорода не более 2,5%. Следует собрать схему продувки на включаемом электролизере, открыть вентили выпуска воздуха из системы, установить давление азота в рампе 0,2-0,5 МПа и продуть систему до содержания азота в выдуваемом газе не менее 97%.
Давление в аппаратах в процессе продувки следует поддерживать в пределах 0,02-0,05 МПа.
3.4.2. После окончания продувки аппаратов и трубопроводов следует продуть импульсные трубки средств измерения, затем прекратить подачу азота, закрыть вентили в схеме установки, открытые при продувке.
3.5. Подготовка средств измерения к включению в работу.
Для подготовки средств измерения следует:
прогреть датчики автоматических газоанализаторов ГТХ-1-11 и ГТХ-1-21. После того, как температура датчиков достигнет номинального значения (68±1)°С, подать в датчики приборов азот;
проверить на азоте при давлении 0,01-0,015 МПа нуль вторичных приборов. После установки нуля оставить приборы включенными и перед подачей в датчики водорода и кислорода повторно продуть их азотом;
залить водой разделительные сосуды дифференциального манометра-уровнемера и электроконтактного манометра, проверить нуль вторичного прибора дифференциального манометра-уровнемера;
ввести следующие уставки технологических защит, срабатыватющих при нарушениях режима работы: содержание водорода в кислороде - 2,0%, содержание кислорода в водороде - 1,0%, разность давлений между водородом и кислородом ±2 кПа, максимальное давление водорода в аппаратах - 1 МПа;
проверить работу схемы защиты и сигнализации имитацией возможных неисправностей;
выставить уставки для действия предупредительных сигналов, которые должны поступать при повышении содержания водорода в воздухе до 1%, понижении до нуля содержания водорода в кислороде и кислорода в водороде и повышении температуры электролита до 70°С. Понижение до нуля содержания примесей в газах свидетельствует об отсутствии протока газов через датчики газоанализаторов ГТХ.
3.6. Вытеснение воздуха из ресиверов для водорода инертным газом.
Вытеснение воздуха углекислым газом следует вести до содержания углекислого газа в выдуваемом газе не менее 85%; вытеснение воздуха азотом - до содержания азота в выдуваемом газе не менее 97%.
3.7.1. Перед включением в работу электролизера следует проверить:
уровни жидкости в аппаратах;
полярность электролизера;
изоляцию стяжных болтов и монополярных плит;
открытие вентилей и манометров и дифференциального манометра-уровнемера.
3.7.2. Следует собрать схему включения электролизера, открыть вентили выпуска газов в атмосферу и вентиль на линии циркуляции электролита, если он имеется. Затем подать напряжение на включаемый электролизер и установить на нем ток 100 А. Прибавляя по 50-100 А через каждые 5 мин, увеличить ток до номинального значения. Напряжение на электролизере при этом не должно превышать номинального для данного типа электролизера.
3.7.3. После подачи напряжения на электролизер следует продуть аппараты и трубопроводы водородом и кислородом до тех пор, пока анализ выпускаемых из установки газов не покажет содержание водорода выше 99,0% и содержание кислорода выше 98,0%. После этого следует увеличить давление и подать водород в ресиверы.
3.7.4. При подаче водорода и кислорода в датчики газоанализаторов необходимо отрегулировать проход газов через датчики по ротаметрам.
3.7.5. Для включения в работу системы подпитки обессоленной водой следует открыть вентиль на трубопроводе, соединяющем верхнюю часть уравнительных баков с регулятором давления водорода, и вентили, соединяющие жидкостную систему регуляторов с уравнительными баками и разделительными колонками.
3.8. Включение установки осушки водорода.
Перед включением в работу установки необходимо: включить компрессор и проверить работу холодильного агрегата (трубка после терморегулирующего вентиля и всасывающая трубка должны покрыться инеем);
открыть вентиль подачи водорода через испаритель, при этом иней со всасывающей трубки должен исчезнуть, но она должна быть холодной (0÷5°С), а на трубке после терморегулирующего вентиля иней должен оставаться;
проверить температуру газа на выходе из испарителя. При нормальной работе установки температура газов должна быть не выше минус 5°С.
3.9. Включение установки адсорбционной осушки.
3.9.1. Осушка водорода производится в двух осушителях, работающих попеременно на осушку и регенерацию. Циклы осушки и регенерации зависят от производительности ЭУ.
3.9.2. Следует собрать схему осушки водорода, открыть вентили подачи пара в паровой подогреватель и в рубашку регенерируемого осушителя, подать охлаждающую воду в холодильники работающего осушителя. Подать газ через подогреватель в регенерируемый осушитель.
Установку адсорбционной осушки кислорода следует включать аналогичным образом.
3.9.3. Для включения в работу установки адсорбционной осушки водорода с вакуумно-термической десорбцией влаги необходимо:
подать водород на осушку в один из осушителей;
открыть вентиль подачи пара в рубашку второго (регенерируемого) осушителя;
включить через 16 ч после начала прогрева вакуумный насос ВВН-1,5 и отрегулировать (по ротаметру) подачу водорода в регенерируемый осушитель;
проводить регенерацию в течение 4 ч, не прекращая подачу пара в рубашку, подачу водорода на продувку (расход водорода должен составлять 3-4 нм3/ч) и не отключая вакуумный насос;
отключить насос, прекратить подачу пара в рубашку и водорода в осушитель. Плавно и осторожно "сорвать" вакуум в аппарате, соединив аппарат с работающим осушителем;
закрыть все вентили на отрегенерированном осушителе, кроме одного вентиля, связывающего этот осушитель с работающим, и поставить горячий осушитель на естественное охлаждение.
3.10. Заполнение ресиверов.
Для заполнения ресиверов необходимо:
собрать схему продувки ресиверов для водорода;
закрыть вентиль выпуска водорода из ЭУ в атмосферу, открыть вентиль подачи водорода в ресиверы. При продувке следует поддерживать давление в ресиверах в пределах 0,05÷0,10 МПа;
после того, как содержание водорода в выпускаемом из ресиверов газе достигнет 99,0%, закрыть вентили выпуска водорода из ресиверов, открыть дренажные вентили ресиверов и продуть нижнюю часть каждого ресивера до содержания водорода 99,0%;
закрыть дренажные вентили ресиверов и приступить к накапливанию водорода в ресиверах;
собрать схему продувки ресиверов для кислорода, вытеснить из них воздух до содержания кислорода в выпускаемом газе не ниже 98,0% и приступить к накапливанию кислорода в ресиверах.
При продувке кислородных ресиверов, их заполнении и последующей эксплуатации давление кислорода в ресиверах должно быть ниже, чем давление водорода в ресиверах.
3.11. Включение второго электролизера при работе первого.
Для включения второго электролизера необходимо:
проверить открытие вентилей выпуска газов в атмосферу из регуляторов давления включаемого электролизера;
проверить (при наличии в схеме гидрозатворов для водорода и кислорода) открытие вентилей входа газов в гидрозатворы;
продуть включаемый электролизер азотом в соответствии с п. 3.4 настоящей Типовой инструкции;
включить электролизер в соответствии с п. 3.7 настоящей Типовой инструкции;
закрыть вентили выпуска газов в атмосферу и открыть вентили подачи газов в рабочие коллекторы после того, как давление в аппаратах вводимого в работу электролизера превысит на 0,01-0,02 МПа давление в аппаратах первого электролизера;
открыть вентили подпитки, соединяющие по воде аппараты вновь включаемого электролизера с уравнительными баками;
открыть вентиль на трубопроводе, связывающем жидкостную систему регуляторов с разделительными колонками;
подключить аппараты вновь включенного электролизера к импульсным трубкам дифференциального манометра-уровнемера.
3.12. Включение ЭУ после временного перерыва в работе.
Для включения ЭУ необходимо:
проверить чистоту кислорода и водорода или азота (если система продувалась азотом) в аппаратах установки;
включить ЭУ согласно п. 3.7, убедившись в нормальной чистоте газов или азота;
увеличить перед подключением ЭУ к ресиверам давление газов в системе на 0,05 МПа по сравнению с давлением в ресиверах.
4.1. Заполнение уравнительных баков обессоленной водой (или конденсатом).
Для заполнения уравнительных баков следует:
закрыть вентили, соединяющие по жидкости и по газу уравнительные баки с регуляторами;
проверить плотность закрытия этих вентилей кратковременным открытием вентиля выпуска водорода в атмосферу. Уровни воды в регуляторах давления при этом должны оставаться без изменения;
открыть вентиль выпуска водорода из уравнительных баков в атмосферу;
промыть трубопровод обессоленной воды (конденсата), сливая воду в течение 2-3 мин в канализацию. Закрыть дренажный вентиль, открыть вентиль подачи поды в уравнительные баки и заполнить их, следя за заполнением по указателям уровня на баках;
закрыть вентили подачи воды в баки и вентиль выпуска водорода из баков в атмосферу;
открыть вентиль на трубопроводе водорода от регулятора к уравнительным бакам, а затем открыть вентили подачи воды из баков на аппараты ЭУ.
4.2. Обслуживание установки осушки водорода.
4.2.1. Один раз в сутки следует сливать воду из расширителя. Периодически, не реже одного раза в неделю, производить оттаивание испарителя. Для оттаивания следует открыть вентиль на обводном трубопроводе водорода и закрыть один из вентилей на испарителе, после чего отключить холодильный агрегат, слить воду из расширителя после оттаивания испарителя, затем закрыть вентиль на обводном трубопроводе, открыть вентиль на испарителе и включить холодильный агрегат.
4.2.2. Необходимо проверять периодически (один раз в смену) температуру водорода на выходе из испарителя, которая должна быть не выше минус 5°С.
4.3. Обслуживание установки адсорбционной осушки газов.
4.3.1. Регулярно, по графику, в зависимости от производительности установки (обычно один раз в неделю) следует производить переход с одного осушителя на другой. При переходе следует включить подогреватель газа, подать пар в рубашку регенерируемого осушителя, подать горячий газ в регенерируемый осушитель. Холодный газ при этом поступит в предварительно охлажденный второй осушитель.
4.3.2. Регенерацию силикагеля следует заканчивать, когда температура газа на выходе из осушителя достигнет 100°С. После окончания регенерации следует закрыть вентили подачи пара в подогреватель газа и в рубашку осушителя, в котором происходила регенерация.
Газ следует направить непосредственно в рабочий осушитель, минуя нагретый, который должен остывать.
4.3.3. Вентили подачи охлаждающей воды в холодильники должны быть открыты постоянно при всех режимах работы установки осушки.
4.3.4. Один раз в сутки следует сливать воду из всех сборников конденсата.
4.4. Обслуживание установки осушки газа с вакуумно-термической регенерацией осушителя.
4.4.1. Один раз в неделю следует производить переход с одного осушителя на другой в соответствии с п. 3.9.3 настоящей Типовой инструкции.
4.4.2. В процессе регенерации необходимо следить за показаниями ротаметра (поплавок должен находиться на середине шкалы) и за вакуумом в системе, который должен быть в конце регенерации не ниже 90%.
5.1. Действия персонала при осмотрах ЭУ.
Оперативный персонал один раз в смену обязан произвести внешний осмотр электролизера, вспомогательного оборудования и проверить:
соответствие показаний дифференциального манометра-уровнемера уровня воды в регуляторах давления работающего электролизера;
уровни воды в регуляторах давления отключенного электролизера;
открытие вентилей выпуска газов в атмосферу на регуляторах давления отключенного электролизера и у гидрозатворов;
наличие воды в гидрозатворах;
расход газов в датчиках газоанализаторов (по ротаметрам);
плотность вентилей на трубопроводе подачи воды в уравнительные баки;
плотность вентилей на трубопроводе электролита.
5.2. Порядок ведения записей при осмотрах.
Оперативный персонал обязан сделать запись в журнале контроля и наблюдений о выявленных дефектах и записать в суточную ведомость следующие параметры:
нагрузку и напряжение на электролизере;
температуру газов на выходе из электролизера;
давление водорода и кислорода в системе и ресиверах;
давление инертного газа в ресиверах.
5.3. Объем и периодичность химического контроля работы ЭУ приведены в табл. 1.
|
Анализируемый продукт |
Место отбора пробы |
Периодичность |
Определяемый компонент или показатель |
Содержание по норме |
|
Электролит |
Бак приготовления электролита |
При приготовлении электролита |
Плотность |
1280-1300 кг/м3 |
|
- " - |
Разделительная колонка или линия циркуляции |
Один раз в месяц |
Плотность |
1280-1300 кг/м3 |
|
- " - |
Разделительная колонка или линия циркуляции |
Один раз в год |
Хлориды |
Браковочные нормы 6 г/л |
|
Карбонаты |
800 мг-экв/л |
|||
|
Конденсат или обессоленная вода |
Трубопровод подпитки уравнительных баков |
Один раз в 10 дн |
Хлориды |
20 мкг/кг |
|
Соединения железа |
30 мкг/кг |
|||
|
Карбонаты |
70 мкг-экв/кг |
|||
|
Водород |
Трубопровод перед автоматическим газоанализатором |
Один раз в сутки |
Кислород |
1% |
|
- " - |
Трубопровод после регулятора давления водорода |
При пуске электролизера и по требованию |
Кислород |
1% |
|
Кислород |
Трубопровод перед автоматическим газоанализатором |
Один раз в сутки |
Водород |
2,0% |
|
- " - |
Трубопровод после регулятора давления кислорода |
При пуске электролизера и по требованию |
Водород |
2,0% |
|
Азот |
Трубопровод после регулятора давления водорода |
При пуске и отключении электролизера и по требованию |
Азот |
97% |
|
Водород |
Верхняя зона помещений электролизеров и датчиков - газоанализаторов |
При оформлении нарядов-допусков на ремонтные работы |
Водород |
Отсутствие |
|
Примечания: 1. При неисправности одного из автоматических газоанализаторов соответствующий химический анализ должен проводиться каждые 2 ч. 2. При использовании для питания электролизеров обессоленной воды определение содержания хлоридов и карбонатов в электролите и обессоленной воде не требуется. 3. Определение содержания хлоридов и карбонатов в электролите определяется по "Сборнику методик по определению качества электролита электролизных установок ТЭС: РД 34.50.503.1.2.3-93" (М.: СПО ОРГРЭС, 1997). |
||||
5.4. Объем и периодичность проверок оборудования, арматуры и средств измерения ЭУ приведены в табл. 2.
|
Проверяемый элемент оборудования (прибор) |
Проверяемая величина (параметр) |
Нормативное значение проверяемой величины |
Периодичность проверки |
Пункты Типовой инструкции, регламентирующие проверку |
|
Предохранительные клапаны на регуляторах давления |
Давление, при котором клапан открывается |
Не более 115% |
Один раз в 6 мес |
|
|
Предохранительные клапаны на ресиверах |
Тоже |
Не более 115% |
Один раз в два года |
|
|
Обратные клапаны |
Плотность клапана |
Отсутствие пропусков газа |
Один раз в 3 мес |
|
|
Электролизер |
Напряжение на ячейках |
Менее 0,3 В |
Один раз в 6 мес |
|
|
- " - |
Усилие затяжки болтов |
В соответствии с паспортными данными электролизера |
Два раза в год |
|
|
- " - |
Сопротивление изоляции стяжных болтов |
Не менее 1 МОм |
Один раз в 3 мес |
|
|
- " - |
Сопротивление изоляции изолирующих подставок |
Не менее 1 МОм |
Один раз в два года |
|
|
Автоматические газоанализаторы |
Погрешность |
Не более 5% максимального значения шкалы |
Один раз в 3 мес |
|
|
Схема защиты и сигнализации |
Срабатывание защиты и сигнализации |
- |
Один раз в 3 мес |
|
6.1. Отключение одного электролизера при работе другого.
Для отключения одного электролизера необходимо:
закрыть на отключаемом электролизере вентили подпитки водой регуляторов давления, вентиль подпитки водой разделительных колонок и вентиль на трубопроводе водорода от регулятора давления к уравнительным бакам. На электролизере, оставшемся в работе, этот вентиль должен быть открыт;
закрыть вентили на импульсных трубках дифференциального манометра, идущих от аппаратов отключаемого электролизера;
снизить электрическую нагрузку на отключаемом электролизере до 100 А;
закрыть на регуляторах давления вентили подачи газов в рабочие коллекторы и открыть вентили выпуска газов в атмосферу;
стравить давление, отключить электролизер и разобрать электрическую схему;
продуть электролизер азотом согласно п. 3.4 настоящей Типовой инструкции. Вентили выпуска газов в атмосферу по окончании продувки оставить открытыми.
6.2. Планируемое отключение ЭУ.
6.2.1. Перед планируемым отключением ЭУ следует закрыть вентили подпитки системы водой по жидкости и газу. Снизить электрическую нагрузку до 100 А. Затем закрыть вентиль на трубопроводе подачи водорода и кислорода в ресиверы, плавно открыть вентили выпуска газов в атмосферу. Отключить электролизер, понизить давление в системе, отключить электрическую часть газоанализаторов водорода и кислорода. Продуть установку азотом согласно п. 3.4 и заполнить уравнительные баки обессоленной водой согласно п. 4.1.
6.2.2. При отключении ЭУ на срок до 1 ч следует закрыть вентиль на линии подпитки водой разделительных колонок, вентили подачи водорода и кислорода в ресиверы и вентили выпуска газов в атмосферу, оставив аппаратуру под рабочим давлением газов.
6.2.3. При отключении ЭУ на срок до 4 ч следует закрыть вентили автоматической подпитки системы водой, вентили подачи водорода и кислорода в ресиверы, отключить ЭУ, открыть вентили выпуска газов в атмосферу (один или оба газа должны выпускаться через гидрозатвор) и довести давление в аппаратах до 0,01-0,02 МПа.
Если оба газа выпускаются через гидрозатворы, вентили выпуска газов в атмосферу следует оставить открытыми; если через гидрозатвор выпускается только кислород, оставить открытым вентиль выпуска кислорода и закрыть после снижения давления до 0,01-0,02 МПа вентиль выпуска водорода.
Не следует отключать дифференциальный манометр-уровнемер и выводить защиту от повышение разности давлений между водородом и кислородом.
6.2.4. При отключении ЭУ на срок более 4 ч следует производить после понижения давления газов продувку аппаратов азотом согласно п. 3.4.
6.3. Аварийное отключение ЭУ.
6.3.1. Аварийное отключение ЭУ следует производить при образовании течи электролита или газов, а также при взрыве или пожаре в помещении ЭУ или на территории.
6.3.2. Электролизеры должны быть отключены аварийной кнопкой. По возможности следует закрыть вентили автоматической подпитки, вентили на ресиверы и выпустить газы в атмосферу (если доступ к вентилям в помещении ЭУ затруднен или опасен, необходимо снизить давление с помощью вентилей на ресиверах водорода и кислорода).
6.4. Отключение ЭУ защитой.
6.4.1. После получения сигнала оперативный персонал должен прибыть на ЭУ не позднее чем через 15 мин. В первую очередь следует установить причину отключения, закрыть вентили автоматической подпитки и отключить ресиверы. Затем восстановить нормальные уровни воды в регуляторах давления, если они изменились, проверить чистоту газов химическим анализом, а затем снизить давление и продуть установку азотом согласно п. 3.4.
6.4.2. Повторный пуск должен выполняться оперативным персоналом только после полного выявления и устранения причины отключения ЭУ защитой.
7.1. Характерные неисправности ЭУ, их причины и способы устранения приведены в табл. 3.
|
Неисправность |
Причина |
Способ устранения |
|
|
Снижение чистоты водорода по автоматическому газоанализатору, подтвержденное химическим анализом |
Закупорка одного или нескольких отверстий для выхода кислорода из ячеек в коллекторы |
Проверить напряжение на ячейках электролизера - увеличение напряжения на одной или нескольких ячейках свидетельствует о закупорке отверстий. Отключить электролизер и промыть его водой. При отсутствии эффекта разобрать электролизер |
|
|
Короткое замыкание в одной или нескольких ячейках между анодами и рамами |
Проверить напряжение между анодами и рамами. При наличии КЗ несколько раз снизить ток до нуля и затем поднять до максимального значения. Если это не поможет, разобрать электролизер |
||
|
Перевернута одна из прокладок в электролизере СЭУ-10 или СЭУ-20 |
Отключить электролизер, слить электролит, открыть пробки на концах коллекторов, найти перевернутую прокладку и заменить ее |
||
|
"Опрокинутая" циркуляция электролита |
Проверить температуру водорода и кислорода на выходе из электролизера. Если разница достигает 10°С, промыть электролизер и отдельно электролитный коллектор водой |
||
|
Повреждение при затяжке прокладок электролизеров СЭУ-10 и СЭУ-20. Нарушение крепления диафрагм к рамам электролизеров СЭУ-10 и СЭУ-20. Коррозия (сквозная) газовых каналов. Разрывы или неплотности в асбестовой ткани. Неплотность основных листов биполяров в местах крепления анкеров |
Разобрать электролизер, выявить и заменить дефектные элементы |
||
|
Снижение чистоты кислорода по автоматическому газоанализатору, подтвержденное химическим анализом |
Закупорка одного или нескольких отверстий для выхода водорода из ячеек в коллекторы |
Проверить напряжение на ячейках электролизера. Промыть электролизер водой. При отсутствии эффекта разобрать электролизер |
|
|
Короткое замыкание в одной или нескольких ячейках между катодами и рамами |
Проверить напряжение между катодами и рамами. При наличии КЗ несколько раз снизить ток до нуля и затем поднять до максимального значения. Если это не поможет, разобрать электролизер |
||
|
Накопление в порах диафрагменной ткани солей и окислов железа |
Проверить напряжение между катодами и рамами. Если на многих ячейках это напряжение ниже 0,3-0,4 В, промыть электролизер и добавить К2Сr2О7 (2 г на 1 л). При отсутствии стабильного эффекта разобрать электролизер, тщательно промыть и очистить диафрагмы или заменить их, если они находились в работе более шести лет |
||
|
Выдавливание прокладок в электролизерах СЭУ-10 и СЭУ-20, неплотность диафрагменной ткани |
Разобрать электролизер |
||
|
Повышение давления в аппаратах ЭУ, опережающее рост давления в ресиверах |
Неправильное регулирование клапанов в регуляторах давления |
Проверить уровень воды, соответствующий закрытию клапана в регуляторе давления водорода. Изменить подвеску поплавка. При необходимости залить в поплавок 5-8 кг подщелоченной воды |
|
|
|
Быстрый отбор водорода из ресиверов, приводящий к "перепитке" водой регуляторов давления и закрытию клапанов |
Закрыть вентиль на трубопроводе водорода от промывателя-регулятора к верхней части уравнительного бака. Кратковременным открытием вентиля на трубопроводе выпуска водорода из уравнительных баков в атмосферу снизить уровень воды в регуляторе давления водорода |
|
|
|
Замерзание воды в наружном трубопроводе водорода |
Отогреть замерзшую воду паром или горячей водой. Проверить и при необходимости откорректировать режим работы установки осушки водорода |
|
|
Увеличение разности температур водорода и кислорода на выходе из электролизера, повышение температуры электролизера выше 85 °С, увеличение перепада температуры по длине электролизера до 20°С |
Закрыт или неисправен вентиль на трубопроводе возврата электролита из разделительных колонок в электролизер или вентиль на трубопроводе подачи воды из регуляторов промывателей в разделительные колонки |
Проверить открытие и исправность вентилей |
|
|
|
Засорен нижний коллектор электролизера или линия возврата электролита в электролизер |
Отключить электролизер и промыть его водой. Отдельно промыть трубопровод электролита из разделительных колонок к электролизеру |
|
|
Нарушение работы регулятора давления |
Перекос клапана или штока в регуляторе давления |
Отключить ЭУ, если она ранее не была отключена защитой. После продувки азотом вскрыть клапанную камеру регулятора и провести ревизию клапана. При необходимости разобрать регулятор и выправить шток |
|
|
|
Разгерметизация поплавка |
При потере плавучести поплавка разобрать регулятор, загерметизировать и опрессовать поплавок |
|
|
Прекращение поступления воды из уравнительных баков в регуляторы давления |
Отсутствие воды в уравнительных баках |
Проверить наличие воды в баках, при необходимости заполнить их |
|
|
|
Утечка водорода из уравнительных баков |
Проверить герметичность баков и плотность закрытия вентиля на трубопроводе выпуска водорода из баков в атмосферу |
7.2. Периодичность ремонтов.
7.2.1. Промывка электролизера, проверка усилия затяжки болтов, проверка предохранительных клапанов регуляторов давления газов и ревизия арматуры должны проводиться один раз в 6 мес.
7.2.2. Текущий ремонт, включающий работы, перечисленные в п. 7.2.1, а также разборку электролизеров с заменой прокладок, проверку и очистку диафрагм и электродов, замену дефектных деталей электролизеров, должен производиться один раз в три года.
7.2.3. Капитальный ремонт, включающий все работы по текущему ремонту, а также натяжку или переклепку асбестовой ткани на диафрагменных рамах должен производиться один раз в шесть лет.
7.2.4. При отсутствии утечек электролита из электролизеров и сохранении регламентированных настоящей Типовой инструкцией параметров технологического режима допускается увеличение срока работы ЭУ между текущими и капитальными ремонтами по решению главного инженера энергопредприятия.
7.2.5. Если производительность одного электролизера достаточна для восполнения утечек и продувок всех турбогенераторов, не следует переходить без необходимости с одного электролизера на другой. Второй электролизер один раз в 3 мес. следует включать на 8 ч для проверки чистоты газов и работы регуляторов давления.
7.3. Подготовка ЭУ к проведению ремонта.
7.3.1. При выводе в ремонт оборудования ЭУ должны быть отсоединены от участков, находящихся под давлением, трубопроводы водорода, кислорода и электролита.
Отсоединение трубопроводов может быть выполнено путем разъединения фланцев и установки заглушек, имеющих хвостовики, или путем закрытия двух последовательно расположенных вентилей и открытия между ними продувочного вентиля, соединяющего трубопровод с атмосферой.
7.3.2. Разборку аппаратов и арматуры, содержащих электролит, следует производить только после слива электролита и промывки ремонтируемой аппаратуры и трубопроводов до полного удаления следов щелочи.
7.3.3. Слив электролита из электролизера можно производить только после продувки всех аппаратов азотом. Перед сливом электролита в бак для щелочи следует проверить закрытие вентиля на трубопроводе воды от регуляторов давления к разделительным колонкам и открыть воздушники на газопроводах от разделительных колонок к регуляторам для предотвращения разбавления электролита водой. Затем следует открыть вентили у бака для щелочи и откачать электролит насосом в бак.
7.4. Промывка электролизера.
7.4.1. Сначала следует отсоединить трубопроводы водорода и кислорода от разделительных колонок до регуляторов давления, снять заглушки с обоих торцов нижнего канала электролизера и промыть канал струей горячей воды до тех пор, пока вода, выходящая из канала в канализацию, станет прозрачной. Затем подать с помощью шлангов воду в верхнюю часть разделительных колонок, закрыв вентиль (или при отсутствии вентиля - установить заглушку) на трубопроводе циркуляции электролита.
7.4.2. При промывке электролизеров СЭУ-4М и СЭУ-8М необходимо закрыть отверстия нижнего канала со стороны разделительных колонок.
На электролизерах СЭУ-10 и СЭУ-20 следует оставить оба торца нижнего канала открытыми.
Промывку электролизера сверху вниз следует производить до тех пор, пока вытекающая вода не станет прозрачной.
7.5. Проверка и корректировка усилия затяжки электролизера.
7.5.1. После остывания электролизера необходимо измерить усадку тарельчатых пружин на всех болтах и сравнить полученный результат с данными, зафиксированными при приемке электролизера из монтажа, и с требованиями, изложенными в инструкции завода-изготовителя.
7.5.2. При необходимости следует довести усилие затяжки до значения регламентируемого паспортными данными электролизера.
7.6. Ревизия арматуры.
Ревизию арматуры следует производить в соответствии с выявленными в процессе эксплуатации дефектами и неполадками, а также в случае сомнения надежности работы конкретной единицы арматуры. При ревизии необходимо проверить герметичность сальникового устройства и исправность действия затворного механизма.
8.1. Персонал, занятый обслуживанием ЭУ„ должен знать и выполнять требования "Правил техники безопасности при эксплуатации электроустановок" (М.: Энергоатомиздат, 1986).
8.2. Предотвращение образования взрывоопасных смесей.
8.2.1. Смесь водорода с кислородом или воздухом, содержащая от 4 до 95% водорода в кислороде или от 4 до 75% водорода в воздухе, является взрывоопасной.
8.2.2. Аппараты и трубопроводы должны перед пуском и после отключения продуваться азотом чистотой не ниже 97,5%; продувка аппаратов углекислым газом запрещается.
При использовании азота в баллонах необходимо производить его анализ.
Ресиверы ЭУ могут продуваться азотом или углекислым газом (ГОСТ 8050-85, сорт пищевой или технический). При необходимости внутреннего осмотра один ресивер или группу ресиверов следует продуть углекислым газом или азотом для удаления водорода, отключить от других групп ресиверов запорными устройствами и металлическими заглушками, имеющими хвостовики, выступающие за пределы фланца, и затем продуть чистым воздухом.
Продувку ресиверов инертным газом, воздухом и водородом следует вести до достижения в ресиверах концентрации компонентов, указанных в табл. 4.
|
Операция вытеснения |
Место отбора |
Определяемый компонент |
Содержание по норме, % |
|
Воздух углекислым газом |
Верх ресивера |
Углекислый газ |
85 |
|
Воздух азотом |
Тоже |
Кислород |
3 |
|
Углекислый газ водородом |
Низ ресивера |
Углекислый газ, кислород |
1,0; 0,5 |
|
Азот водородом |
Тоже |
Азот, кислород |
1,0; 0,5 |
|
Водород углекислым газом |
Верх ресивера |
Углекислый газ |
95 |
|
Водород азотом |
Тоже |
Водород |
3 |
|
Углекислый газ воздухом |
Низ ресивера |
Углекислый газ |
Отс. |
|
Азот воздухом |
Тоже |
Кислород |
20 |
8.2.3. При использовании для продувки ресиверов технического углекислого газа, который содержит до 0,05% окиси углерода, его следует хранить отдельно от пищевого.
8.3. Предотвращение взрывов и пожаров.
8.3.1. Работы с открытым огнем в помещении ЭУ могут производиться после отключения установки, проведения анализа воздуха на отсутствие водорода и обеспечения непрерывной вентиляции помещения.
8.3.2. Замерзшие трубопроводы и вентили следует отогревать только паром или горячей водой. Пользование огнем запрещается. Утечки газа из соединений следует определять с помощью мыльного раствора или специальных течеискателей.
8.3.3. В помещении ЭУ и около ресиверов запрещается курить, пользоваться открытым огнем, электрическими нагревательными приборами и переносными лампами.
Для внутреннего освещения аппаратов во время их осмотра и ремонта следует пользоваться переносными светильниками во взрывоопасном исполнении на напряжение не более 12 В с защитными металлическими сетками.
8.3.4. При возникновении пожара в помещении ЭУ или около ресивера необходимо:
немедленно отключить электролизеры;
вызвать пожарную команду по телефону;
прекратить подачу водорода в ресиверы закрытием соответствующих вентилей;
уменьшить давление в аппаратах ЭУ и подать в них азот.
8.3.5. В случае утечки водорода через неплотности и его воспламенения необходимо сбить пламя асбестовой тканью, отключить установку и продуть ее азотом.
8.3.6. В помещении ЭУ должны быть вывешены плакаты: на дверях помещения ЭУ: "Водород, с огнем не входить"; в помещении ЭУ: "Водород, огнеопасно"; на ресиверах водорода должны быть сделаны надписи: "Водород, огнеопасно".
8.3.7. На ЭУ должны находиться следующие средства пожаротушения: углекислотные огнетушители, азот, асбестовая ткань. Неприкосновенный запас азота (три баллона) разрешается расходовать только в аварийных случаях.
8.3.8. В помещении ЭУ запрещается хранить легковоспламеняющиеся и взрывчатые вещества.
8.4. Безопасность при работе с электролитом.
8.4.1. В помещениях электролизеров и приготовления электролита для смыва электролита, попавшего на тело, на видных и легкодоступных местах должны устанавливаться фонтанчики, подключенные к хозяйственно-питьевому водопроводу.
8.4.2. При работе с электролитом необходимо пользоваться защитной спецодеждой и очками. Попадание жидкой или твердой щелочи на кожу, волосы и особенно в глаза может вызвать тяжелые ожоги.
Пробу электролита для измерения плотности следует отбирать только при снятом давлении.
8.4.3. При ожоге твердой или жидкой щелочью следует немедленно промыть пораженное место обильной струей воды, затем раствором борной кислоты (одна часть кислоты на восемь частей воды) и обратиться в медпункт.
8.5.1. Включение электролизера в работу может производиться только после проверки состояния электроизоляции, осмотра аппаратуры и при отсутствии на ней посторонних предметов.
8.5.2. Не следует прикасаться к работающим электролизерам, особенно к концевым плитам. Не допускается попадание щелочи на изоляционные втулки стяжных болтов и на изоляторы под монополярными плитами. При нарушении изоляции этих элементов может возникнуть дуга, что приведет к пожару и аварии.
На полу около электролизеров всегда должны быть диэлектрические коврики.
8.5.3. Оборудование и трубопроводы ЭУ, ресиверы и трубопроводы от ресиверов до машинного зала должны составлять непрерывную электрическую цепь и присоединяться к заземляющим устройствам. В пределах ЭУ аппараты и трубопроводы должны быть заземлены не менее чем в двух местах.
Сопротивление заземляющего устройства должно быть не более 100 Ом.
8.6. Условия безопасной эксплуатации сосудов, работающих под давлением.
8.6.1. Один раз в два года следует производить внутренний осмотр всех сосудов ЭУ, зарегистрированных и не регистрируемых в органах Госгортехнадзора РФ, в целях выявления состояния внутренних поверхностей сосудов и влияния среды на стенки сосудов.
8.6.2. Сосуды ЭУ, зарегистрированные в органах Госгортехнадзора РФ, должны подвергаться:
внутреннему и наружному осмотру - не реже одного раза в четыре года;
гидравлическому испытанию с предварительным внутренним осмотром - не реже одного раза в восемь лет.
8.6.3. Предохранительные клапаны регуляторов давления и ресиверов, вновь установленных или после капитального ремонта, перед пуском в эксплуатацию должны быть отрегулированы на специальном стенде на установленное давление и проверены на плотность затвора и разъемных соединений.
8.6.4 В процессе эксплуатации проверку предохранительных клапанов ЭУ следует производить не реже одного раза в 6 мес., а предохранительных клапанов ресиверов - при внутреннем осмотре сосудов.
Для проведения проверки следует отключить ЭУ и продуть аппараты азотом. Производить испытания клапанов во время работы установки запрещается.
Предохранительные клапаны ресиверов должны быть проверены во время внутреннего осмотра ресиверов.
8.6.5. В качестве контрольной среды для определения момента открывания клапана следует применять азот или воздух, не содержащий масла. Результаты испытаний должны быть зарегистрированы в специальном журнале.
8.6.6. Запрещается устанавливать запорную арматуру ЭУ с помощью сварки. Запорная арматура должна быть установлена на соответствующих разъемных соединениях - фланцевых или цапковых.
8.6.7. Запрещается подтягивать болты и гайки аппаратов и арматуры, находящихся под давлением. Шланги и штуцеры должны быть надежно закреплены.
8.6.8. На ЭУ и ресиверах для водорода должны применяться аммиачные манометры, а для кислорода - специальные манометры.
Манометры должны иметь красную черту, соответствующую разрешенному давлению.
8.7. Защитные средства.
8.7.1. При приготовлении электролита необходимо применять резиновые перчатки, прорезиненный фартук, резиновые сапоги и защитные очки.
8.7.2.При переключениях в электрической части следует использовать диэлектрические коврики, диэлектрические перчатки, плакаты: "Не включать - работают люди", "Стой - напряжение".
8.7.3. Для оказания доврачебной медицинской помощи необходимо иметь: бутыль с раствором борной кислоты (см. п. 8.4.3) и аптечку, содержащую питьевую соду, нашатырный спирт, вату, вазелин, йод, бинт.
Электролизная установка работает непрерывно или периодически в зависимости от потребности в водороде. Производительность ЭУ может при необходимости изменяться в широких пределах.
В состав ЭУ входят электролизеры, аппаратура для охлаждения электролита, промывки, регулирования давления и осушки газов, бак и насос для электролита, ресиверы для хранения запаса выработанных газов, преобразовательные агрегаты для питания электролизеров выпрямленным током, приборы контроля.
Электролизер
Электролизер предназначен для электрохимического разложения воды на водород и кислород. Электролизер - горизонтальный сборный аппарат фильтр-прессного типа, работающий под давлением до 1 МПа. Он состоит из двух монополярных электродов, расположенных на изолированных от земли концевых плитах, и 25-50 (в зависимости от типа электролизера) биполярных электродов, сжатых между концевыми плитами и отделенных один от другого уплотняющими и изолирующими прокладками и диафрагменными рамами.
Биполярные электроды при прохождении через электролизер постоянного тока выделяют на одной стороне (катоде) водород и на другой (аноде) - кислород.
Выделяющиеся на электродах газы разделены асбестовой диафрагмой, прикрепленной к диафрагменным рамам. Электролизер имеет три коллектора: верхние предназначены для отвода газов и электролита, нижний - для возврата в ячейки охлаждающего электролита. Все элементы электролизера соединены в общий пакет и стянуты четырьмя стяжными болтами.
Для компенсации температурных удлинений аппарата на концах болтов установлены тарельчатые пружины. Стяжные болты изолированы от концевых плит с помощью специальных втулок.
Конструктивные особенности электролизеров различных типов указаны в табл. П1.1.
|
Тип |
Отвод газов |
Устройство коллекторов и системы их стяжки |
|
СЭУ-4М СЭУ-8М |
Торцовый |
Коллекторы (каналы) круглой формы размещены внутри выступов на диафрагменных рамах и стягиваются вместе с ячейками |
|
СЭУ-10 |
Средняя рама |
Коллекторы щелевидные расположены в краевой зоне диафрагменных рам |
|
СЭУ-20 |
Тоже |
Тоже |
Уплотняющие прокладки электролизеров СЭУ-10 и СЭУ-20 обматываются изоляционной пленкой из фторопласта-4.
Прокладки электролизеров СЭУ-4М и СЭУ-8М из-за сложной конфигурации пленкой не обматываются.
Основные технические данные электролизеров различных типов приведены в табл. П.1.2.
|
Параметр |
СЭУ-4М |
СЭУ-8М |
СЭУ-10 |
СЭУ-20 |
|
Количество ячеек, шт. |
30 |
34 |
25 |
50 |
|
Ток, А: |
|
|
|
|
|
номинальный |
165 |
610 |
1000 |
1000 |
|
максимальный |
330 |
900 |
- |
- |
|
Напряжение на электролизере, В |
60-72 |
75-78 |
55 |
105 |
|
Напряжение на одной ячейке электролизера, В |
2,0-2,4 |
2,0-2,3 |
2,1 |
2,1 |
|
Плотность тока, А/м2 |
1250-2500 |
1250-2000 |
1800 |
1800 |
|
Рабочее давление, МПа |
1,0 |
1,0 |
1,0 |
1,0 |
|
Температура электролита максимальная, °С* |
85 |
85 |
85 |
85 |
|
Чистота газов, % |
|
|
|
|
|
водорода |
99 |
99 |
99,7 |
99,7 |
|
кислорода |
98 |
98 |
99,5 |
99,5 |
|
Производительность, м3/ч: |
|
|
|
|
|
по водороду |
2-4 |
8-12 |
10 |
20 |
|
по кислороду |
1-2 |
4-6 |
5 |
10 |
|
Вместимость электролизера, м3 |
0,16 |
0,51 |
0,35 |
0,69 |
|
Габаритные размеры, мм: |
|
|
|
|
|
длина |
1700 |
2050 |
1650 |
2400 |
|
ширина |
610 |
915 |
1000 |
1000 |
|
высота |
830 |
1080 |
1300 |
1300 |
|
Масса электролизера, кг |
1289 |
3181 |
3305 |
5121 |
|
* На станционных электролизных установках в целях увеличения межремонтного периода рекомендуется поддерживать температуру электролита в пределах 50-70°С. |
||||
Вспомогательное технологическое оборудование
Расширители на газоотводных трубах электролизеров (СЭУ-10 и СЭУ-20) предназначены для предотвращения коррозионного разрушения газовых каналов, снижения пульсаций давления газоэлектролитной эмульсии в каналах и газоотводных трубах. Расширители представляют собой сосуды с внутренними перфорированными трубами.
Разделительные колонки предназначены для отделения газов от электролита и охлаждения. Разделительные колонки снабжены змеевиками.
Регуляторы давления предназначены для поддержания равенства давлений водорода и кислорода в аппаратах ЭУ независимо от того, при каком давлении используется каждый газ. Регуляторы давления снабжены поплавками и регулирующими клапанами. Поплавки могут перемещаться по вертикали, закрывая и открывая клапаны для выпуска газов. Регуляторы давления предназначены также для промывки водорода и кислорода от щелочного тумана и для охлаждения газов.
Уравнительные баки предназначены для хранения запаса воды, питающей электролизеры. Баки представляют собой горизонтальные сосуды с указателями уровня.
Бак для подачи щелочи - емкость для приготовления электролита со встроенным (для ЭУ СЭУ-4Мх2 и СЭУ-8Мх2) или с выносным фильтром (для СЭУ-10×2 и СЭУ-20×2).
Гидрозатворы - аппараты, предназначенные для выпуска кислорода (водорода) в атмосферу и предотвращения попадания воздуха в систему ЭУ.
Огнепреградитель - аппарат, заполненный гравием, устанавливаемый на трубопроводах выпуска водорода в атмосферу. Огнепреградитель предназначен для предотвращения "проскока" пламени в систему ЭУ при воспламенении водорода на выходе.
Ресиверы - сосуды, предназначенные для хранения запаса газов (водорода, кислорода и углекислого газа).
Описание технологического процесса и схем электролизных установок
Водород и кислород получаются в электролизере при разложении воды постоянным током. Чистая вода обладает очень низкой электрической проводимостью, поэтому в качестве электролита применяется раствор КОН (гидрат оксида калия).
Щелочь в растворе находится в виде заряженных частиц - ионов. Вода диссоциирует на ионы незначительно. При наложении на раствор электрического поля в растворе на катоде и аноде происходят следующие процессы:
4Н2О + 4е– → 2Н2 - 4ОН–
4ОН– + 4е– → О2 + 2Н2О
_________________________________
2Н2О → 2Н2 + О2
Ион калия не разряжается на катоде, являясь только переносчиком электрического тока.
Из электролизеров газы поступают вместе с электролитом в разделительные колонки. Электролит охлаждается и возвращается в электролизеры.
Водород из колонок поступает в регуляторы давления водорода, кислород из колонок - в регуляторы давления кислорода. Регуляторы соединены между собой в нижней части. Выше регуляторов давления установлены уравнительные баки, из которых вода самотеком поступает в жидкостную систему регуляторов давления при опускании воды в водородном регуляторе давления до штуцера, который соединен с верхней зоной уравнительных баков.
Электролит готовят в баке и насосом закачивают в электролизер.
При работе ЭУ водород поступает на осушку через холодильник; при пуске водород выпускается в атмосферу через огнепреградитель, кислород - через гидрозатвор. При заполнении водой уравнительных баков водород из них выпускают в атмосферу через расширитель.
Для продувки аппаратов ЭУ азотом служит рампа, к которой присоединяются азотные баллоны. На рис. 1 показана технологическая схема ЭУ СЭУ-4М×2. Технологическая схема ЭУ СЭУ-8М×2 аналогична показанной на рис. 1.

Рис. 1. Технологическая схема ЭУ СЭУ-4М×2:
1 - электролизер; 2 - разделительная колонка для водорода; 3 - разделительная колонка для кислорода;
4 - азотная рампа; 5 - холодильник; 6 - регулятор водорода; 7 - регулятор кислорода; 8 - уравнительный бак;
9 - бак для щелочи; 10 - гидрозатвор; 11 - огнепреградитель; 12 - насос; 13 - расширитель;
—1,2— - охлаждающая вода;
—1,8— - конденсат;
—3,7— - кислород;
—3,7пр— - продувка кислорода;
—4,5— - водород;
—4,5пр— - продувка водорода;
—5,1— - азот;
—7,2— - электролит;
|
|
- кислородный редуктор |
|
|
- предохранительный клапан |
На рис. 2 показана технологическая схема ЭУ СЭУ-10×2. Эта установка отличается от описанных выше наличием выносного фильтра для электролита, пускового гидрозатвора для водорода, восстановителя (контактного аппарата) для очистки водорода от примеси кислорода, дополнительным оборудованием для охлаждения водорода после аппарата (холодильником, сепаратором и сборником).
Рис. 2. Технологическая схема ЭУ СЭУ-10М×2:
1 - электролизер; 2 - разделительная колонка для водорода; 3 - разделительная колонка для кислорода;
4 - восстановитель; 5 - фильтр; 6 - регулятор-промыватель водорода; 7 - регулятор-промыватель кислорода;
8 - уравнительный бак; 9 - бак для щелочи; 10 - гидрозатвор для кислорода; 11 - гидрозатвор для водорода;
12 - насос; 13 - сборник конденсата; 14 - азотная рампа; 15 - холодильник; 16 - сепаратор; 17 - огнепреградитель;
|
—1,8— |
- конденсат; |
|
—3,7— |
- кислород; |
|
—3,7пр— |
- продувка кислорода; |
|
—4,5— |
- водород; |
|
—4,5пр— |
- продувка водорода; |
|
—5,1— |
- азот; |
|
—7,2— |
- электролит; |
|
|
- предохранительный клапан; |
|
|
- кислородный редуктор |
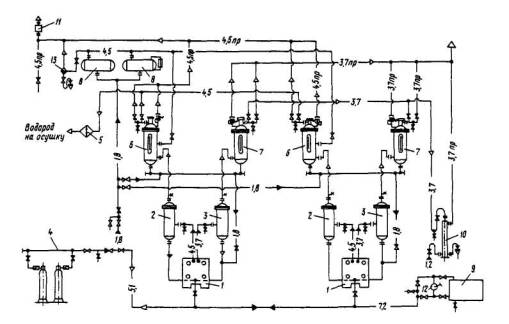
Электролизная установка СЭУ-20×2, выпускавшаяся до 1981 г., имеет промыватели газов и регуляторы давления. Технологическая схема этой установки показана на рис. 3.

Рис. 3. Технологическая схема ЭУ СЭУ-20×2 с разделительными регуляторами давления и промывателями газов:
1 - электролизер; 2 - разделительная колонка для водорода; 3 - разделительная колонка для кислорода; 4 - промыватель водорода; 5 - промыватель кислорода; 6 - регулятор давления водорода; 7 - регулятор давления кислорода; 8 - уравнительный бак; 9 - бак для щелочи; 10 - гидрозатвор; 11 - фильтр; 12 - насос; 13 - сборник конденсата; 14 - азотная рампа; 15 - холодильник; 16 - сепаратор; 17 - огнепреградитель.
Остальные обозначения см. рис. 2.
В настоящее время ЭУ СЭУ-20×2 выпускается с совмещенными регуляторами-промывателями. На рис. 4. показана технологическая схема такой установки.

Рис. 4. Технологическая схема ЭУ СЭУ-20×2 с совмещенными регуляторами-промывателями:
1 - электролизер; 2 - разделительная колонка для водорода; 3 - разделительная колонка для кислорода; 4 - сепаратор; 5 - огнепреградитель; 6 - регулятор-промыватель водорода; 7 - регулятор-промыватель кислорода; 8 - уравнительный бак; 9 - бак для щелочи; 10 - гидрозатвор; 11 - фильтр; 12 - насос; 13 - сборник конденсата; 14 - азотная рампа; 15 - холодильник.
Остальные обозначения см. рис. 2.
Оборудование установки осушки водорода методом охлаждения (рис. 5)
Такие установки применяются на ЭУ СЭУ-4М×2 и СЭУ-8М×2. Установка содержит холодильно-компрессорный агрегат, испаритель, расширитель и необходимые приборы для автоматического регулирования.
Агрегат состоит из компрессора, конденсатора, диффузора с вентилятором, ресивера, труб и вентилей.
Испаритель - вертикальный аппарат, снабженный змеевиком, по которому движется хладон при работе установки. В расширителе собирается вода при оттаивании испарителя.

Рис. 5. Схема установки осушки водорода методом охлаждения:
1 - испаритель; 2 - расширитель; 3 - холодильно-компрессорный агрегат
Регулятор давления РД-1 предназначен для автоматического управления работой холодильного агрегата.
Терморегулирующий вентиль ТРВ-2М предназначен для автоматического регулирования количества хладона, поступающего в испаритель, и поддержания заданной температуры паров хладона, при которой обеспечивается его полное испарение.
Оборудование адсорбционной установки осушки водорода (кислорода)
Установки такого типа, обеспечивающие более высокую степень осушки газа, чем холодильные агрегаты с испарителями, применяются на ЭУ СЭУ-10×2 и СЭУ-20×2.
На рис. 6 показана технологическая схема установки осушки водорода на ЭУ СЭУ-20×2.

Рис. 6. Технологическая схема адсорбционной установки осушки водорода:
1 - паровой подогреватель; 2 - осушитель; 3 - холодильник; 4 - сепаратор; 5 - сборник конденсата; 6 - конденсатоотводчик;
—1,0—отработанная вода;
—1,2— охлаждающая вода;
—2,0— отработанный пар;
—2,3— перегретый пар;
—4,5— водород
Водород поступает в паровой подогреватель, который включается в работу только при регенерации одного из осушителей. При отсутствии регенерации холодный водород поступает в верхнюю часть одного из осушителей и, пройдя его, подается в ресивер.
В процессе регенерации водород, нагретый в подогревателе, поступает в нижнюю часть регенерируемого осушителя, в рубашку которого в это время подается пар, имеющий температуру не ниже 180°С.
Пройдя этот осушитель, водород поступает в холодильники. Водяные пары конденсируются, вода отделяется в сепараторе и стекает в сборник конденсата, а водород поступает во второй осушитель и (после осушки) в ресиверы. Пар из рубашки осушителя сбрасывается через конденсатоотводчик.
Если цикл осушки газа в одном осушителе превышает 3 сут., охлаждающую воду в рубашку работающего осушителя подавать не следует. При работе электролизера цикл осушки составляет 5-7 сут.
Оборудование адсорбционной установки осушки газа с вакуумно-термической регенерацией сорбента
Регенерацию сорбента (силикагеля) путем периодического (один раз в неделю) вакуумирования увлажненного осушителя с одновременным подогревом аппарата и подачей в него небольшого количества водорода позволяет производить глубокую осушку газа (до температуры точки росы минус 50-60°С) при упрощении схемы и уменьшении количества аппаратов.
Технологическая схема такой установки показана на рис. 7.

Рис. 7. Технологическая схема адсорбционной установки осушки водорода с вакуумно-термической регенерацией сорбента:
1 - ротаметр; 2 - редуктор; 3 - осушитель; 4 - вакуумный насос; 5 - огнепреградитель; 6 - мановакуумметр; 7 - гидрозатвор.
|
—1,0— |
- слив охлаждающей воды; |
|
—1,2— |
- охлаждающая вода; |
|
—2,0— |
- отработанный пар; |
|
—2,3— |
- пар; |
|
—4,5— |
- водород; |
|
—4,5пр— |
- продувка водорода; |
|
—5,1— |
- азот; |
|
|
- выхлоп в атмосферу; |
|
|
- направление потока газа; |
|
|
- направление потока жидкости; |
|
|
- сливная воронка; |
|
|
- запорный вентиль; |
|
|
- обратный клапан |
При работе установки водород от электролизеров проходит через один из осушителей в ресиверы.
При регенерации второго осушителя в его рубашку подают пар и через 16 ч понижают в нем давление, выпуская водород через огнепреградитель, и включают водокольцевой вакуумный насос ВВН-1,5. С помощью редуктора, например газового баллонного ДПП-1-65 для пропан-бутана (ТУ 26-05-436-76), и вентилей устанавливают поплавок в ротаметре РМ-1 ГУЗ на отметке 3 нм3/ч. Регенерацию ведут в течение 4 ч, поддерживая с помощью вентилей поплавок в ротаметре на заданной высоте, подавая пар в рубашку осушителя и наблюдая за вакуумом в системе по мановакуумметру, за работой насоса и сливом воды из него через гидрозатвор.
После окончания регенерации отключают насос, прекращают подачу пара в рубашку, "срывают" водородом вакуум в осушителе, поднимают в нем давление и оставляют охлаждаться до вывода на регенерацию второго осушителя.
Схема вакуумно-термической регенерации сорбента с дозированным расходом продувочного газа позволяет значительно эффективнее сушить газ, особенно при пониженной температуре греющего пара (ниже 170-180°С) и при работе ЭУ с частичной производительностью.
Средства измерения, технологическая зашита, предупредительная сигнализация
Электролизные установки всех типов оснащены следующими приборами:
автоматическими газоанализаторами для измерения содержания водорода в кислороде;
автоматическими газоанализаторами для измерения содержания кислорода в водороде;
приборами, контролирующими давление в аппаратах и разность давлений между водородом и кислородом в системе;
приборами, измеряющими температуру газов, электролита и пара;
автоматическими газоанализаторами для измерения содержания водорода в воздухе помещений электролизеров.
Технологические защиты ЭУ действуют на отключение преобразовательных агрегатов при:
содержании водорода в кислороде более 2,0%;
содержании кислорода в водороде более 1,0%;
давлении в системе более 1,0 МПа;
разности давлений в регуляторах более 2,0 кПа;
межполюсных к.з;
однополюсных к.з (для электролизеровСЭУ-10 и СЭУ-20);
исчезновении напряжения на преобразовательных агрегатах со стороны переменного тока.
При автоматическом отключении технологическими защитами на центральный щит управления подается сигнал.
Сигнал на центральный щит управления подается также при следующих отклонениях от установленного режима ЭУ всех типов:
повышении температуры электролита в электролизерах;
понижении чистоты до нуля водорода в кислороде и кислорода в водороде;
содержании водорода в воздухе помещений электролизеров и датчиков КИП более 1%.
1. Средства измерения
|
Средства измерения |
ГОСТ, ТУ, ОСТ |
Тип |
Количество, шт. |
Назначение |
|
Газоанализатор для общего анализа природных и промышленных газов |
ОСТ 251256-94 |
КГА 2-1 |
2 |
Для контроля чистоты водорода |
|
Газоанализатор кислорода |
ТУ 25-11-1223-76 |
ГК1 |
2 |
Для контроля чистоты кислорода |
|
Эксплозиметр |
- |
ЭТХ-1-21 |
1 |
Для определения водорода в воздухе |
|
или |
|
|
|
|
|
сигнализатор горючих газов |
- |
СТХ-5А-1 |
1 |
Тоже |
|
или |
|
|
|
|
|
индикатор водорода |
- |
СИГ-1В |
1 |
Тоже |
|
Денсиметр аккумуляторный, предел измерений плотности 1100-1300 кг/м3 |
ТУ 25-11-1041-75 |
- |
2 |
Для определения плотности электролита |
|
Вольтметр постоянного тока, предел измерений 0,45 мВ - 3,0 В |
ТУ 25-04-2436-74 |
М-2045 |
1 |
Для измерения напряжения на ячейках электролизера |
|
Мегаомметр лабораторный, предел измерений 0-1 МОм, класс точности 1,0 |
- |
М-503М |
1 |
Для измерения сопротивления изоляции |
2. Материалы и средства защиты
|
Материал, средства защиты |
ГОСТ, ТУ |
Марка, сорт |
Расход материалов для электролизера |
|||||||
|
СЭУ-4М |
СЭУ-8М |
СЭУ-10 |
СЭУ-20 |
|||||||
|
единовременный |
эксплуатационный в год |
единовременный |
эксплуатационный в год |
единовременный |
эксплуатационный в год |
единовременный |
эксплуатационный в год |
|||
|
Гидрат окиси калия, кг |
ГОСТ 9285-78 |
Технический высший (в виде чешуек в полиэтиленовых вкладышах или мешках) |
120 |
80 |
320 |
150 |
440 |
200 |
800 |
400 |
|
Калиево-литиевый электролит, кг |
ТУ 618-84-84 |
Жидкий |
260 |
150 |
670 |
300 |
900 |
400 |
1500 |
800 |
|
Калий двухромовокислый, кг |
ГОСТ 4220-75 |
ЧДА |
1 |
2 |
2 |
4 |
4 |
8 |
6 |
12 |
|
Силикагель, кг |
ГОСТ 3956-76 |
ксм |
- |
- |
- |
- |
150 |
- |
300 |
- |
|
Азот в баллонах, шт. |
II сорт |
10 |
10 |
10 |
10 |
20 |
20 |
20 |
20 |
|
|
Углекислый газ, сжиженный в баллонах, шт. |
Пищевой или технический |
|
|
3 на один ресивер вместимостью 10 м3 |
|
|||||
|
5 на один ресивер вместимостью 20 м3 |
||||||||||
|
Стержень диаметром 50 мм из фторопласта-4 |
ТУ 7-05-810-71 |
Ф-4 |
5 |
2 |
5 |
2 |
5 |
2 |
5 |
2 |
|
Пластина размером 5×200 мм из фторопласта-4 |
ТУ 6-05-810-71 |
Ф-4 |
5 |
2 |
5 |
2 |
5 |
2 |
5 |
2 |
|
Материал фторопластовый уплотнительный круглый диаметром 6-8 мм |
ТУ 6-05-1570-72 |
ФУМ-0 |
5 |
2 |
5 |
2 |
5 |
2 |
5 |
2 |
|
Рукав резинотканевый напорный диаметром 9 мм |
- |
Г-10 |
20 |
- |
20 |
- |
20 |
- |
20 |
- |
|
Рукав резинотканевый напорный диаметром 16 мм |
- |
В-3 |
25 |
- |
25 |
- |
25 |
- |
25 |
- |
|
Коврики диэлектрические резиновые |
ГОСТ 4997-75 |
- |
4 |
- |
4 |
- |
4 |
- |
5 |
- |
|
Перчатки резиновые кислотощелочестойкие |
- |
№ 2, 3 |
2 |
- |
2 |
- |
2 |
- |
2 |
- |
|
Очки защитные |
- |
- |
2 |
- |
2 |
- |
2 |
- |
2 |
- |
|
Фартук резиновый |
- |
- |
2 |
- |
2 |
- |
2 |
- |
2 |
- |
|
Сапоги резиновые формовые |
ГОСТ 5375-79 |
- |
2 |
- |
2 |
- |
2 |
- |
2 |
- |
|
Аптечка первой помощи |
- |
- |
1 |
- |
1 |
- |
1 |
- |
1 |
- |
3. Запасные детали и материалы, необходимые для ремонта электролизера
|
Наименование |
ГОСТ, ТУ |
Марка |
Количество на один электролизер |
Периодичность использования |
|||
|
СЭУ-4М |
СЭУ-8М |
СЭУ-10 |
СЭУ-20 |
||||
|
Ткань, асбестовая, кг |
ГОСТ 6102-78 |
АТ-16 |
30 |
85 |
90 |
170 |
Один раз в шесть лет |
|
Паронит для прокладок1, кг |
ПЭ |
369 |
825 |
450 |
900 |
Один раз в три года |
|
|
Штифт, шт. |
ТУ 101.90.003 |
- |
- |
- |
175 |
350 |
То же |
|
Заклепка, шт. |
- |
3 (4×16) |
6,5 (4×16) |
6 (5×20) |
10 (5×20) |
Один раз в шесть лет |
|
|
Пленка из фторопласта-4 электроизоляционная ориентированная, ширина 25 мм, толщина 30 мк |
ГОСТ 24222-80 |
Ф-ЧЭО, сорт 1 |
- |
- |
3 |
5 |
Один раз в три года |
|
Клей, кг |
ТУ 38105-1061-76 |
88Н |
- |
- |
2 |
5 |
Тоже |
|
1 При заказе паронита следует указать размеры и толщину листов: для СЭУ-4М - паронит ПЭ 4×750-1000, для СЭУ-8М - паронит ПЭ 4×1000×1500, для СЭУ-10, СЭУ-20 - паронит ПЭ 3×1000×1500. |
|||||||
|
Среда |
Цвет трубопровода |
Цвет колец |
Шифровое обозначение |
Дополнительные указания |
|
Вода |
Зеленый |
- |
1,2 |
Для внутренних трубопроводов интервал между кольцами 0,5 м; для наружных трубопроводов -2 м. Ширина кольца - 40 мм, ширина каемки 10 мм |
|
Конденсат |
- " - |
- |
1,8 |
|
|
Отработанная вода |
- " - |
- |
1 |
|
|
Пар |
Красный |
Одно кольцо желтое |
2,3 |
|
|
Атмосферный воздух |
Синий |
Одно кольцо зеленое |
3,1 |
|
|
Сжатый воздух |
- " - |
Одно кольцо желтое с черными каемками |
3,5 |
|
|
Кислород |
Синий |
То же |
3,7 |
Предупредительный знак в виде взрыва |
|
Водород |
Желтый |
Одно кольцо красное |
4,5 |
Тоже |
|
Выхлоп в атмосферу (кислород) |
Синий |
Одно кольцо желтое с черными каемками |
3,7 |
Наклонные кольца (извилистые) |
|
Выхлоп в атмосферу (водород) |
Желтый |
Одно кольцо красное |
4,5 |
Тоже |
|
Азот |
- " - |
Одно кольцо желтое с черными каемками |
5,1 |
Предупредительный знак в виде восклицательного знака |
|
Углекислый газ |
- " - |
То же |
5,4 |
Тоже |
|
Электролит |
Фиолетовый |
- " - |
7,2 |
* |
|
Предупредительные знаки должны иметь форму треугольника. Изображения должны быть черного цвета на желтом фоне. Треугольник вписан в квадрат со стороной 148 мм. Ресиверы окрашиваются алюминиевой пудрой. На водородный ресивер наносится одно желтое кольцо шириной 1/4 L (L - длина окружности ресивера). На середину желтого кольца наносится одно красное кольцо шириной 100 мм. На ресивер для углекислого газа или азота наносится одно желтое кольцо шириной 1/4 L На середину желтого кольца наносятся два черных кольца шириной по 10 мм с расстоянием между ними 100 мм. |
||||
|
Вещество |
Молекулярная масса |
Применение в производстве |
Предел взрываемости по объему, % |
Физико-химические свойства |
Токсичные свойства, характер действия на организм человека |
Предельная концентрация в воздухе рабочих помещений, мг/м3 |
|||||
|
с воздухом |
с кислородом |
Относительная масса по воздуху для газа, по воде - для жидкости |
Состояние при обычных условиях |
Температура плавления, °С |
Температура кипения, °С |
Температура самовоспламенения,°С |
|||||
|
Водород (Н2) |
2,016 |
Конечный продукт для подпитки и продувки турбогенераторов |
4,0-75 |
4,0-95 |
0,070 |
Бесцветный горючий газ без запаха |
-259,4 |
-252,70 |
510 |
Физиологически инертный газ |
- |
|
Кислород (О2) |
32,0 |
Конечный продукт для сварки и резки металла |
- |
- |
1,105 |
Бесцветный газ без запаха |
-218,8 |
-182,97 |
- |
Токсичными свойствами не обладает. Длительное вдыхание чистого кислорода (при атмосферном давлении) недопустимо |
- |
|
Азот (N2) |
28,01 |
Вспомогательный продукт для продувки технологического оборудования ЭУ |
- |
- |
0,967 |
Бесцветный негорючий газ без запаха |
-210,0 |
-195,80 |
- |
Уменьшает парциальное давление кислорода в легких |
- |
|
Двуокись углерода (СО2) |
44,01 |
Вспомогательный продукт для продувки ресиверов |
- |
- |
1,529 |
Бесцветный газ со слегка кисловатым запахом и вкусом |
-57,0 при 0,5 МПа |
-78,00 |
- |
При концентрации выше 3% действует на дыхательные органы и нервную систему |
- |
|
Гидрат окиси калия (КОН) |
56,0 |
Вспомогательный продукт для приготовления электролита и создания необходимой электрической проводимости раствора |
- |
- |
1,28-1,3 (плотность раствора) |
Негорючая жидкость |
- |
- |
- |
При попадании на кожу вызывает ожоги, особенно опасен для глаз |
0,5 |
|
Бихромат калия (К2Сr2O7) |
294,19 |
Вспомогательный продукт, добавляют в электролит для уменьшения перенапряжений |
- |
- |
- |
Твердое топливо |
856 |
1505 |
- |
Вдыхание пыли раздражает и обжигает слизистую оболочку |
0,1 |
1. Схемы и инструкции.
В помещении электролизеров должны находиться:
технологическая схема установки;
электрическая схема питания электролизеров;
схема защиты и сигнализации;
инструкции по эксплуатации, технике безопасности и противопожарной безопасности.
Технологическая схема должна быть вывешена в помещении электролизеров, остальные схемы должны быть приложены к настоящей Типовой инструкции.
В должностных инструкциях для дежурного персонала электрического цеха, персонала ЦТАИ и химического должны быть указаны обязанности персонала указанных цехов по обслуживанию ЭУ.
2. Памятки.
В помещении электролизеров должны быть вывешены следующие краткие памятки:
"Действия персонала при заполнении уравнительных баков";
"Действия персонала при отключении установок защитой";
"Действия персонала при аварии, взрыве, пожаре".
3. Журналы.
При эксплуатации ЭУ должны вестись следующие журналы:
контроля и наблюдений;
проверок, опробований и ремонтов;
проверки предохранительных клапанов;
химического контроля работы установки.
В журнале контроля и наблюдений производятся записи об осмотрах оборудования, переключениях в схеме, о выявленных дефектах и неполадках. Журнал должен находиться в помещении ЭУ.
В журнал проверок, опробований и ремонтов вносятся записи обо всех видах проверок, опробований и ремонтов, проводимых персоналом цехов, и заключения об исправности установки и возможности ее работы.
4. Рекомендуемый порядок ведения записей при проверках, опробованиях и ремонтах оборудования.
4.1. Проверка обратных клапанов
|
Дата проверки |
Номер обратного клапана (место установки) |
Заключение о пригодности (о плотности клапана) |
Должность, фамилия и подпись проверяющего |
|
|
|
|
|
4.2. Проверка изоляции электролизера
|
Дата проверки |
Характеристика изоляционного узла (номер болта, сторона электролизера) |
Нормируемое сопротивление, МОм |
Измеренное сопротивление, МОм |
Должность, фамилия и подпись проверяющего |
|
|
|
|
|
|
4.3. Проверка напряжения на ячейках электролизера
|
Дата проверки |
Номер ячейки от катода |
Напряжение, В |
Должность, фамилия и подпись проверяющего |
||
|
Катод-рама |
Анод-рама |
Катод-анод |
|||
|
|
|
|
|
|
|
4.4. Проверка действия защиты и сигнализации
|
Дата проверки |
Вид защиты, сигнализации |
Параметр, воздействующий на защиту (отключение, сигнал) |
Должность, фамилия и подпись проверяющего |
|
|
согласно ПТЭ |
фактический |
|||
|
|
|
|
|
|
4.5. Проверка усилия затяжки электролизера
|
Дата проверки |
Номер шпильки |
Номер комплекта пружин |
Длина комплекта пружин, мм |
Усилие, тс |
Должность, фамилия и подпись проверяющего |
|
|
|
|
|
|
|
4.6. Журнал проверки предохранительных клапанов
|
Дата проверки |
Номер предохранительного клапана и место его установки |
Давление, при котором клапан открывается, МПа |
Должность, фамилия и подпись проверяющего |
|
|
согласно ПТЭ |
фактическое |
|||
|
|
|
|
|
|
4.7. Журнал химического контроля работы установки
|
Дата проверки |
Точка отбора |
Анализируемый параметр |
Показания автоматического прибора |
Результаты анализа |
Должность, фамилия и подпись проверяющего |
|
|
|
|
|
|
|
Содержание