ТИПОВЫЕ ТЕХНОЛОГИЧЕСКИЕ КАРТЫ
НА ПРОИЗВОДСТВО
ОТДЕЛЬНЫХ ВИДОВ РАБОТ
РАЗДЕЛ 01
ТИПОВАЯ
ТЕХНОЛОГИЧЕСКАЯ КАРТА
НА ЗЕМЛЯНЫЕ И БУРОВЗРЫВНЫЕ РАБОТЫ
1.01.01.15
КОМПЛЕКСНО-МЕХАНИЗИРОВАННЫЙ ПРОЦЕСС
ВЕРТИКАЛЬНОЙ ПЛАНИРОВКИ СТРОИТЕЛЬНОЙ
ПЛОЩАДКИ
НА ЗАТОРФОВАННОЙ ТЕРРИТОРИИ
МОСКВА - 1989
|
РАЗРАБОТАНА |
ОДОБРЕНА |
|
ВНИПИИСТРОМСЫРЬЕ |
Отделом организации и технологии строительного производства Госстроя СССР |
|
Главный инженер института Р. А. Родин Главный инженер проекта В. Н. Буман |
Письмо от 14.09.1988 г. № 23-532 Введена в действие с 1.01.1989 г. |
1.1. Типовая технологическая карта рекомендуется для выполнения работ при вертикальной планировке строительной площадки объемом от 50 до 1000 тыс. м3 на заторфованной территории при сооружении объектов промышленного, жилищно-гражданского и мелиоративного строительства.
1.2. Типовая технологическая карта может быть использована для грунтов I-III групп.
1.3. В данной технологической карте приведен пример вертикальной планировки строительной площадки с параметрами:
длина - 190,00 м, ширина - 120,00 м;
глубина выемки торфа - 2,00 м;
максимальная высота насыпи - 3,95 м;
объем выемки торфа - 34195 м3;
объем насыпи вертикальной планировки с учетом замены торфа грунтом II группы - 54229 м3;
уровень грунтовых вод на 0,50 м ниже поверхности земли.
1.4. Строительство ведется в средней зоне при положительных температурах воздуха.
1.5. При привязке технологической карты к конкретному объекту и условиям строительства необходимо скорректировать объемы работ, группы грунтов, график производства работ и калькуляцию затрат труда, средства механизации с учетом наличия парка землеройных механизмов.
2.1. Настоящий комплексно-механизированный технологический процесс состоит из подготовительных, основных и отделочных операций.
2.2. К подготовительным операциям относятся:
геодезическая разбивка контуров планировки с установкой разбивочных знаков и реперов; устройство освещения площадки; устройство временных подъездных землевозных автодорог.
2.3. К основным операциям относятся:
устройство подсыпок для проездов механизмов и автотранспорта и автодороги по контуру планировки; выемка торфа; водоотлив; разработка грунта в резерве (карьере); забивка котлована после выемки торфа грунтом II группы; возведение планировочной насыпи.
2.4. К отделочным операциям относится:
планировка откосов и верха насыпи.
2.5. Состав вариантов комплексов машин, применяемых для выполнения основных и отделочных операций.
Таблица 1
|
Варианты комплексов машин |
||||
|
1 |
2 |
3 |
4 (аналог) |
|
|
Устройство подсыпок для проезда и автодороги по контуру планировки |
Бульдозер ДЗ-110А. Каток ДУ-47Б |
Бульдозер ДЗ-110А. Каток ДУ-47Б |
Бульдозер ДЗ-110А. Каток ДУ-47Б |
Бульдозер ДЗ-110А. Каток ДУ-47Б |
|
Выемка торфа с водоотливом |
Экскаватор Э0-5111Б драглайн. Автомобиль-самосвал КамАЗ-5511. Автогрейдер ДЗ-31-1. Бульдозер ДЗ-110А. Насос КМ80-50-200-СД |
Экскаватор Э0-5111Б драглайн. Автомобиль-самосвал КамАЗ-5511. Автогрейдер ДЗ-31-1. Бульдозер ДЗ-110А. Насос КМ80-50-200-СД |
Экскаватор Э0-5111Б драглайн. Автомобиль-самосвал КамАЗ-5511. Автогрейдер ДЗ-31-1. Бульдозер ДЗ-110А. Насос КМ80-50-200-СД |
Экскаватор Э0-5111Б драглайн. Автомобиль-самосвал КамАЗ-5511. Автогрейдер ДЗ-31-1. Бульдозер ДЗ-110А. Насос КМ80-50-200-СД |
|
Разработка грунта в резерве (карьере). Забивка котлована после выемки торфа грунтом II группы и возведение планировочной насыпи. |
Экскаватор Э0-4121Б прямая лопата. Автомобиль-самосвал КамАЗ-5511. Бульдозер ДЗ-110А. Каток ДУ-16В. Поливочная машина ПМ-130Б. Автогрейдер ДЗ-31-1. Насос КМ80-50-200-СД |
Экскаватор Э0-5122А прямая лопата. Автомобиль-самосвал КамАЗ-5511. Бульдозер ДЗ-110А. Каток ДУ-16В. Поливочная машина ПМ-130Б. Автогрейдер ДЗ-31-1. Насос КМ80-50-200-СД |
Экскаватор Э0-5111Б прямая лопата. Автомобиль-самосвал КамАЗ-5511. Бульдозер ДЗ-110А. Каток ДУ-16В. Поливочная машина ПМ-130Б. Автогрейдер ДЗ-31-1. Насос КМ80-50-200-СД |
Экскаватор Э0-4111В прямая лопата. Автомобиль-самосвал КамАЗ-5511. Бульдозер ДЗ-110А. Каток ДУ-16В. Поливочная машина ПМ-130Б. Автогрейдер ДЗ-31-1. Насос КМ80-50-200-СД |
|
Планировочные работы |
Автогрейдер ДЗ-31-1 |
Автогрейдер ДЗ-31-1 |
Автогрейдер ДЗ-31-1 |
Автогрейдер ДЗ-31-1 |
Ведущими машинами в комплексе машин являются:
в варианте № 1 - экскаватор Э0-4121Б, оборудованный прямой лопатой;
в варианте № 2 - экскаватор Э0-5122А, оборудованный прямой лопатой;
в варианте № 3 - экскаватор Э0-5111Б, оборудованный прямой лопатой;
в варианте № 4 - экскаватор Э0-4111В, оборудованный прямой лопатой.
2.6. Технология производства работ для варианта № 1.
Насыпь вертикальной планировки устраивается на заторфованном, обводненном участке местности при полном выторфовывании до дна болота.
Предварительно, до начала выемки торфа устраиваются подъездная автодорога к месту производства работ, автодорога по всему контуру планировки, а также подсыпки для проезда механизмов и автомобилей-самосвалов по всей площади участка работ.
Автодороги и подсыпки шириной 5,50 м и высотой 0,50 м устраиваются из доменного шлака или другого местного строительного материала над поверхностью земли. Привезенный автомобилями-самосвалами шлак отсыпается «с головы», разравнивается бульдозером ДЗ-110А и уплотняется катком ДУ-47Б.
Выемка торфа производится экскаватором Э0-5111Б драглайн. Торф грузится на автомобили-самосвалы КамАЗ-5511 и вывозится в отвал. Разработка торфа выполняется при движении экскаватора и автомобилей-самосвалов по подсыпкам.
Работа по выемке торфа ведется под защитой открытого водоотлива. Грунтовая вода поступает по водосборным канавам в зумпфы, откуда откачивается насосами КМ80-200-СД за пределы участка планировки.
Разработка торфа экскаватором начинается от зумпфов и ведется вдоль водосборных канав в направлении, противоположном уклону канав. После устройства водосборных канав по всему контуру выемки разрабатывается торф в средней части площадки.
Одновременно с торфом разрабатывается шлак, уложенный в подсыпки.
Котлован, образованный после выемки торфа, забивается грунтом II группы до отметок поверхности земли.
Вся площадь котлована разбивается на две захватки, каждая из которых на две карты. На каждой из карт, в технологической последовательности чередуются операции:
отсыпка грунта автомобилями-самосвалами КамАЗ-5511 и разравнивание его бульдозером ДЗ-110А;
увлажнение грунта поливочной машиной ПМ-130Б, выстаивание и уплотнение полуприцепным катком ДУ-16В.
Для забивки котлована используется грунт, разрабатываемый в резерве (карьере) экскаватором Э0-4121Б, оборудованным прямой лопатой.
Подвезенный автомобилями-самосвалами грунт разгружается в отдельные кучи с таким расчетом, чтобы после разравнивания их бульдозером образовался слой толщиной 0,35 м. Разравнивание грунта производится бульдозером ДЗ-110А по круговой схеме в направлении от краев к середине. Проходы бульдозера выполняются с перекрытием предыдущей проходки на 0,30-0,40 м.
Перед укаткой каждого слоя грунта производится (при необходимости) увлажнение его поливочной машиной ПМ-130Б.
Уплотнение грунта должно выполняться при оптимальном содержании влаги в грунте. Укатка грунта осуществляется от краев карты к ее середине полуприцепным пневмокатком ДУ-16В. Движение катка производится с перекрытием следа предыдущего прохода на 0,30 м. Первая проходка катка выполняется на расстоянии 2,80 м от бровки, а затем прикатывается край насыпи. После прикатки края насыпи укатку продолжают круговыми проходами катка в направлении от краев насыпи к ее середине.
Величина оптимальной влажности грунта, требующееся количество воды для доувлажнения, необходимое количество проходов катка по одному следу и толщина укатываемого слоя уточняются на месте работ пробной укаткой.
В процессе производства работ по каждому слою грунта производится контроль его уплотнения взятием проб полевой грунтовой лабораторией.
Забивка котлована грунтом II группы производится с постоянным открытым водоотливом. Для этого при отсыпке насыпи через каждые три слоя устраивается водоотводная канава треугольного сечения, образующаяся между откосом котлована и откосом возводимой насыпи. Откачка воды производится из водоприемных зумпфов насосами КМ80-50-200-СД.
Возведение планировочной насыпи производится аналогично работам по забивке котлована грунтом II группы. Планировка полотна и откосов насыпи выполняется автогрейдером ДЗ-31-1.
Землевозные дороги, по которым транспортируется грунт из резерва (карьера) в насыпь, должны постоянно поддерживаться в исправном состоянии автогрейдером ДЗ-31-1.
2.7. Замена торфа грунтом II группы и возведение планировочной насыпи выполняется (при работе в каждую смену) для варианта № 1 в следующим составом:
машинист бульдозера 6 разряда - 1
машинист экскаватора 6 разряда - 4
пом. машиниста экскаватора 5 разряда - 2
машинист катка 6 разряда - 1
машинист катка 5 разряда - 1
машинист автогрейдера 6 разряда - 1
машинисты насоса 4 разряда - 2
машинист 4 разряда (водитель III класса) поливочной машины - 1
водители автомобилей-самосвалов(III класса) - 8
2.8. Контроль качества выполняемых работ
Таблица 2
|
Наименование операций, подлежащих контролю |
Контроль качества выполнения операций |
||||
|
Производителем работ |
Мастером |
Состав |
Способы |
Время |
Привлекаемые службы |
|
Разбивка контуров площадки, планировки подсыпок для проезда и землевозных дорог |
Устройство подсыпок для проезда и землевозных дорог |
Точность выноса разбивки, осадка подсыпок |
Теодолитом, стальной рулеткой |
До начала разработки торфа |
Геодезическая |
|
- |
Разработка торфа (устройство котлована) |
Геометрические размеры в плане, глубина разработки торфа, крутизна откосов котлована, очередность разработки котлована, состояние водосборных канав и зумпфов |
Визуально, стальной рулеткой, откосником |
В процессе устройства |
Геодезическая, грунтовая лаборатория |
|
- |
Забивка котлована грунтом II группы и устройство насыпи вертикальной планировки |
Толщина слоя отсыпки, геотехнические свойства грунта, геометрические размеры в плане, высотные отметки, крутизна откосов, состояние водосборных канав и зумпфов |
Нивелиром, стальной рулеткой, уклономером, откосником, плотномером, влагомером |
В процессе отсыпки насыпи |
Геодезическая, грунтовая лаборатория |
|
- |
Планировочные работы |
Соблюдение проектных отметок, геометрические размеры в плане, крутизна откосов |
Нивелиром, стальной рулеткой, уклономером, откосником |
После отсыпки насыпи |
Геодезическая |
В соответствии с принятыми вариантами комплексов машин (табл. 1) и на основании калькуляции затрат труда в табл. 3 приведены сравнительные технико-экономические показатели эффективности вариантов.
Таблица 3
|
Единица измерения |
Варианты комплексов механизации работ |
||||
|
1 |
2 |
3 |
4 (аналог) |
||
|
Объем работ |
м3 |
88424 |
88424 |
88424 |
88424 |
|
Общая трудоемкость |
чел.-дн. |
1607,0 |
1675,6 |
1769,8 |
1763,5 |
|
То же, на 1000 м3 грунта |
чел.-ч |
149,0 |
155,4 |
164,12 |
163,5 |
|
Затраты машинного времени на весь объем работ |
маш.-смен |
1508,6 |
1577,2 |
1527,7 |
1665,1 |
|
Продолжительность процесса при двухсменной работе |
день |
61,4 |
69,8 |
64,2 |
67,3 |
|
Выработка на 1 маш.-ч |
м3 |
7,15 |
6,84 |
7,05 |
6,48 |
|
Стоимость затрат труда на весь объем работ |
руб. |
10885,99 |
12239,88 |
12434,01 |
12487,41 |
|
То же, на 1000 м3 грунта |
руб. |
123,11 |
138,42 |
140,62 |
141,22 |
|
Приведенные затраты на весь объем работ |
руб. |
91342 |
94614 |
95233 |
97620 |
|
То же, на 1000 м3 грунта |
руб. |
1033 |
1070 |
1077 |
1104 |
|
Эффективность в сравнении с аналогом на 1000 м3 грунта |
руб. |
+71 |
+34 |
+27 |
- |
|
Прямые затраты на 1000 м3 грунта |
руб. |
976 |
995 |
1015 |
1042 |
4.1. Потребность в машинах, оборудовании, инструментах, инвентаре и приспособлениях
Таблица 4
|
Наименование машин, оборудования, инструментов и приспособлений |
Тип |
Марка, ГОСТ |
Количество машин для вариантов механизации, шт. |
Техническая характеристика |
|||
|
1 |
2 |
3 |
4 |
||||
|
Бульдозер с неповоротным отвалом, управление гидравлическое |
На тракторе класса 10 т |
ДЗ-110А |
1 |
1 |
1 |
1 |
Трактор Т-130.1.Г-1, длина отвала 3220 мм |
|
Экскаватор универсальный |
Одноковшовый, гидравлический привод на гусеничном ходу |
Э0-4121Б, ГОСТ 22894-77 |
2 |
- |
- |
- |
Оборудован прямой лопатой. Ковш - 1,0 м3 |
|
Экскаватор универсальный |
Одноковшовый, канатный, на гусеничном ходу |
Э0-4111В, ГОСТ 17343-83 |
- |
- |
- |
3 |
Оборудован прямой лопатой. Ковш - 0,65 м3 |
|
Экскаватор универсальный |
Одноковшовый, канатный, на гусеничном ходу |
Э0-5111Б, ГОСТ 17343-83 |
- |
- |
2 |
- |
Оборудован прямой лопатой. Ковш - 1,0 м3 |
|
Экскаватор универсальный |
Одноковшовый, гидравлический, на гусеничном ходу |
Э0-5122А, ГОСТ 22894-77 |
- |
1 |
- |
- |
Оборудован прямой лопатой. Ковш - 1,6 м3 |
|
Экскаватор универсальный |
Одноковшовый, канатный, на гусеничном ходу |
Э0-5111Б, ГОСТ 17343-83 |
2 |
2 |
2 |
2 |
Оборудован драглайном. Ковш - 1,0 м3 |
|
Автогрейдер |
Среднего типа самоходный |
ДЗ-31-1, ГОСТ 9420-79 |
1 |
1 |
1 |
1 |
Мощность двигателя 96 квт, длина отвала 3700 мм |
|
Каток |
Пневмоколесный полуприцепной |
ДУ-16В |
1 |
1 |
1 |
1 |
Тягач МоАЗ-546А, масса 25,9 т, ширина уплотняемой полосы 2620 мм |
|
Каток |
Вибрационный самоходный двухвальцовый с гладкими вальцами |
ДУ-47Б |
1 |
1 |
1 |
1 |
Мощность двигателя 37 кВт, масса 6-8 т, ширина уплотняемой полосы 1200 мм |
|
Поливочная машина на шасси ЗИЛ-130 |
|
ПМ-130Б |
1 |
1 |
1 |
1 |
Вместимость цистерны 6000 л |
|
Автомобиль-самосвал |
Трехосный |
КамАЗ-5511 |
8 |
- |
- |
- |
Грузоподъемность 10 т |
|
Насос центробежный консольного типа |
Моноблочный |
КМ80-50-200-СД |
2 |
2 |
2 |
2 |
Подача 50 м3/ч, напор 50 м, мощность электродвигателя 15 кВт |
|
Теодолит |
|
Т-15, ГОСТ 10529-86 |
1 |
1 |
1 |
1 |
|
|
Нивелир |
|
Н-10, ГОСТ 10528-76 |
1 |
1 |
1 |
1 |
|
|
Рейка нивелирная |
|
РН-10, ГОСТ 11158-83 |
2 |
2 |
2 |
2 |
|
|
Вышка геодезическая |
Стандартная |
|
3 |
3 |
3 |
3 |
|
|
Рулетка измерительная металлическая |
Стандартная |
РС-200, ГОСТ 7502-80 |
1 |
1 |
1 |
1 |
|
|
Рейка трехметровая |
- |
« |
1 |
1 |
1 |
1 |
|
|
Плотномер |
|
ПГМ-1 |
1 |
1 |
1 |
1 |
|
|
Влагомер |
|
НВУ-1, ГОСТ 26375-84 |
1 |
1 |
1 |
1 |
|
4.2. Потребность в эксплуатационных материалах
Таблица 5
|
Наименование эксплуатационных материалов |
Норма на 1 ч работы машины, кг |
Количество на принятый объем работ по вариантам, кг |
|||
|
1 |
2 |
3 |
4 |
||
|
Бульдозер ДЗ-110А |
|
|
|
|
|
|
Дизельное топливо |
7,70 |
5619,5 |
5619,5 |
5619,5 |
5619,5 |
|
Бензин |
0,23 |
167,8 |
167,8 |
167,8 |
167,8 |
|
Моторное масло |
0,37 |
270,0 |
270,0 |
270,0 |
270,0 |
|
Трансмиссионное масло |
0,10 |
73,0 |
73,0 |
73,0 |
73,0 |
|
Консистентная смазка |
0,08 |
58,4 |
58,4 |
58,4 |
58,4 |
|
Экскаватор Э0-4121Б |
|
|
|
|
|
|
Дизельное топливо |
5,5 |
5980,3 |
- |
- |
- |
|
Бензин |
0,16 |
174,0 |
- |
- |
- |
|
Моторное масло |
0,27 |
293,6 |
- |
- |
- |
|
Трансмиссионное масло |
0,03 |
32,6 |
- |
- |
- |
|
Консистентная смазка |
0,16 |
174,0 |
- |
- |
- |
|
Экскаватор Э0-4111В |
|
|
|
|
|
|
Дизельное топливо |
5,7 |
- |
- |
- |
10848,2 |
|
Бензин |
0,17 |
- |
- |
- |
323,5 |
|
Моторное масло |
0,28 |
- |
- |
- |
532,9 |
|
Трансмиссионное масло |
0,03 |
- |
- |
- |
57,1 |
|
Консистентная смазка |
0,17 |
- |
- |
- |
323,5 |
|
Экскаватор Э0-5111Б |
|
|
|
|
|
|
Дизельное топливо |
6,3 |
5083,3 |
5083,3 |
12506,8 |
5083,3 |
|
Бензин |
0,19 |
153,3 |
153,3 |
377,2 |
153,3 |
|
Моторное масло |
0,30 |
242,1 |
242,1 |
595,6 |
242,1 |
|
Трансмиссионное масло |
0,03 |
24,2 |
24,2 |
59,6 |
24,2 |
|
Консистентная смазка |
0,18 |
145,2 |
145,2 |
357,3 |
145,2 |
|
Экскаватор Э0-5122А |
|
|
|
|
|
|
Дизельное топливо |
6,60 |
- |
4486,5 |
- |
- |
|
Бензин |
0,20 |
- |
136,0 |
- |
- |
|
Моторное масло |
0,32 |
- |
217,5 |
- |
- |
|
Трансмиссионное масло |
0,04 |
- |
27,2 |
- |
- |
|
Консистентная смазка |
0,20 |
- |
136,0 |
- |
- |
|
Автогрейдер ДЗ-31-1 |
|
|
|
|
|
|
Дизельное топливо |
5,20 |
4912,1 |
5628,5 |
5150,9 |
5150,9 |
|
Бензин |
0,16 |
151,1 |
173,2 |
158,5 |
158,5 |
|
Моторное масло |
0,25 |
236,2 |
270,6 |
247,6 |
247,6 |
|
Трансмиссионное масло |
0,07 |
66,1 |
75,8 |
69,3 |
69,3 |
|
Консистентная смазка |
0,06 |
56,7 |
64,9 |
59,4 |
59,4 |
|
Каток ДУ-16В |
|
|
|
|
|
|
Дизельное топливо |
10,10 |
3842,8 |
3842,8 |
3842,8 |
3842,8 |
|
Бензин |
0,30 |
114,1 |
114,1 |
114,1 |
114,1 |
|
Моторное масло |
0,48 |
182,6 |
182,6 |
182,6 |
182,6 |
|
Трансмиссионное масло |
0,13 |
49,5 |
49,5 |
49,5 |
49,5 |
|
Консистентная смазка |
0,11 |
41,8 |
41,8 |
41,8 |
41,8 |
|
Каток ДУ-47Б |
|
|
|
|
|
|
Дизельное топливо |
3,20 |
31,5 |
31,5 |
31,5 |
31,5 |
|
Бензин |
0,10 |
1,0 |
1,0 |
1,0 |
1,0 |
|
Моторное масло |
0,18 |
1,8 |
1,8 |
1,8 |
1,8 |
|
Трансмиссионное масло |
0,05 |
0,5 |
0,5 |
0,5 |
0,5 |
|
Консистентная смазка |
0,04 |
0,4 |
0,4 |
0,4 |
0,4 |
|
Поливочная машина ПМ-130Б |
|
|
|
|
|
|
Бензин |
4,9 |
940,3 |
940,3 |
940,3 |
940,3 |
|
Автомобильное масло |
0,11 |
21,1 |
21,1 |
21,1 |
21,1 |
|
Автомобиль-самосвал КамАЗ-5511 |
|
|
|
|
|
|
Дизельное топливо |
5,4 |
30079,4 |
30079,4 |
30079,4 |
30079,4 |
|
Дизельное масло |
0,25 |
1392,6 |
1392,6 |
1392,6 |
1392,6 |
|
Трансмиссионное масло |
0,04 |
222,8 |
222,8 |
222,8 |
222,8 |
|
Консистентная смазка |
0,02 |
111,4 |
111,4 |
111,4 |
111,4 |
5.1. При выполнении работ по вертикальной планировке строительной площадки необходимо руководствоваться требованиями СНиП-III-4-80 «Техника безопасности в строительстве»; ГОСТ 12.3.002-75 «Процессы производственные»; ГОСТ 12.2.012-75 «Приспособления по обеспечению безопасного производства работ»; ГОСТ 12.1.004-85 «Пожарная безопасность»; ГОСТ 12.1.013-78 «Строительство. Электробезопасность» и ГОСТ 23407-78 «Ограждения инвентарные строительных площадок и участков производства строительно-монтажных работ».

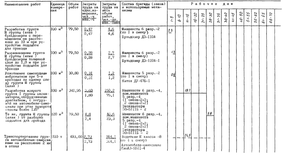
Таблица объемов работ
|
Наименование работ |
Количество, м3 |
|
Выемка торфа |
34194 |
|
Насыпь вертикальной планировки |
54229 |

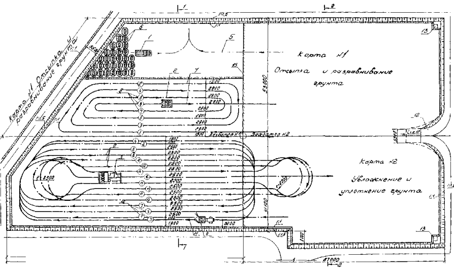
Примечание. Условные обозначения см. на листе 10

1 - подсыпки для проезда механизмов; 6 - направление движения экскаватора;
2 - водосбросная канава; 7 - шаг передвижки экскаватора;
3 - водоприемный зумпф; 8 - ось проходки экскаватора;
4 - экскаватор Э0-5111Б драглайн; 9 - очередность проходок экскаватора
5 - автомобиль-самосвал КамАЗ-5511;

Примечание. Условные обозначения см. на листе 12.
|
|
1 - автомобиль-самосвал КамАЗ-5511; 2 - бульдозер ДЗ-110А; 3 - каток ДУ-16В; 4 - поливочная машина ПМ-130Б; 5 - направление движения автомобилей-самосвалов; 6 - отвалы грунта, выгруженного из автомобилей-самосвалов; 7 - ось проходок бульдозера при разравнивании грунта; 8 - очередность проходок бульдозера; 9 - ось проходок катка при уплотнении грунта; 10 - очередность проходок катка; 11 - ось движения поливочной машины; 12 - съезд в котлован; 13 - водоприемный зумпф; 14 - слои отсыпки = 0,80 м; 15 - граница карт отсыпки. |



Примечание. 1. Пунктирная линия указывает на неполное использование механизмов в течение смены.
2. Объем подсыпок (шлака) приведен с учетом просадки на 0,5 м.
|
Обоснование (ЕНиР и др.) |
Наименование работ |
Единица измерения |
Объем работ |
Норма времени на единицу измерения, чел.-ч маш.-ч |
Затраты труда на весь объем работ, чел.-дн. маш.-смен |
Время пребывания машины на объекте, маш.-смен |
Расценка на единицу измерения, руб.-коп. |
Стоимость затрат на весь объем работ, руб.-коп. |
Стоимость затрат с учетом пребывания машины на объекте, руб.-коп. |
|
1 |
2 |
3 |
4 |
5 |
6 |
7 |
8 |
9 |
10 |
|
ЕНиР. §Е2-1-22; № 5 |
Разработка грунта III группы (шлак) бульдозером ДЗ-110А с перемещением на расстояние до 10 м при устройстве подсыпок для проезда |
100 м3 |
79,50 |
0,47 0,47 |
4,6 4,6 |
4,6 |
0-49,8 |
39-59 |
39-59 |
|
ЕНиР. §Е2-1-28; № 3и |
Разравнивание грунта III группы (шлак) бульдозером ДЗ-110А толщиной слоя до 1,0 м при устройстве подсыпок для проезда |
100 м3 |
79,50 |
0,28 0,28 |
2,7 2,7 |
2,7 |
0-29,7 |
23-61 |
23-61 |
|
ЕНиР. §Е17-7 |
Уплотнение грунта III группы (шлак) самоходным виброкатком ДУ-47Б при 5-и проходах по одному следу |
100 м2 |
30,80 |
0,31 0,31 |
1,2 1,2 |
1,2 |
0-28,2 |
8-69 |
8-69 |
|
ЕНиР. §Е2-1-10; № 5а; Примеч. гл. 1; К = 1; п. 3, 4; К = 1,1; п. 8, 9 |
Разработка мокрого грунта I группы (торфа) экскаватором Э0-5111Б, оборудованного драглайном, с погрузкой на автомобили-самосвалы при угле поворота стрелы более 135° |
100 м3 |
341,95 |
3,60 1,80 |
150,2 75,1 |
75,1 |
3-58 |
1224-18 |
1224-18 |
|
ЕНиР. §Е2-1-10; № 5в; Примеч. гл. 1, К = 1,1; п. 8, 9 |
То же, грунта III группы (шлак) от разборки подсыпок для проезда |
100 м3 |
79,50 |
4,80 2,40 |
46,6 23,3 |
23,3 |
4-76 |
378-42 |
378-42 |
|
ЕНВ* |
Транспортирование грунта автомобилями-самосвалами КамАЗ-5511 на расстояние 2 км в отвал |
100 т |
493,00 |
2,73 2,73 |
164,1 164,1 |
196,0 |
1-94 |
956-42 |
1163-07 |
|
т. 79**, в. 10 |
Разработка грунта II группы в резерве (карьере) экскаватором Э0-4121Б, оборудованным прямой лопатой, с погрузкой на автомобили-самосвалы |
100 м3 |
906,35 |
1,20 1,20 |
132,6 132,6 |
132,6 |
0-94,8 |
859-22 |
859-22 |
|
ЕНВ* |
Транспортирование грунта автомобилями-самосвалами КамАЗ-5511 на расстояние 2 км в насыпь вертикальной планировки и для забивки котлована от выемки торфа |
100 т |
1547,40 |
2,73 2,73 |
515,2 515,2 |
529,6 |
1-94 |
3001-20 |
3095-24 |
|
ЕНиР. §E2-1-28; № 3б |
Разравнивание грунта II группы бульдозеры ДЗ-110А толщиной слоя до 0,3 м при устройстве насыпи |
100 м3 |
884,25 |
0,58 0,58 |
62,5 62,5 |
66,2 |
0-61,5 |
543-81 |
575-97 |
|
ЕНиР §E17-2; ЕНВ* |
Увлажнение грунта поливочной машиной ПМ-130Б при уплотнении грунта |
100 м3 |
88,40 |
2,17 2,17 |
23,4 23,4 |
66,2 |
1-64 |
144-98 |
408-20 |
|
ЕНиР §E2-1-29; табл. 4; № 2б, 4б |
Уплотнение грунта насыпи полуприцепным пневмокатком ДУ-16В слоями по 0,35 м при 8-и проходах по одному следу |
100 м3 |
884,25 |
0,43 0,43 |
46,4 46,4 |
66,2 |
0-45,4 |
401-45 |
573-55 |
|
Расчетные данные |
Водоотлив из котлована центробежным насосом КН80-50-200-СД при разработке грунта и забивке котлована грунтом II группы |
маш.-смена |
210,0 |
- |
210,0 210,0 |
210,0 |
6-47,8 |
1360-38 |
1360-38 |
|
ЕНиР §Е2-1-37; т. 2; № 1д |
Планировка насыпи автогрейдером ДЗ-31-1 в грунте II группы |
1000 м2 |
19,85 |
0,22 0,22 |
0,5 0,5 |
0,5 |
0-23,3 |
4-62 |
4-62 |
|
ЕНиР §E17-20; п. 15 |
Ремонт и содержание дорог автогрейдером ДЗ-31-1 при транспортировании грунта |
1 км |
858,80 |
1,10 1,10 |
115,2 115,2 |
115,2 |
1-17 |
1004-80 |
1004-80 |
|
ЕНиР §E2-1-22; № 5 |
Работа бульдозера ДЗ-110А на отвале в грунте I группы (торф) |
100 м3 |
341,95 |
0,35 0,35 |
14,6 14,6 |
14,6 |
0-37,1 |
126-36 |
126-66 |
|
ЕНиР §E2-1-22; т-5 |
То же, в грунте III группы (шлак) |
100 м3 |
79,50 |
0,47 0,47 |
4,6 4,6 |
4,6 |
0-49,8 |
39-59 |
39-59 |
|
|
ИТОГО: |
|
|
|
1494,4 1396,0 |
1508,6 |
|
10117-82 |
10885-99 |
ЕНВ* - Здесь и далее «Единые нормы времени на перевозку грузов автомобильным транспортом и сдельные расценки на оплату труда водителей».
т. 79** - Здесь и далее сборник «Типовые нормы и расценки...» Минтрансстроя СССР «Земляные работы».



|
Обоснование (ЕНиР и др.) |
Наименование работ |
Единица измерения |
Объем работ |
Норма времени на единицу измерения, чел.-ч маш.-ч |
Затраты труда на весь объем работ, чел.-дн. маш.-смен |
Время пребывания машины на объекте, маш.-смен |
Расценка на единицу измерения, руб.-коп. |
Стоимость затрат на весь объем работ, руб.-коп. |
Стоимость затрат с учетом пребывания машины на объекте, руб.-коп. |
|
1 |
2 |
3 |
4 |
5 |
6 |
7 |
8 |
9 |
10 |
|
ЕНиР §Е2-1-22; № 5 |
Разработка бульдозером ДЗ-110А грунта III группы (шлак) с перемещением на расстояние до 10 м при устройстве подсыпок для проезда |
100 м3 |
79,50 |
0,47 0,47 |
4,6 4,6 |
4,6 |
0-49,8 |
39-59 |
39-59 |
|
ЕНиР §Е2-1-28; № 3и |
Разравнивание бульдозером грунта III группы (шлак) толщиной слоя до 1,0 м при устройстве подсыпок для проезда |
100 м3 |
79,50 |
0,28 0,28 |
2,7 2,7 |
2,7 |
0-29,7 |
23-61 |
23-61 |
|
ЕНиР §Е17-7 |
Уплотнение грунта III группы (шлак) самоходным виброкатком ДУ-47Б при 5-и проходах по одному следу |
100 м2 |
30,80 |
0,31 0,31 |
1,2 1,2 |
1,2 |
0-28,2 |
8-69 |
8-69 |
|
ЕНиР §Е2-1-10 № 5а; примеч. гл. 1; К = 1; п. 3, 4; К = 1,1; п. 8, 9 |
Разработка мокрого грунта I группы (торфа) экскаватором Э0-5111Б, оборудованного драглайном с погрузкой на автомобили-самосвалы при угле поворота стрелы более 135° |
100 м3 |
341,95 |
3,60 1,80 |
150,2 75,1 |
75,1 |
3-58 |
1224-18 |
1224-18 |
|
ЕНиР. §Е2-1-10; № 5в примеч. гл. 1; К = 1,1; п. 8, 9 |
То же, грунта (шлак) от разборки подсыпок для проезда |
100 м3 |
79,50 |
4,80 2,40 |
46,6 23,3 |
23,3 |
4-76 |
378-42 |
378-42 |
|
ЕНВ* |
Транспортирование грунта автомобилями-самосвалами КамАЗ-5511 на расстояние 2 км в отвал |
100 т |
493,00 |
2,73 2,73 |
164,1 164,1 |
196,0 |
1-94 |
956-42 |
1163-07 |
|
ЕНиР §E2-1-8; табл. 7, № 3б |
Разработка грунта II группы в резерве (карьере) экскаватором Э0-5122, оборудованным прямой лопатой, с погрузкой на автомобили-самосвалы |
100 м3 |
906,35 |
1,50 0,75 |
165,8 82,9 |
82,9 |
1-48 |
1341-40 |
1341-40 |
|
ЕНВ* |
Транспортирование грунта автомобилями-самосвалами КамАЗ-5511 на расстояние 2 км в насыпь вертикальной планировки и для забивки котлована от выемки торфа |
100 т |
1547,40 |
2,73 2,73 |
515,2 515,2 |
581,0 |
1-94 |
3001-20 |
3427-45 |
|
ЕНиР §E2-1-28; № 3б |
Разравнивание бульдозером ДЗ-110А грунта II группы толщиной слоя до 0,3 м при устройстве насыпи |
100 м3 |
864,25 |
0,58 0,58 |
62,5 62,5 |
82,9 |
0-61,5 |
543-81 |
721-13 |
|
ЕНиР §E17-2; ЕНВ* |
Увлажнение грунта поливочной машиной ПМ-130Б при уплотнении грунта |
100 м3 |
88,40 |
2,17 2,17 |
23,4 23,4 |
82,9 |
1-64 |
144-98 |
510-90 |
|
ЕНиР §E2-1-29; табл. 4; № 2б, 4б |
Уплотнение грунта насыпи полуприцепным пневмокатком ДУ-16В слоями по 0,35 м при 8-и проходах по одному следу |
100 м3 |
884-25 |
0,43 0,43 |
46,4 46,4 |
82,9 |
0-45,4 |
401-45 |
718-71 |
|
Расчетные данные |
Водоотлив из котлована центробежным насосом КМ80-50-200-СД при разработке грунта и забивке котлована грунтом II группы |
1 маш.-смена |
210,0 |
- |
210,0 210,0 |
210,0 |
6-478 |
1360-38 |
1360-38 |
|
ЕНиР §Е2-1-37; т. 2; № 1д |
Планировка откосов и полотна насыпи автогрейдером ДЗ-31-1 в грунте II группы |
1000 м2 |
19,85 |
0,22 0,22 |
0,5 0,5 |
0,5 |
0-23,3 |
4-62 |
4-62 |
|
ЕНиР §E17-20; п. 15 |
Ремонт и содержание дорог автогрейдером ДЗ-31-1 при транспортировании грунта |
1 км |
984,00 |
1,10 1,10 |
132,0 132,0 |
132,0 |
1-17 |
1151-28 |
1151-28 |
|
ЕНиР §E2-1-22; № 5 |
Работа бульдозера ДЗ-110А на отвале в грунте I группы (торф) |
100 м3 |
341,95 |
0,35 0,35 |
14,6 14,6 |
14,6 |
0-37,1 |
126-86 |
126-36 |
|
ЕНиР §E2-1-22 |
То же, в грунте III группы (шлак) |
100 м3 |
79,50 |
0,47 0,47 |
4,6 4,6 |
4,6 |
0-49,8 |
39-59 |
39-59 |
|
|
ИТОГО: |
|
|
|
1544,4 1363,1 |
1577,2 |
|
10746-48 |
12239-88 |



|
Обоснование (ЕНиР и др.) |
Наименование работ |
Единица измерения |
Объем работ |
Норма времени на единицу измерения, чел.-ч маш.-ч |
Затраты труда на весь объем работ, чел.-дн. маш.-смен |
Время пребывания машины на объекте, маш.-смен |
Расценка на единицу измерения, руб.-коп. |
Стоимость затрат на весь объем работ, руб.-коп. |
Стоимость затрат с учетом пребывания машины на объекте, руб.-коп. |
|
1 |
2 |
3 |
4 |
5 |
6 |
7 |
8 |
9 |
10 |
|
ЕНиР §Е2-1-22; № 5 |
Разработка бульдозером ДЗ-110А грунта III группы (шлак) с перемещением на расстояние до 10 м при устройстве подсыпок для проезда |
100 м3 |
79,50 |
0,47 0,47 |
4,6 4,6 |
4,6 |
0-49,8 |
39-59 |
39-59 |
|
ЕНиР §Е2-1-28; № 3и |
Разравнивание бульдозером ДЗ-110А грунта III группы (шлак) толщиной слоя до 1,0 м при устройстве подсыпок для проезда |
100 м3 |
79,50 |
0,28 0,28 |
2,7 2,7 |
2,7 |
0-29,7 |
23-61 |
23-61 |
|
ЕНиР §Е17-7 |
Уплотнение грунта III группы (шлак) самоходным виброкатком ДУ-47Б при 5-и проходах по одному следу |
100 м2 |
30,80 |
0,31 0,31 |
1,2 1,2 |
1,2 |
0-28,2 |
8-69 |
8-69 |
|
ЕНиР §Е2-1-10; № 5а; примеч. гл. 1; К = 1; п. 3, 4; К = 1,1; п. 8, 9 |
Разработка мокрого грунта I группы (торфа) экскаватором Э0-5111Б, оборудованного драглайном с погрузкой на автомобили-самосвалы при угле поворота стрелы более 135° |
100 м3 |
341,95 |
3,60 1,80 |
150,2 75,1 |
75,1 |
3-58 |
1224-18 |
1224-18 |
|
ЕНиР. §Е2-1-10; № 5в примеч. гл. 1; К = 1,1; п. 8, 9 |
То же, грунта III группы (шлак) от разборки подсыпок для проезда |
100 м3 |
79,50 |
4,80 2,40 |
46,6 23,3 |
23,3 |
4-76 |
378-42 |
378-42 |
|
ЕНВ* |
Транспортирование грунта автомобилями-самосвалами КамАЗ-5511 на расстояние 2 км в отвал |
100 т |
493,00 |
2,73 2,73 |
164,1 164,1 |
196,0 |
1-94 |
956-42 |
1163-07 |
|
ЕНиР §E2-1-8; табл. 3, № 6б |
Разработка грунта II группы в резерве (карьере) экскаватором Э0-5111Б, оборудованным прямой лопатой, с погрузкой на автомобили-самосвалы |
100 м3 |
906,35 |
2,6 1,3 |
287,4 143,7 |
143,7 |
2-56 |
2320-26 |
2320-26 |
|
ЕНВ* |
Транспортирование грунта автомобилями-самосвалами КамАЗ-5511 на расстояние 2 км в насыпь вертикальной планировки и для забивки котлована от выемки торфа |
100 т |
1547,40 |
2,73 2,73 |
515,2 515,2 |
515,2 |
1-94 |
3001-20 |
3001-20 |
|
ЕНиР §E2-1-28; № 3б |
Разравнивание бульдозером ДЗ-110А грунта II группы толщиной слоя до 0,3 м при устройстве насыпи |
100 м3 |
884,25 |
0,58 0,58 |
62,5 62,5 |
71,8 |
0-61,5 |
543-61 |
624-66 |
|
ЕНиР §E17-2; ЕНВ* |
Увлажнение грунта поливочной машиной ПМ-130Б при уплотнении грунта |
100 м3 |
88,40 |
2,17 2,17 |
23,4 23,4 |
71,8 |
1-64 |
144-98 |
442-64 |
|
ЕНиР §E2-1-29; табл. 4; № 2б, 4б |
Уплотнение грунта насыпи полуприцепным пневмокатком ДУ-16В слоями по 0,35 м при 8-и проходах по одному следу |
100 м3 |
884,25 |
0,43 0,43 |
46,4 46,4 |
71,8 |
0-45,4 |
401-45 |
622-23 |
|
Расчетные данные |
Водоотлив из котлована центробежным насосом КМ80-50-200-СД при разработке грунта и забивке котлована грунтом II группы |
1 маш.-смена |
210,0 |
- |
210,0 210,0 |
210,0 |
6-47,8 |
1360-38 |
1360-38 |
|
ЕНиР §Е2-1-37; табл. 2; № 1д |
Планировка насыпи автогрейдером ДЗ-31-1 в грунте II группы |
1000 м2 |
19,85 |
0,22 0,22 |
0,5 0,5 |
0,5 |
0-23,3 |
4-62 |
4-62 |
|
ЕНиР §E17-20; п. 15 |
Ремонт и содержание дорог при транспортировании грунта автогрейдером ДЗ-31-1 |
1 км |
900,51 |
1,10 1,10 |
120,8 120,8 |
120,8 |
1-17 |
1053-60 |
1053-60 |
|
ЕНиР §E2-1-22; № 5 |
Работа бульдозера ДЗ-110А на отвале в грунте I группы (торф) |
100 м3 |
341,95 |
0,35 0,35 |
14,6 14,6 |
14,6 |
0-37,1 |
126-86 |
126,86 |
|
ЕНиР §E2-1-22; № 5 |
То же, в грунте III группы (шлак) |
100 м3 |
79,50 |
0,47 0,47 |
4,6 4,6 |
4,6 |
0-49,8 |
39-59 |
39-59 |
|
|
ИТОГО: |
|
|
|
1654,8 1412,7 |
1527,7 |
|
11627-66 |
12434-01 |



|
Обоснование (ЕНиР и др.) |
Наименование работ |
Единица измерения |
Объем работ |
Норма времени на единицу измерения, чел.-ч маш.-ч |
Затраты труда на весь объем работ, чел.-дн. маш.-смен |
Время пребывания машины на объекте, маш.-смен |
Расценка на единицу измерения, руб.-коп. |
Стоимость затрат на весь объем работ, руб.-коп. |
Стоимость затрат с учетом пребывания машины на объекте, руб.-коп. |
|
1 |
2 |
3 |
4 |
5 |
6 |
7 |
8 |
9 |
10 |
|
ЕНиР §Е2-1-22; № 5 |
Разработка грунта III группы (шлак) бульдозером ДЗ-110А с перемещением на расстояние до 10 м при устройстве подсыпок для проезда |
100 м3 |
79,50 |
0,47 0,47 |
4,6 4,6 |
4,6 |
0-49,8 |
39-59 |
39-59 |
|
ЕНиР §Е2-1-28; № 3и |
Разравнивание грунта III группы (шлак) толщиной слоя до 1,0 м бульдозером ДЗ-110А при устройстве подсыпок для проезда |
100 м3 |
79,50 |
0,28 0,28 |
2,7 2,7 |
2,7 |
0-29,7 |
23-61 |
23-61 |
|
ЕНиР §Е17-7 |
Уплотнение грунта III группы (шлак) самоходным виброкатком ДУ-47Б при 5-и проходах по одному следу |
100 м2 |
30,80 |
0,31 0,31 |
1,2 1,2 |
1,2 |
0-28,2 |
8-69 |
8-69 |
|
ЕНиР §Е2-1-10; № 5а; примеч. гл. 1; К = 1; п. 3, 4; К = 1,1; п. 8, 9 |
Разработка мокрого грунта I группы (торфа) экскаватором Э0-5111Б, оборудованного драглайном, с погрузкой на автомобили-самосвалы при угле поворота стрелы более 135° |
100 м3 |
341,95 |
3,60 1,80 |
150,1 75,1 |
75,1 |
3-58 |
1224-18 |
1224-18 |
|
ЕНиР. §Е2-1-10; № 5в примеч. гл. 1; К = 1,1; п. 8, 9 |
То же, грунта III группы (шлак) от разборки подсыпок для проезда |
100 м3 |
79,50 |
4,80 2,40 |
46,6 23,3 |
23,3 |
4-76 |
378-42 |
378-42 |
|
ЕНВ* |
Транспортирование грунта автомобилями-самосвалами КамАЗ-5511 на расстояние 2 км в отвал |
100 т |
493,00 |
2,73 2,73 |
164,1 164,1 |
196,0 |
1-94 |
956-42 |
1163-07 |
|
ЕНиР §E2-1-8; табл. 3, № 4б |
Разработка грунта II группы в резерве (карьере) экскаватором Э0-4111В, оборудованным прямой лопатой, с погрузкой на автомобили-самосвалы |
100 м3 |
906,35 |
2,1 2,1 |
232,1 232,1 |
232,1 |
2-23 |
2021-16 |
2021-16 |
|
ЕНВ* |
Транспортирование грунта автомобилями-самосвалами КамАЗ-5511 на расстояние 2 км в насыпь вертикальной планировки и для забивки котлована от выемки торфа |
100 т |
1547,45 |
2,73 2,73 |
515,2 515,2 |
541,8 |
1-94 |
3001-20 |
3173-51 |
|
ЕНиР §E2-1-28; № 3б |
Разравнивание бульдозером ДЗ-110А грунта II группы толщиной слоя до 0,3 м при устройстве насыпи |
100 м3 |
884,25 |
0,58 0,58 |
62,5 62,5 |
77,4 |
0-61,5 |
543-81 |
673-32 |
|
ЕНиР §E17-2; ЕНВ* |
Увлажнение грунта поливочной машиной ПМ-130Б при уплотнении грунта |
100 м3 |
88,40 |
2,17 2,17 |
23,4 23,4 |
77,4 |
1-64 |
144-98 |
477-08 |
|
ЕНиР §E2-1-29; табл. 4; № 2б, 4б |
Уплотнение грунта насыпи полуприцепным пневмокатком ДУ-16В слоями по 0,35 м при 8-и проходах по одному следу |
100 м3 |
884,25 |
0,43 0,43 |
46,4 46,4 |
77,4 |
0-45,4 |
401-45 |
670-90 |
|
Расчетные данные |
Водоотлив из котлована центробежным насосом КМ80-50-200-СД при разработке грунта и забивке котлована грунтом II группы |
1 маш.-смена |
210,0 |
- |
210,0 210,0 |
210,0 |
6-47,8 |
1360-38 |
1360-38 |
|
ЕНиР §Е2-1-37; табл. 2; № 1д |
Планировка насыпи автогрейдером ДЗ-31-1 в грунте II группы |
1000 м2 |
19,85 |
0,22 0,22 |
0,5 0,5 |
0,5 |
0-23,3 |
4-62 |
4-62 |
|
ЕНиР §E17-20; п. 15 |
Ремонт и содержание дорог автогрейдером ДЗ-31-1 при транспортировании грунта |
1 км |
942-25 |
1,10 1,10 |
126,4 126,4 |
126,4 |
1-17 |
1192-43 |
1102-43 |
|
ЕНиР §E2-1-22; № 5 |
Работа бульдозера ДЗ-110А на отвале в грунте I группы (торф) |
100 м3 |
341,95 |
0,35 0,35 |
14,6 14,6 |
14,6 |
0-37,1 |
126-86 |
126-86 |
|
ЕНиР §E2-1-22; № 5 |
То же, в грунте III группы (шлак) |
100 м3 |
79,50 |
0,47 0,47 |
4,6 4,6 |
4,6 |
0-49,8 |
39-59 |
39-59 |
|
|
ИТОГО: |
|
|
|
1605,0 1506,6 |
1665,1 |
|
11377-39 |
12487-41 |
СОДЕРЖАНИЕ